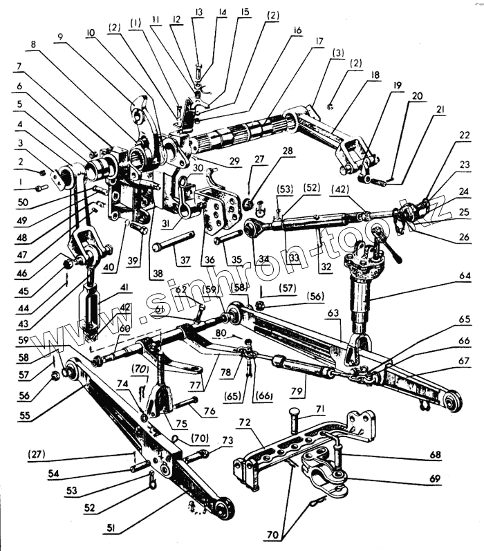
Каталог запасных частей к технике: МТЗ-80. Механизм задней навески
1
1
1
2
2
2
2
3
3
4
5
6
7
9
11
11
12
13
14
15
16
17
18
19
20
21
22
23
24
25
26
27
27
28
29
30
31
32
33
34
35
36
37
38
39
40
41
42
42
43
44
45
46
47
48
49
50
51
52
52
53
53
54
55
56
56
57
57
58
58
59
59
60
61
62
63
64
65
65
66
66
67
68
69
70
70
70
71
72
73
74
75
76
77
78
79
80
| Позиция на иллюстрации | Заводской номер детали | Название детали | |
|---|---|---|---|
| 70-4605145 | 70-4605145 | Кронштейн в сборе | |
| А61.03.200 | А61.03.200 | Винт в сборе | |
| 50-4605105-А | 50-4605105-А | Шкворень прицепа со шплинтом в сборе | |
| 50-4605030-А3 | 50-4605030-А3 | Тяга правая в сборе | |
| 50-4605035-А3 | 50-4605035-А3 | Тяга левая в сборе | |
| А61.03.000 | А61.03.000 | Тяга в сборе | |
| 50-4605012 | 50-4605012 | Раскос в сборе | |
| 70-4605340 | 70-4605340 | Рычаг с пальцем в сборе | |
| 70-4605010 | 70-4605010 | Механизм задней навески в сборе | |
| 80-4605025 | 80-4605025 | Поперечина в сборе | |
| 50-46050У5-А | 50-46050У5-А | Палец со шплинтом в сборе | |
| 1 | Болт М12-6gх25.88.35.019 ГОСТ 7796-70 | Болт М12-6gх25.88.35.019 ГОСТ 7796-70 | |
| 1 | 70-4605313 | Палец | |
| 2 | Шайба 12ОТ ОСТ 37.001.115-75 | Шайба 12ОТ ОСТ 37.001.115-75 | |
| 3 | 40-4605023-А2 | Шайба | |
| 4 | 40-4605021-А2 | Рычаг | |
| 5 | 70-4605032 | Втулка | |
| 6 | 70-4605308-Б | Втулка | |
| 7 | 70-4605016-Б | Кронштейн | |
| 9 | 70-4605024-А | Рычаг поворотный | |
| 11 | 50-4605069 | Втулка | |
| 11 | Кольцо 2Б65 ГОСТ 1394-68 | Кольцо 2Б65 ГОСТ 1394-68 | |
| 12 | 50-4605077-Б | Пружина | |
| 13 | Болт М12-6gх35.88.35.019 ГОСТ 7796-70 | Болт М12-6gх35.88.35.019 ГОСТ 7796-70 | |
| 14 | Шайба 12.02.019 ГОСТ 11371-78 | Шайба 12.02.019 ГОСТ 11371-78 | |
| 15 | 70-4605240-А | Кронштейн | |
| 16 | Гайка М12.6Н.6.019 ГОСТ 5915-70 | Гайка М12.6Н.6.019 ГОСТ 5915-70 | |
| 17 | 70-4605023 | Вал поворотный | |
| 18 | 40-4605022-А | Рычаг | |
| 19 | 70-4605168 | Серьга | |
| 20 | Штифт пружинный 8х45 ГОСТ 14229-69 | Штифт пружинный 8х45 ГОСТ 14229-69 | |
| 21 | А61.01.004 | Палец | |
| 22 | А61.03.002 | Кольцо | |
| 23 | А61.03.001-02 | Палец | |
| 24 | А61.03.001-02 | Палец | |
| 25 | А61.02.100-04 | Винт | |
| 26 | А61.05.002 | Чека | |
| 27 | Шплинт 5х36-001 ГОСТ 397-79 | Шплинт 5х36-001 ГОСТ 397-79 | |
| 28 | 70-4605316 | Гайка упорная | |
| 29 | Масленка 1.3.Ц6.хр ГОСТ 19853-74 | Масленка 1.3.Ц6.хр ГОСТ 19853-74 | |
| 30 | 70-4605304-Б | Шайба | |
| 31 | 70-4605302-Б | Пружина | |
| 32 | А61.03.102 | Рукоятка | |
| 33 | А61.03.101 | Труба | |
| 34 | А61.02.100-03 | Винт | |
| 35 | 70-4605312 | Палец | |
| 36 | 70-4605330-Б | Серьга | |
| 37 | 70-4605071-01 | Палец | |
| 38 | 70-4605320 | Болт | |
| 39 | 70-4605036 | Болт | |
| 40 | Шайба 20ОТ 65Г 06 ГОСТ 6402-70 | Шайба 20ОТ 65Г 06 ГОСТ 6402-70 | |
| 41 | А61.02.001 | Стяжка раскоса | |
| 42 | А61.02.003 | Контргайка | |
| 43 | А61.02.100 | Винт | |
| 44 | Шплинт 4х36-001 ГОСТ 397-79 | Шплинт 4х36-001 ГОСТ 397-79 | |
| 45 | 70-3003032 | Гайка | |
| 46 | F50-4605084 | Палец | |
| 47 | 70-4605317 | Ограничитель | |
| 48 | 21А-1601150 | Пружина | |
| 49 | 50-4605027 | Штифт | |
| 50 | 54.38.619 | Кольцо | |
| 51 | 80-4605045-01 | Тяга левая | |
| 52 | А61.05.004 | Кольцо | |
| 53 | А61.05.005 | Чека | |
| 54 | 50-4605049-Б | Палец | |
| 55 | 70-4605055 | Тяга | |
| 56 | А04.02.020-01 | Гайка | |
| 57 | Шплинт 5х45-019 ГОСТ 397-79 | Шплинт 5х45-019 ГОСТ 397-79 | |
| 58 | 70-4605047 | Втулка | |
| 59 | 50-4605068-Б1 | Втулка | |
| 60 | 70-4605026 | Ось | |
| 61 | Гайка М16.6Н.6.019 ГОСТ 5916-70 | Гайка М16.6Н.6.019 ГОСТ 5916-70 | |
| 62 | 50-4605019 | Болт | |
| 63 | 70-4605050 | Тяга | |
| 64 | 80-4605150 | Раскос | |
| 65 | 50-4605086 | Болт серьги | |
| 66 | Гайка М12.6Н.6.019 ГОСТ 5919-73 | Гайка М12.6Н.6.019 ГОСТ 5919-73 | |
| 67 | 80-4605040-01 | Тяга | |
| 68 | 50-4605079-Б | Шкворень | |
| 69 | 36-2701036-А3 | Вилка | |
| 70 | А61.07.001 | Шплинт | |
| 71 | А61.10.002 | Палец | |
| 72 | 80-4605046 | Поперечина | |
| 73 | 70-4605048-А | Проушина | |
| 74 | Шайба 18 01 019 ГОСТ 11371-78 | Шайба 18 01 019 ГОСТ 11371-78 | |
| 75 | 50-4605100-Б | Вилка раскоса | |
| 76 | Ф50-4605084 | Палец | |
| 77 | 50-4605033-Б1 | Кронштейн | |
| 78 | А61.09.002 | Серьга | |
| 79 | 80-4605080 | Растяжка | |
| 80 | Шплинт 3,2х18-019 ГОСТ 397-79 | Шплинт 3,2х18-019 ГОСТ 397-79 |
Содержащиеся в справочниках-каталогах запасные части и детали не предлагаются к продаже, а носят исключительно информационный характер