Каталог запасных частей к технике: МТЗ-80. Корпус заднего моста. Дифференциал
1
2
2
3
4
5
6
7
8
9
10
10
10
10
11
11
11
12
13
14
15
16
17
18
19
20
20
21
22
22
23
23
24
25
26
27
27
28
29
30
31
31
32
33
34
34
35
35
36
37
38
39
40
41
42
43
44
45
46
47
47
48
48
49
50
51
52
53
54
55
56
57
58
59
60
61
62
63
64
64
66
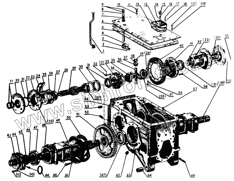
| Позиция на иллюстрации | Заводской номер детали | Название детали | |
|---|---|---|---|
| 50-2403010 | 50-2403010 | Дифференциал в сборе (при поставке в запасные части подшипник 7215К1 ГОСТ 333-71 и деталь 50-2403021-Б не устанавливаются) | |
| 50-2401040 | 50-2401040 | Валик управления в сборе | |
| 70-2407060-01 | 70-2407060-01 | Стакан правый в сборе | |
| 70-2407060 | 70-2407060 | Стакан левый в сборе | |
| 50-2407020-А | 50-2407020-А | Рукав полуоси в сборе | |
| 50-2407050-А | 50-2407050-А | Крышка стакана с манжетой и кольцом в сборе | |
| 50-2401060-А | 50-2401060-А | Крышка с сапуном в сборе | |
| 50-2401015 | 50-2401015 | Корпус заднего моста в сборе | |
| 50-2407030 | 50-2407030 | Крышка рукава с манжетой и кольцом в сборе | |
| 70-2401010 | 70-2401010 | Задний мост в сборе | |
| 50-2403014-А | 50-2403014-А | Комплект шестерен главной передачи (состоит из деталей 50-1701105-Б, 50-2403021-Б) | |
| 50-2403015 | 50-2403015 | Корпус дифференциала с крышкой в сборе | |
| 1 | 70-2401050-А | Рычаг переключения ВОМ | |
| 2 | Проволока 1,6х200 ГОСТ 3282-74 | Проволока 1,6х200 ГОСТ 3282-74 | |
| 3 | 50-2401020 | Поводок | |
| 4 | 36-1702110 | Винт установочный | |
| 5 | 50-2401025-А | Прокладка | |
| 6 | 70-2401024 | Крышка | |
| 7 | 50-2401019-Б | Валик управления | |
| 8 | Кольцо 020-025-30-1-4 ГОСТ 9833-73 | Кольцо 020-025-30-1-4 ГОСТ 9833-73 | |
| 9 | 50-2401031 | Шайба | |
| 10 | 45-9816-6068 | Шайба 12 01 65 06 ОСТ 37.001.115-74 | |
| 11 | Болт М12-6gх30.88.35.019 ГОСТ 7796-70 | Болт М12-6gх30.88.35.019 ГОСТ 7796-70 | |
| 12 | 50-2401027-А | Прокладка | |
| 13 | 50-2401070-А | Крышка | |
| 14 | 50-4608062 | Шайба сапуна | |
| 15 | 50-4608059 | Пробка сапуна | |
| 16 | 50-4608063 | Фильтр | |
| 17 | Болт М8-6gх16.88.35.019 ГОСТ 7796-70 | Болт М8-6gх16.88.35.019 ГОСТ 7796-70 | |
| 18 | 45-9816-6046 | Шайба 8Т 656 ОСТ 37.001.115-74 | |
| 19 | Манжета 2-50х70-1 ГОСТ 8752-70 | Манжета 2-50х70-1 ГОСТ 8752-70 | |
| 20 | 50-2407059-А | Крышка стакана | |
| 21 | Кольцо 104-110-40-1-4 ГОСТ 9833-73 | Кольцо 104-110-40-1-4 ГОСТ 9833-73 | |
| 22 | 50-1601352 | Штифт | |
| 23 | 50Х-2407042 | Стакан подшипников | |
| 24 | 50-2407056 | Прокладка (0,5 мм) | |
| 25 | 50-2407057 | Прокладка (0,2 мм) | |
| 26 | Кольцо 160-165-36-1-4 ГОСТ 9833-73 | Кольцо 160-165-36-1-4 ГОСТ 9833-73 | |
| 27 | Подшипник 42212К1 ГОСТ 8328-75 | Подшипник 42212К1 ГОСТ 8328-75 | |
| 28 | Кольцо 035-040-30-1-4 ГОСТ 9833-73 | Кольцо 035-040-30-1-4 ГОСТ 9833-73 | |
| 29 | 70-2407053 | Шестерня ведущая (левая) | |
| 30 | 50-2407043 | Кольцо упорное | |
| 31 | Подшипник 7215К1 ГОСТ 333-71 | Подшипник 7215К1 ГОСТ 333-71 | |
| 32 | 50-2403034 | Болт | |
| 33 | 50-2403019 | Крышка корпуса (в запасные части поставляется только в комплекте 50-2403015) | |
| 34 | 50-2403049-Б | Шайба опорная | |
| 35 | 50-2403048 | Шестерня полуосевая | |
| 36 | 50-2403062-А2 | Крестовина | |
| 37 | 50-2403055-А | Сателлит с втулкой | |
| 38 | 50-2403056 | Втулка сателлита | |
| 39 | 50-2403025 | Шайба опорная | |
| 40 | 50-2403021-Б | Шестерня ведомая главной передачи (в запасные части поставляется только в комплекте 50-2403014-А) | |
| 41 | 50-2403018 | Корпус дифференциала (в запасные части поставляется только в комплекте 50-2403015) | |
| 42 | 70-2407053-01 | Шестерня ведущая (правая) | |
| 43 | 50-2407028 | Крышка | |
| 44 | 50-2407029 | Прокладка | |
| 45 | Манжета 2-80х105-1 ГОСТ 8752-70 | Манжета 2-80х105-1 ГОСТ 8752-70 | |
| 46 | Кольцо 2В85 ГОСТ 13940-68 | Кольцо 2В85 ГОСТ 13940-68 | |
| 47 | Подшипник 217 ГОСТ 8338-75 | Подшипник 217 ГОСТ 8338-75 | |
| 48 | 50-2407082-А | Полуось | |
| 49 | 50-2407018 | Рукав полуоси | |
| 50 | 50-2407031-Б | Прокладка | |
| 51 | 50-2407122 | Шестерня ведомая | |
| 52 | 50-4605027 | Штифт | |
| 53 | 36-3502037-А | Втулка | |
| 54 | 50-2401016-Б | Прокладка | |
| 55 | Гайка М12.6Н6.19 ГОСТ 5915-70 | Гайка М12.6Н6.19 ГОСТ 5915-70 | |
| 56 | 50-2403023 | Пластина стопорная | |
| 57 | Д01-015 | Штифт установочный | |
| 58 | 50-1702092 | Болт призонный М12х42 | |
| 59 | Болт М12-6gх35.88.35.019 | Болт М12-6gх35.88.35.019 | |
| 60 | Болт М16-6gх50.88.35.019 ГОСТ 7796-70 | Болт М16-6gх50.88.35.019 ГОСТ 7796-70 | |
| 61 | Шайба 16ОТ 65Г 06 ОСТ 37.001.115-74 | Шайба 16ОТ 65Г 06 ОСТ 37.001.115-74 | |
| 62 | Пробка магнитная 1,1/4" | Пробка магнитная 1,1/4" | |
| 63 | 50-2401015-1 | Корпус | |
| 64 | 50-2401032 | Втулка | |
| 64 | 50-2401028 | Шпилька | |
| 66 | Кольцо 080-088-46-2-4 ГОСТ 9833-73 | Кольцо 080-088-46-2-4 ГОСТ 9833-73 |
Содержащиеся в справочниках-каталогах запасные части и детали не предлагаются к продаже, а носят исключительно информационный характер