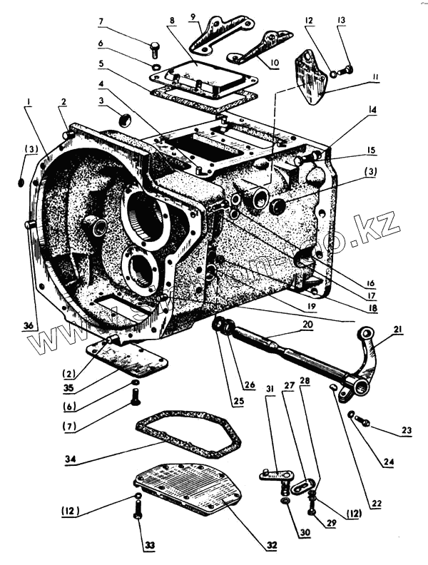
Каталог запасных частей к технике: МТЗ-80. Корпус сцепления
1
2
2
3
3
3
4
5
6
6
7
7
8
9
10
11
12
12
12
13
14
15
16
17
18
19
20
21
22
23
24
25
26
27
28
29
30
31
32
33
34
35
36
| Позиция на иллюстрации | Заводской номер детали | Название детали | |
|---|---|---|---|
| 70-1600010 | 70-1600010 | Корпус сцепления | |
| 1 | 70-1601015 | Корпус сцепления | |
| 2 | Д01-015 | Штифт установочный | |
| 3 | 50-1601022 | Заглушка | |
| 4 | Штифт 10Пр2,2ах25-06 ГОСТ 3128-70 | Штифт 10Пр2,2ах25-06 ГОСТ 3128-70 | |
| 5 | 50-1601345 | Прокладка | |
| 6 | 8Т ОСТ 37.001.115-75 | Шайба | |
| 7 | Болт М8-6gх16.88.35.019 ГОСТ 7796-70 | Болт М8-6gх16.88.35.019 ГОСТ 7796-70 | |
| 8 | 50-1601344-А | Крышка | |
| 9 | 70-1108163 | Кронштейн правый | |
| 10 | 70-1108162 | Кронштейн левый | |
| 11 | 50-1601348 | Крышка | |
| 12 | Шайба 10 ОТ ОСТ 37.001.115-74 | Шайба 10 ОТ ОСТ 37.001.115-74 | |
| 13 | Болт М10-6gх18.88.35.019 ГОСТ 7796-70 | Болт М10-6gх18.88.35.019 ГОСТ 7796-70 | |
| 14 | Шайба 16 ОТ ОСТ 37.001.115-74 | Шайба 16 ОТ ОСТ 37.001.115-74 | |
| 15 | Болт М16-6gх50.88.35.019 ГОСТ 7796-70 | Болт М16-6gх50.88.35.019 ГОСТ 7796-70 | |
| 16 | Болт М14-6gх60.88.35.019 ГОСТ 7796-70 | Болт М14-6gх60.88.35.019 ГОСТ 7796-70 | |
| 17 | Шайба 14 ОТ 65Г 06 ОСТ 37.001.115-74 | Шайба 14 ОТ 65Г 06 ОСТ 37.001.115-74 | |
| 18 | Пробка 11/4" ГОСТ 12719-67 | Пробка 11/4" ГОСТ 12719-67 | |
| 19 | 50-3503064 | Втулка | |
| 20 | 50-1601215 | Вал вилок включения | |
| 21 | 80-1601219-Б | Рычаг | |
| 22 | Шпонка сегментная 6х11 ГОСТ 8795-68 | Шпонка сегментная 6х11 ГОСТ 8795-68 | |
| 23 | Болт М12-6gх30.88.019 ГОСТ 7796-70 | Болт М12-6gх30.88.019 ГОСТ 7796-70 | |
| 24 | Шайба 12 ОТ 65Г.06 ОСТ 37.001.115-74 | Шайба 12 ОТ 65Г.06 ОСТ 37.001.115-74 | |
| 25 | Кольцо СП-38-25-8 ГОСТ 6308-71 | Кольцо СП-38-25-8 ГОСТ 6308-71 | |
| 26 | 36-1601016 | Корпус пылеотражателя | |
| 27 | 80-1601099 | Пластина | |
| 28 | Шайба 10.01.019 ГОСТ 11371-78 | Шайба 10.01.019 ГОСТ 11371-78 | |
| 29 | Болт М10-6gх20.88.35.019 ГОСТ 7796-70 | Болт М10-6gх20.88.35.019 ГОСТ 7796-70 | |
| 30 | Кольцо 020-025-30-1-4 | Кольцо 020-025-30-1-4 | |
| 31 | 70-1601140 | Валик | |
| 32 | 50-1601315 | Крышка нижняя | |
| 33 | Болт М10-6gх25.88.35.019 ГОСТ 7796-70 | Болт М10-6gх25.88.35.019 ГОСТ 7796-70 | |
| 34 | 70-1601314 | Прокладка крышки | |
| 35 | 50-1601341 | Крышка сцепления | |
| 36 | 50-1601352 | Штифт |
Содержащиеся в справочниках-каталогах запасные части и детали не предлагаются к продаже, а носят исключительно информационный характер