Каталог запасных частей к технике: МТЗ-80. Компрессор и установка компрессора
1
1
2
3
4
5
6
7
8
9
10
11
12
13
14
14
14
15
15
15
16
16
16
17
18
19
20
21
22
23
23
24
25
26
26
27
27
28
29
30
31
32
33
33
34
34
35
35
36
36
37
37
38
39
40
41
42
43
44
45
46
47
48
49
50
51
52
53
54
55
56
57
58
59
60
61
62
63
64
65
65
66
67
68
69
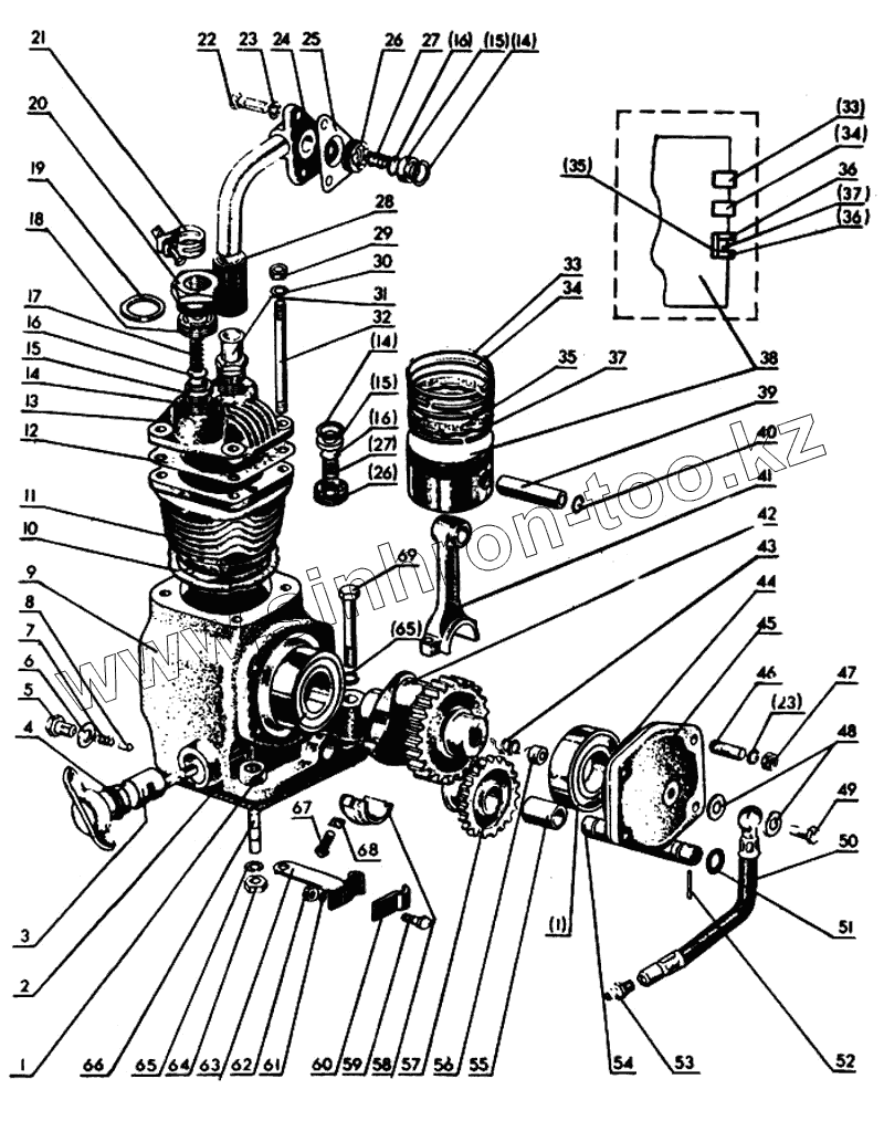
| Позиция на иллюстрации | Заводской номер детали | Название детали | |
|---|---|---|---|
| А29.01.000 | А29.01.000 | Компрессор в сборе | |
| А29.01.050 | А29.01.050 | Головка цилиндров в сборе | |
| А29.01.200-А | А29.01.200-А | Шестерня со втулкой в сборе | |
| А29.01.150 | А29.01.150 | Шатун в сборе | |
| А29.01.100 | А29.01.100 | Поршень и шатун в сборе | |
| А29.01.180 | А29.01.180 | Поршневые кольца (комплект) | |
| 1 | Подшипник 207 ГОСТ 8338-75 | Подшипник 207 ГОСТ 8338-75 | |
| 2 | 240-3509037-А | Прокладка | |
| 3 | А29.01.250А | Валик управления | |
| 4 | Кольцо 020-025-30-2-1 ГОСТ 9833-73 | Кольцо 020-025-30-2-1 ГОСТ 9833-73 | |
| 5 | Болт М10-6gх20.66.019 ГОСТ 7796-70 | Болт М10-6gх20.66.019 ГОСТ 7796-70 | |
| 6 | А29.01.017 | Прокладка | |
| 7 | 50-4604027-Б | Пружина | |
| 8 | А29.01.005 | Фиксатор | |
| 9 | А29.01.001 | Картер | |
| 10 | А29.01.006 | Прокладка | |
| 11 | А29.01.002 | Цилиндр | |
| 12 | А29.01.008 | Прокладка | |
| 13 | А29.01.050 | Головка цилиндров в сборе | |
| 14 | А29.01.063 | Прокладка | |
| 15 | А29.01.062 | Седло клапана | |
| 16 | А29.01.061 | Клапан | |
| 17 | А29.01.056 | Пружина клапана | |
| 18 | А29.01.052 | Корпус клапана | |
| 19 | А29.01.064-А | Прокладка | |
| 20 | А29.01.053 | Пробка | |
| 21 | ХС-26 | Хомут | |
| 22 | Болт М8-6gх25.88.35.019 ГОСТ 7796-70 | Болт М8-6gх25.88.35.019 ГОСТ 7796-70 | |
| 23 | Шайба 8 ГОСТ 6402-70 | Шайба 8 ГОСТ 6402-70 | |
| 24 | 240-3509210 | Труба | |
| 25 | 240-3509157 | Прокладка | |
| 26 | А29.01.058 | Корпус клапана | |
| 27 | А29.01.055 | Пружина клапана | |
| 28 | 18-30-50-10(1) | Рукав | |
| 29 | Гайка М8-1.6Н.8.45.056 ГОСТ 15524-70 | Гайка М8-1.6Н.8.45.056 ГОСТ 15524-70 | |
| 30 | Шайба 8 ГОСТ 11371-78 | Шайба 8 ГОСТ 11371-78 | |
| 31 | А29.01.059 | Штуцер | |
| 32 | А29.01.023 | Шпилька | |
| 33 | А27.02.03.007 | Кольцо компрессионное | |
| 34 | А27.02.03.008 | Кольцо компрессионное | |
| 35 | А27.12.40.510 | Расширитель | |
| 36 | А27.12.40.509 | Сегмент | |
| 37 | А27.12.40.511 | Расширитель | |
| 38 | А29.05.101 | Поршень | |
| 39 | А29.05.103 | Палец поршневой | |
| 40 | А29.05.102 | Кольцо стопорное | |
| 41 | А29.05.171 | Шатун | |
| 42 | А29.01.004 | Вал коленчатый | |
| 43 | А29.01.013А | Пружина | |
| 44 | А29.01.009 | Прокладка | |
| 45 | А29.01.003 | Крышка | |
| 46 | Шпилька 2М8 3р/6gх 18.66.05 ГОСТ 22038-7 | Шпилька 2М8 3р/6gх 18.66.05 ГОСТ 22038-76 | |
| 47 | Гайка М8.6Н.8.056 ГОСТ 5915-70 | Гайка М8.6Н.8.056 ГОСТ 5915-70 | |
| 48 | 36-1104788 | Прокладка | |
| 49 | 36-1104787 | Болт | |
| 50 | 240-3509150 | Маслопровод | |
| 51 | Кольцо 014-018-25-2-1 ГОСТ 9833-70 | Кольцо 014-018-25-2-1 ГОСТ 9833-70 | |
| 52 | Штифт 4h8х28 ГОСТ 3128-70 | Штифт 4h8х28 ГОСТ 3128-70 | |
| 53 | 240-3509232 | Штуцер | |
| 54 | А29.01.301 | Ось шестерни | |
| 55 | А29.01.202А | Втулка | |
| 56 | А29.01.019 | Уплотнитель крышки | |
| 57 | А21.01.201А | Шестерня | |
| 58 | А29.05.172 | Крышка шатуна | |
| 59 | Болт М6-6gх16.88.39.019 ГОСТ 7798-70 | Болт М6-6gх16.88.39.019 ГОСТ 7798-70 | |
| 60 | 240-3509159 | Скоба | |
| 61 | Шайба 6 ГОСТ 6402-70 | Шайба 6 ГОСТ 6402-70 | |
| 62 | Гайка М6 6.019 ГОСТ 5915-70 | Гайка М6 6.019 ГОСТ 5915-70 | |
| 63 | 240-3506158 | Хомут | |
| 64 | Гайка М10 5Н.6Н.019 ГОСТ 5915-70 | Гайка М10 5Н.6Н.019 ГОСТ 5915-70 | |
| 65 | Шайба 10 65Г ГОСТ 6402-70 | Шайба 10 65Г ГОСТ 6402-70 | |
| 66 | Шпилька М10хТо/6gх28 ГОСТ 22038-76 | Шпилька М10хТо/6gх28 ГОСТ 22038-76 | |
| 67 | Болт М8-6gх35.109.40Х.05 ГОСТ 7811-70 | Болт М8-6gх35.109.40Х.05 ГОСТ 7811-70 | |
| 68 | А29.05.173 | Шайба | |
| 69 | Болт М10-6gх65.88.35.019 ГОСТ 7795-70 | Болт М10-6gх65.88.35.019 ГОСТ 7795-70 |
Содержащиеся в справочниках-каталогах запасные части и детали не предлагаются к продаже, а носят исключительно информационный характер