Каталог запасных частей к технике: МТЗ-80. Гидроагрегаты и арматура
1
2
3
3
4
4
5
6
7
8
9
10
10
10
11
12
13
14
15
16
16
17
18
18
18
18
19
20
21
22
23
23
23
24
24
25
26
27
30
31
32
33
34
34
35
35
36
37
38
39
39
39
40
41
41
42
43
44
45
46
47
48
49
50
51
52
53
54
230
230
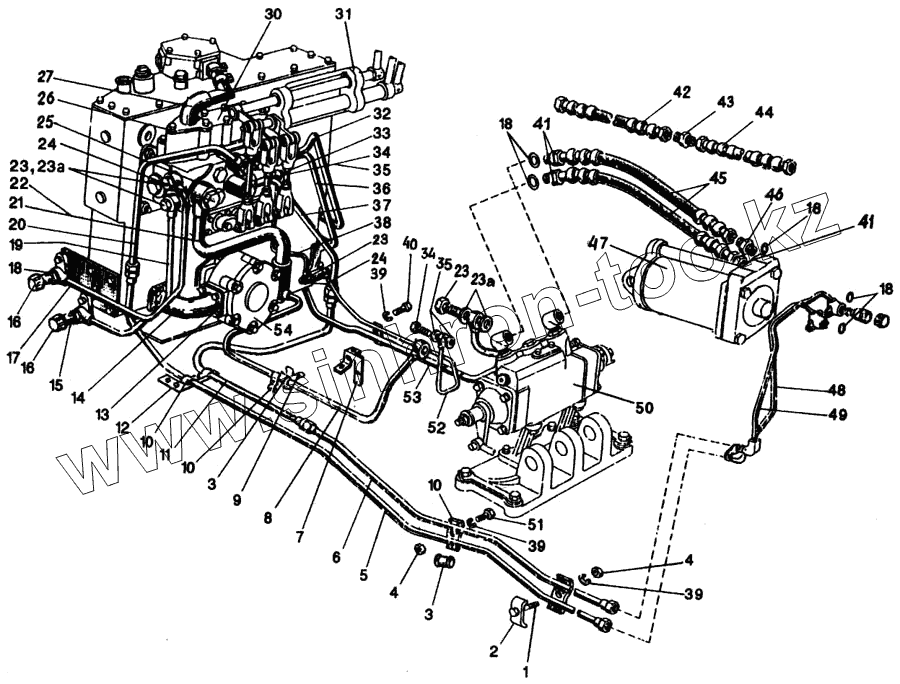
| Позиция на иллюстрации | Заводской номер детали | Название детали | |
|---|---|---|---|
| 1 | Болт М8-6gх45.88.35.019 ГОСТ 7796-70 | Болт М8-6gх45.88.35.019 ГОСТ 7796-70 | |
| 2 | 70-4607156 | Планка | |
| 3 | 70-3506027 | Втулка | |
| 4 | Гайка М8-6Н.6.019 ГОСТ 5915-70 | Гайка М8-6Н.6.019 ГОСТ 5915-70 | |
| 5 | Н80-4607160 | Труба | |
| 6 | Н80-4607150 | Труба | |
| 7 | 70-4607270-А | Кронштейн | |
| 8 | 80-4607180 | Труба | |
| 9 | 80-4607169 | Кронштейн | |
| 10 | 70-3407146 | Планка | |
| 11 | Н80-4607170 | Труба | |
| 12 | Н80-4607206 | Кронштейн | |
| 13 | 50-4607097 | Прокладка | |
| 14 | 70-4607096 | Патрубок | |
| 15 | 3057-4616330-А | Клапан запорного устройства | |
| 16 | 50-4607039-А | Колпак | |
| 17 | 80Х-4607120 | Труба | |
| 18 | Кольцо 017-022-30-2-2 ГОСТ 9833-73 | Кольцо 017-022-30-2-2 ГОСТ 9833-73 | |
| 19 | 80Х-4607130 | Труба | |
| 20 | 80-4607165 | Труба | |
| 21 | 80-4607075 | Труба | |
| 22 | Кольцо 035-040-30-2-2 ГОСТ 9833-73 | Кольцо 035-040-30-2-2 ГОСТ 9833-73 | |
| 23 | 40-4607032 | Болт | |
| 24 | 40-4607047 | Болт | |
| 25 | 40-4607033-А | Шайба | |
| 26 | 40-4607018 | Прокладка | |
| 27 | 85-4607425 | Угольник | |
| 28 | ХС-31 | Хомут | |
| 29 | 85-4607063 | Шланг | |
| 30 | Р80-3/4-222 | Распределитель | |
| 31 | 85-4607040 | Кронштейн | |
| 32 | 80-4607110 | Труба | |
| 33 | 80-4607142 | Штуцер | |
| 34 | Д18-051 | Болт | |
| 35 | Д18-055А | Кольцо | |
| 36 | 80-4607115 | Труба | |
| 37 | 80-4607175 | Труба | |
| 38 | 80-4607310-А | Труба | |
| 39 | Шайба 8Т.65Г.06 ГОСТ 6402-70 | Шайба 8Т.65Г.06 ГОСТ 6402-70 | |
| 40 | М8-6gх35.88.35.019 ГОСТ 7796-70 | Болт | |
| 41 | 70-1405089 | Штуцер | |
| 42 | Н.036.83.090 | Рукав высокого давления | |
| 43 | Н.036.02.002 | Штуцер | |
| 44 | Н.036.83.110 | Рукав высокого давления | |
| 45 | Н.036.82.020-А | Рукав | |
| 46 | Н.036.65.000-06 | Замедлительный клапан | |
| 47 | Ц100х200-3 | Цилиндр | |
| 48 | 70-4607400 | Труба | |
| 49 | 70-4607395 | Труба | |
| 50 | 80-4614020 | Регулятор | |
| 51 | Болт М8-6gх40.88.35.019 ГОСТ 7796-70 | Болт М8-6gх40.88.35.019 ГОСТ 7796-70 | |
| 52 | 80-4607200 | Труба | |
| 53 | 80-4607190-Б | Труба | |
| 54 | НШ32-А-3 | Насос шестеренный | |
| 230 | 40-4607038-А | Шайба |
Содержащиеся в справочниках-каталогах запасные части и детали не предлагаются к продаже, а носят исключительно информационный характер