Вернуться на главную
Поиск
Каталоги запчастей к технике
Сельхозтехника
МТЗ
МТЗ-80
Электрооборудование (МТЗ-80Л/82Л)
Каталог запасных частей к технике: МТЗ-80. Электрооборудование (МТЗ-80Л/82Л)
zoom-in
zoom-out
enlarge
shrink
circle-right
circle-left
file-text2
info
cart
Тип техники
Не выбрано
Легковые автомобили
Грузовые автомобили и прицепы
Автобусы
Сельхозтехника
Спецтехника
Двигатели
Мототехника
Марка
Не выбрано
AGCO
Amity
CASE IH
DongFeng
Fortschritt
Foton
Franz Kleine
Gaspardo
Great Plains
KRONE
KUHN
Lemken
Lovol
MacDon
Massey Ferguson
New Holland
TIGARBO
Vaderstad
Versatile
Wirax
Агро
Агротехмаш
Бобруйскагромаш (ОАО «УКХ «Бобруйскагромаш»)
БЭМЗ
ВгТЗ
Воронежсельмаш
ВТЗ
Гомсельмаш
ДКЗ
ЗАО "Техника-сервис"
ЗиД
КЗК
Кировец-Ландтехник
Клевер
Красная Звезда
Лидагропроммаш
Лидсельмаш
ЛТЗ
Машстройхолдинг
Минитракторы
Мордовагромаш
МТЗ
Навигатор-Новое машиностроение
Нефтекамский автозавод
ПТЗ
Ремком
РСМ
Сибсельмаш
ТеКЗ
ТКЗ
ХЗТСШ
ХТЗ
ЮМЗ
Модель
Не выбрано
1025.5 (2013)
1025/1025.2/1025.3 (2009)
1220 (2011)
1220.5 (2013)
1523.5 (2013)
1523.5 с ГМТ (2014)
2122.3/2122.4 (2015)
3022ДЦ.1 (2011)
320.4М (2019)
622 (2012)
800/900 (2003)
80Х (2012)
892 (2011)
922.3 / 922.4 (2013)
922.5 (2013)
923.4 (2014)
923.5 (2013)
92П (2010)
952.5 (2013)
БЕЛАРУС 1025.7 (2022)
БЕЛАРУС 1220.7 (2022)
БЕЛАРУС 1221.7 (2022)
БЕЛАРУС 2103 (2015)
БЕЛАРУС 320 (1998)
БЕЛАРУС 3522.5 (2013)
БЕЛАРУС 3525 (2019)
БЕЛАРУС 421 (2014)
БЕЛАРУС 451 (2023)
БЕЛАРУС 651 (2023)
БЕЛАРУС 923.7 (2022)
БЕЛАРУС 952.7 (2022)
Беларус-08Н (09Н) (2015)
Беларус-422.1 (2018)
КБ-00.000 (САЗ) (2015)
КМ-2 (САЗ) (2015)
МТЗ-082
МТЗ-100
МТЗ-1005 (2008)
МТЗ-1021.3 (2010)
МТЗ-1025.4 (2009)
МТЗ-112Н, 132Н (2010)
МТЗ-1221 (1997)
МТЗ-1221 (2009) (2009)
МТЗ-1221.4 (2009)
МТЗ-1221.4 (2009)
МТЗ-1221.5 (2013)
МТЗ-1222/1523 (2009)
МТЗ-1522 (2008)
МТЗ-1523
МТЗ-1523 (2013)
МТЗ-1523 (2008) (2008)
МТЗ-1523.4 (2010)
МТЗ-1523.6 (2018)
МТЗ-2022 (2010)
МТЗ-2103 (2010)
МТЗ-2522 (2010)
МТЗ-310, 320, 321 (2011)
МТЗ-3522 (2011)
МТЗ-510/512, 520/522 (2010)
МТЗ-570 (2010)
МТЗ-80 (1998)
МТЗ-80 (2002) (2002)
МТЗ-80 (2009) (2009)
МТЗ-80.1 (2015)
МТЗ-821/921 (2009)
МТЗ-822 (2008)
МТЗ-826 (2010)
МТЗ-90/92 (2008)
МТЗ-900
МТЗ-900/920/950/952 (2009)
МТЗ-920.4/952.4 (2009)
МТЗ-922 (2008)
МТЗ-923 (2008)
ФР-00.010 (САЗ) (2015)
ФР-00700-Б (САЗ) (2015)
Схема
>
Не выбрано
Кабина
Кабина
Унифицированная кабина
Пол кабины
Стекла, профили
Стеклоочиститель электрический
Ручной стеклоочиститель
Стеклоомыватель
Двери кабины
Двери кабины
Сиденье водителя
Блок отопления
Отопитель
Арматура блока отопления
Арматура отопителя
Электрофакельный подогреватель
Зеркало заднего вида
Козырек противосолнечный. Облицовка
Поручень (МТЗ-82Р)
Облицовка. Капот
Крылья задние. Крылья передние
Подножка
Подножка (МТЗ-82Р)
Крылья передние
Подвеска и блок цилиндров дизеля
Головка цилиндров. Клапаны и толкатели клапанов
Поршни и шатуны. Коленчатый вал и маховик
Распределительный механизм
Газопровод дизеля
Установка насоса рулевого управления
Пусковой двигатель
Кривошипно-шатунный механизм
Глушитель
Регулятор пускового двигателя
Механизм передачи и включения пускового двигателя
Топливные баки
Топливный бак
Топливные трубопроводы и топливная аппаратура
Топливный насос 4УТНМ
Регулятор топливного насоса
Подкачивающий насос
Форсунка ФД-22
Фильтр-отстойник
Управление подачей топлива
Управление подачей топлива
Воздушный фильтр. Воздухоочиститель
Воздушный фильтр. Моноциклон
Аварийный останов дизеля
Фильтр топливной тонкой очистки
Карбюратор
Дистанционное управление
Воздухоочиститель
Глушитель
Водяной радиатор. Подвеска и шланги. Кожух вентилятора
Термостат системы охлаждения дизеля Д-243
Водяной насос и вентилятор
Шторка
Термостат
Масляный картер
Приемник масляного насоса и масляный насос
Центробежный масляный фильтр
Масляный радиатор
Корпус сцепления
Корпус сцепления (диски, отводка)
Корпус сцепления
Корпус сцепления и понижающий редуктор
Привод выключения сцепления
Привод выключения сцепления
Коробка передач
Корпус коробки передач
Вал первичный. Вал вторичный
Вал промежуточный
Вал 1 передачи и заднего хода
Коробка передач. Редуктор
Механизм переключения передач
Управление понижающим редуктором
Раздаточная коробка
Раздаточная коробка (МТЗ-82Н)
Карданный привод. Карданный вал переднего моста
Ограждение карданного вала
Передний ведущий мост. Дифференциал
Главная передача переднего ведущего моста
Редуктор конечной передачи
Передний ведущий мост в сборе (МТЗ-82Р)
Корпус заднего моста. Дифференциал
Механизм блокировки дифференциала
Бортовой редуктор. Колеса передние и задние (МТЗ-82Р)
Полурама
Буксирное устройство
Гидрофицированный крюк
Передняя ось и рулевые тяги
Колеса передние направляющие. Ступицы передних колес
Ступицы задних колес. Покрышки и камеры
Колеса передние ведущие
Колеса передние ведущие (МТЗ-82Н)
Привод рулевого управления. Колесо рулевого управления
Гидроусилитель рулевого управления
Цилиндр гидроусилителя рулевого управления
Распределитель гидроусилителя рулевого управления
Насос шестеренный НШ10
Задние тормоза и управление тормозами
Стояночно-запасной тормоз
Управление стояночно-запасным тормозом
Пневмопереходник
Трубопроводы и арматура пневмопривода тормозов
Регулятор давления
Баллон
Тормозной кран
Соединительная головка
Компрессор и установка компрессора
Аккумуляторная батарея
Стартер СТ362
Магнето
Электрооборудование (МТЗ-80/82)
Электрооборудование (МТЗ-80Л/82Л)
Электрооборудование (МТЗ-80.1/82.1, МТЗ-82Н, МТЗ-82Р)
Генератор 464.3701
Аккумуляторная батарея
Стартер 24.3708
Выключатели
Фара передняя
Фара задняя
Плафон кабины
Задние фонари
Фонарь номерного знака
Электромагнитное реле
Указатели поворотов
Щиток приборов
Вал отбора мощности задний
Боковой вал отбора мощности
Приводной шкив
Управление ВОМ
Управление задним ВОМ
Передние грузы
Механизм задней навески (МТЗ-82Р)
Механизм задней навески
Раскос
Управление гидроузлами
Управление гидроузлами
Гидроагрегаты и арматура
Гидроагрегаты и арматура
Гидроагрегаты и арматура
Корпус гидроагрегатов, фильтр и привод гидронасоса
Корпус гидроагрегатов, фильтр
Гидроувеличитель сцепного веса
Гидроаккумулятор
Цилиндр Ц100x200
Цилиндр Ц75
Распределитель
Насос шестеренный
Регулятор
Управление регулятором
Управление регулятором
Разрывная муфта
Запорное устройство
Механизм фиксации
Датчик блокировки
Управление блокировкой дифференциала
Инструмент тракториста
Ящик инструментальный
Аптечка
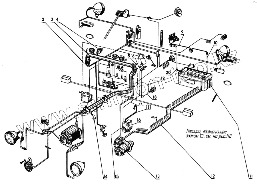
1
2
3
4
5
6
7
8
9
10
11
12
13
14
15
16
17
18
19
20
Позиция на иллюстрации
Заводской номер детали
Название детали
1
70Л-3724080
Жгут
2
70Л-3801010-01
Щиток приборов
3
70Л-3724093-Б
Жгут
4
ВК317-05
Выключатель
5
Гайка М4.6Н.6.019 ГОСТ 5915-70
Гайка М4.6Н.6.019 ГОСТ 5915-70
6
Шайба 4 65Г 06 ГОСТ 6402-70
Шайба 4 65Г 06 ГОСТ 6402-70
7
Винт М4-6gх8.58.019 ГОСТ 17473-72
Винт М4-6gх8.58.019 ГОСТ 17473-72
8
70-3724027
Провод
9
70-3724018-А
Провод
10
50-3724082
Провод
11
ССТ-50ЭМ
Аккумуляторная батарея
12
70Л-3724038
Провод
13
СТ-362
Стартер
14
М2.14.13.238
Чехол
15
70Л-3724040
Жгут
16
М124Б1-3728000-А
Магнето М124-Б1
17
70Л-3724034
Провод
18
70Л-3724017
Провод
19
50Л-3724085
Провод
20
70Л-3724039
Провод
Содержащиеся в справочниках-каталогах запасные части и детали не предлагаются к продаже, а носят исключительно информационный характер
Дополнительная информация
×
Название:
Номер:
Примечание: