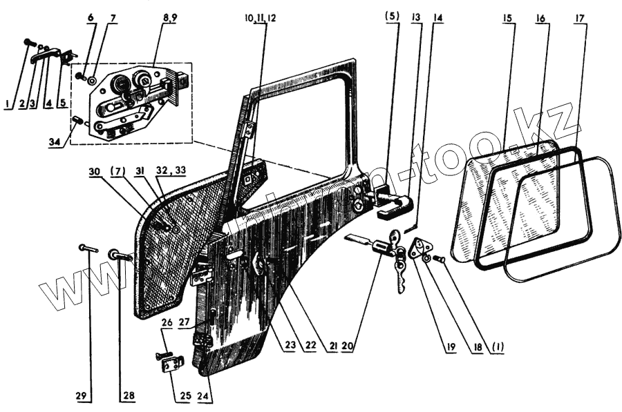
Каталог запасных частей к технике: МТЗ-80. Двери кабины
1
1
2
3
4
5
5
6
7
7
8
9
10
11
12
13
14
15
16
17
18
19
20
21
22
23
24
25
26
27
28
29
30
31
32
33
34
| Позиция на иллюстрации | Заводской номер детали | Название детали | |
|---|---|---|---|
| 1 | Винт М5-6gх16.88.35.019 ГОСТ 17473-72 | Винт М5-6gх16.88.35.019 ГОСТ 17473-72 | |
| 2 | Шайба 5 65Г 06 ГОСТ 6402-70 | Шайба 5 65Г 06 ГОСТ 6402-70 | |
| 3 | Шайба 5.01.019 ГОСТ 11371-78 | Шайба 5.01.019 ГОСТ 11371-78 | |
| 4 | 70-6708047-А | Ручка двери внутренняя | |
| 5 | 70-6700104 | Розетка | |
| 6 | Винт М6-6gх12.88.35.019 ГОСТ 17473-72 | Винт М6-6gх12.88.35.019 ГОСТ 17473-72 | |
| 7 | Шайба 6Т ГОСТ 6402-70 | Шайба 6Т ГОСТ 6402-70 | |
| 8 | 70-6708110 | Замок правый | |
| 9 | 70-6708120 | Замок левый | |
| 10 | 70-6700102 | Обойма | |
| 11 | 70-6708030 | Дверь правая (сварочный комплект) | |
| 12 | 70-6708040 | Дверь левая (сварочный комплект) | |
| 13 | 70-6708150-А | Ручка наружная двери | |
| 14 | Винт М5-6gх22.58.019 ГОСТ 17473-72 | Винт М5-6gх22.58.019 ГОСТ 17473-72 | |
| 15 | 70-6708014 | Стекло двери | |
| 16 | ПР1-2050 | Профиль резиновый L=2050 | |
| 17 | ПР2-2050 | Профиль резиновый L=2050 | |
| 18 | Шайба 5Т ГОСТ 6402-70 | Шайба 5Т ГОСТ 6402-70 | |
| 19 | 70-6708230 | Облицовка | |
| 20 | 70-6708300 | Выключатель замка | |
| 21 | Винт М6-6gх16.88.35.019 ГОСТ 17473-72 | Винт М6-6gх16.88.35.019 ГОСТ 17473-72 | |
| 22 | 70-6700116 | Накладка | |
| 23 | 50-3711038 | Опора фары | |
| 24 | 70-6708181-А | Петля | |
| 25 | 70-6708182-А | Петля | |
| 26 | Винт М8-6gх25.58.019 ГОСТ 17473-72 | Винт М8-6gх25.58.019 ГОСТ 17473-72 | |
| 27 | 70-6708189 | Ось | |
| 28 | 70-6700106 | Бонка | |
| 29 | 70-6700107 | Клин | |
| 30 | Гайка М6.6Н.6.019 ГОСТ 5915-70 | Гайка М6.6Н.6.019 ГОСТ 5915-70 | |
| 31 | Шайба 6.01.019 ГОСТ 6402-70 | Шайба 6.01.019 ГОСТ 6402-70 | |
| 32 | 70-6708090 | Обивка двери правая | |
| 33 | 70-6708100 | Обивка двери левая | |
| 34 | 70-6700103 | Колпак |
Содержащиеся в справочниках-каталогах запасные части и детали не предлагаются к продаже, а носят исключительно информационный характер