Вернуться на главную
Поиск
Каталоги запчастей к технике
Сельхозтехника
МТЗ
МТЗ-570
Механизм блокировки дифференциала «мокрого» типа
Каталог запасных частей к технике: МТЗ-570. Механизм блокировки дифференциала «мокрого» типа
zoom-in
zoom-out
enlarge
shrink
circle-right
circle-left
file-text2
info
cart
Тип техники
Не выбрано
Легковые автомобили
Грузовые автомобили и прицепы
Автобусы
Сельхозтехника
Спецтехника
Двигатели
Мототехника
Марка
Не выбрано
AGCO
Amity
CASE IH
DongFeng
Fortschritt
Foton
Franz Kleine
Gaspardo
Great Plains
KRONE
KUHN
Lemken
Lovol
MacDon
Massey Ferguson
New Holland
TIGARBO
Vaderstad
Versatile
Wirax
Агро
Агротехмаш
Бобруйскагромаш (ОАО «УКХ «Бобруйскагромаш»)
БЭМЗ
ВгТЗ
Воронежсельмаш
ВТЗ
Гомсельмаш
ДКЗ
ЗАО "Техника-сервис"
ЗиД
КЗК
Кировец-Ландтехник
Клевер
Красная Звезда
Лидагропроммаш
Лидсельмаш
ЛТЗ
Машстройхолдинг
Минитракторы
Мордовагромаш
МТЗ
Навигатор-Новое машиностроение
Нефтекамский автозавод
ПТЗ
Ремком
РСМ
Сибсельмаш
ТеКЗ
ТКЗ
ХЗТСШ
ХТЗ
ЮМЗ
Модель
Не выбрано
1025.5 (2013)
1025/1025.2/1025.3 (2009)
1220 (2011)
1220.5 (2013)
1523.5 (2013)
1523.5 с ГМТ (2014)
2122.3/2122.4 (2015)
3022ДЦ.1 (2011)
320.4М (2019)
622 (2012)
800/900 (2003)
80Х (2012)
892 (2011)
922.3 / 922.4 (2013)
922.5 (2013)
923.4 (2014)
923.5 (2013)
92П (2010)
952.5 (2013)
БЕЛАРУС 1025.7 (2022)
БЕЛАРУС 1220.7 (2022)
БЕЛАРУС 1221.7 (2022)
БЕЛАРУС 2103 (2015)
БЕЛАРУС 320 (1998)
БЕЛАРУС 3522.5 (2013)
БЕЛАРУС 3525 (2019)
БЕЛАРУС 421 (2014)
БЕЛАРУС 451 (2023)
БЕЛАРУС 651 (2023)
БЕЛАРУС 923.7 (2022)
БЕЛАРУС 952.7 (2022)
Беларус-08Н (09Н) (2015)
Беларус-422.1 (2018)
КБ-00.000 (САЗ) (2015)
КМ-2 (САЗ) (2015)
МТЗ-082
МТЗ-100
МТЗ-1005 (2008)
МТЗ-1021.3 (2010)
МТЗ-1025.4 (2009)
МТЗ-112Н, 132Н (2010)
МТЗ-1221 (1997)
МТЗ-1221 (2009) (2009)
МТЗ-1221.4 (2009)
МТЗ-1221.4 (2009)
МТЗ-1221.5 (2013)
МТЗ-1222/1523 (2009)
МТЗ-1522 (2008)
МТЗ-1523
МТЗ-1523 (2013)
МТЗ-1523 (2008) (2008)
МТЗ-1523.4 (2010)
МТЗ-1523.6 (2018)
МТЗ-2022 (2010)
МТЗ-2103 (2010)
МТЗ-2522 (2010)
МТЗ-310, 320, 321 (2011)
МТЗ-3522 (2011)
МТЗ-510/512, 520/522 (2010)
МТЗ-570 (2010)
МТЗ-80 (1998)
МТЗ-80 (2002) (2002)
МТЗ-80 (2009) (2009)
МТЗ-80.1 (2015)
МТЗ-821/921 (2009)
МТЗ-822 (2008)
МТЗ-826 (2010)
МТЗ-90/92 (2008)
МТЗ-900
МТЗ-900/920/950/952 (2009)
МТЗ-920.4/952.4 (2009)
МТЗ-922 (2008)
МТЗ-923 (2008)
ФР-00.010 (САЗ) (2015)
ФР-00700-Б (САЗ) (2015)
Схема
>
Не выбрано
Кабина трактора. Крылья задние
Управление блокировкой дифференциала
Кабина трактора. Крылья задние
Крыша
Крыша
Пол кабины
Двери кабины
Тент-каркас. Основание
Сиденье оператора
Сиденье оператора
Подвеска сиденья
Сиденье дополнительное
Отопитель. Арматура отопителя
Отопитель
Зеркало заднего вида внутреннее
Зеркало заднего вида боковое
Козырек противосолнечный
Облицовка
Облицовка
Облицовка
Облицовка
Облицовка
Крылья передние (с передней осью)
Крылья передние (с ПВМ 72-2300020-А)
Крылья передние (для ПВМ 822-2300020-02 с удлиненными рукавами)
Крылья передние (для ПВМ 822-2300020-04 с короткими рукавами)
Подножка
Установка передней опоры, блок цилиндров, установка привода и счётчика
Установка головки цилиндров и впускного тракта
Поршни и шатуны. Коленчатый вал. Маховик
Установка муфты сцепления
Распределительный механизм
Установка выпускного коллектора
Установка масляного картера
Установка насоса шестеренного
Установка воздухоочистителя
Топливные трубопроводы и установка топливной аппаратуры (с топливным насосом пр-ва ОАО «ЯЗДА»)
Топливные трубопроводы и установка топливной аппаратуры (с топливным насосом пр-ва ОАО «НЗТА»)
Топливные трубопроводы и установка топливной аппаратуры (с топливным насосом пр-ва АО «Моторпал» и ОАО «РААЗ»)
Фильтр топливный тонкой очистки
Фильтр топливный грубой очистки
Установка корпуса термостата
Установка водяного насоса, установка вентилятора
Установка масляного насоса
Установка центробежного фильтра
Компрессор
Установка заглушки (для тракторов без пневмокомпрессора)
Установка генератора
Установка генератора
Установка электрофакельного подогревателя
Установка стартера
Радиатор масляный
Баки топливные
Управление подачей топлива
Управление подачей топлива (с управлением гидронавесной системой типа «Joystick»)
Глушитель
Радиатор водяной. Подвеска радиатора водяного
Шторка
Ограждение вентилятора
Диски сцепления
Корпус сцепления
Корпус сцепления,отводка
Корпус сцепления (привод ВОМ, привод насоса гидросистемы навески)
Корпус сцепления. Привод ВОМ.
Управление сцеплением
Механический понижающий редуктор/механический ускоритель
Синхронизированный понижающий редуктор/синхронизированный ускоритель
Управлением редуктором/ускорителем
Синхронизированный реверс - редуктор
Управление синхронизированным реверс-редуктором
Корпус КП, привод ПВМ
Вал первичный и вал вторичный механической КП
Первичный вал синхронизированной КП
Вторичный вал синхронизированной КП
Вал 1 -ой передачи и передачи заднего хода
Вал промежуточный. Вал внутренний
Механизм управления механической КП, корпус вилок
Механизм управления синхронизированной КП, корпус вилок
Механизм правого однорычажного управления КП
Механизм 2-х рычажного управления КП
Раздаточная коробка
Управление раздаточной коробкой (для однорычажной КПП)
Карданный вал. Промежуточная опора карданного вала
Ограждение карданного привода
Передний ведущий мост 72-2300020-А
Передний ведущий мост 822-2300020
Главная передача переднего ведущего моста
Дифференциал
Редуктор колесный
Редуктор конечной передачи переднего ведущего моста
Корпус заднего моста,конечная передача
Дифференциал. Стакан подшипников
Механизм блокировки дифференциала
Механизм блокировки дифференциала «мокрого» типа
Полурама
Устройство буксирное
Крюк прицепной гидрофицированный
Ось передняя и тяга рулевая
Тяга рулевая
Колеса передние направляющие, Ступицы передних колес
Колеса передние ведущие (для тракторов с ПВМ 72-2300020-А)
Колеса передние ведущие (для тракторов с ПВМ 822-2300020)
Колеса передние ведущие (для тракторов с ПВМ 822-2300020)
Колеса задние, ступицы задних колес
Ступицы задних колес
Колонка рулевая
Арматура рулевого управления 900-3400010/-02
Гидроцилиндр и арматура ГОРУ 900-3400010 (вариант с передней осью)
Гидроцилиндр и арматура ГОРУ 900-3400010-02 (вариант с ПВМ 72-2300020-А)
Управление рулевое 920-3400010-01 (с ПВМ 822-2300020)
Гидроцилиндр 50x25-200
Гидроцилиндр Ц63
Трубопроводы и арматура двухпроводного пневмопривода тормозов прицепа
Трубопроводы и арматура однопроводного пневмопривода тормозов прицепа
Баллон
Кран тормозной (для однопроводного пневмопривода)
Тормоза. Управление тормозами (сухого трения)
Тормоза (вариант исполнения)
Тормоза «мокрые» (левый/правый)
Тормоза, управление «мокрыми» тормозами
Тормоз стояночно-запасной, управление стояночно-запасным тормозом
Тормоз стояночно-запасной, управление стояночно-запасным тормозом (для «мокрых» тормозов)
Электрооборудование двигателя
Электрооборудование трансмиссии
Электрооборудование кабины
Установка фар дорожных
Установка фар дорожных
Установка фар дорожных
Установка фар рабочих
Установка фонарей передних
Установка фонарей передних
Установка фонарей задних
Установка батарей аккумуляторных (система запуска 12В)
Установка батарей аккумуляторных (система запуска 24В)
Электрооборудование отопителя
Установка маяка сигнального
Стеклоочистители
Стеклоомыватели
Основание, приборы
Стенка, крышка
Устройство прицепное (Для тракторов с силовым регулятором и без силового регулятора)
Устройство прицепное (Для тракторов с силовым регулятором и без силового регулятора)
Вал отбора мощности задний
Вал отбора мощности задний
Вал отбора мощности боковой
Управление задним валом отбора мощности
Балласт
Балласт передний
Механизм задней навески (для тракторов с силовым регулятором)
Механизм задней навески (для тракторов с силовым регулятором)
Наружная блокировка нижних тяг
Стяжка телескопическая
Механизм фиксации
Гидроагрегаты и арматура
Гидроагрегаты и арматура
Гидроагрегаты и арматура
Гидроагрегаты и арматура
Гидроагрегаты и арматура
Привод насоса
Управление гидрораспределителем РП 70
Корпус гидросистемы и фильтр
Гидроцилиндр Ц 100x200/ Ц110x200
Муфта быстросоединяемая
Гидрораспределитель РП70
Регулятор
Управление регулятором
Управление регулятором (ГНС со смешанным регулированием)
Переключатель (ГНС со смешанным регулированием)
Инструмент оператора
Аптечка (по заказу)
Ящик инструментальный
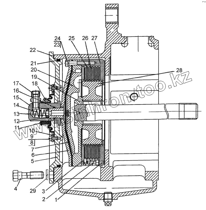
1
2
3
3
3
3
3
3
3
4
5
6
7
8
9
10
11
12
13
14
15
16
17
18
19
20
21
22
23
24
25
26
27
28
29
Позиция на иллюстрации
Заводской номер детали
Название детали
1221М-2409050
1221М-2409050
Переходник
80М-2409010
80М-2409010
Муфта блокировки
1
80М-2409002
Палец
2
50-1702148-А
Пружина фиксатора
3
80М-2409028-06
Диск отжимной
3
80М-2409028-05
Диск отжимной
3
80М-2409028-04
Диск отжимной
3
80М-2409028-03
Диск отжимной
3
80М-2409028-02
Диск отжимной
3
80М-2409028-01
Диск отжимной
3
80М-2409028
Диск отжимной
4
1221М-3502039
Болт
5
1221М-2409034
Крышка
6
70-2409030-Б
Крышка диафрагмы
7
70-2409021
Диафрагма
8
B.M6-6gx10.58.019
Винт
9
6Т
Шайба
10
80М-2409037
Кольцо
11
80М-2409036
Уплотнитель
12
70-2409033-Б
Кольцо
13
70-2409027-А
Втулка
14
54-06-448-А
Пружина
15
70-2409026-Б
Переходник
16
020-025-30-1-4
Кольцо
17
70-2409037
Штуцер
18
«НОРМА»32-50/9C6W
Хомут
19
70-2409020-02
Вал блокировочный
20
80М-2409018
Диск нажимной
21
205-215-58-2-2
Кольцо
22
1221М-2409051
Прокладка
23
M8-6gx40.88.35.019
Болт
24
8Т
Шайба
25
80М-2409016
Диск промежуточный
26
2522-1802035-А
Диск ведущий
27
80М-2409015
Корпус муфты
28
80М-2409001
Ступица
29
14ОТ
Шайба
Содержащиеся в справочниках-каталогах запасные части и детали не предлагаются к продаже, а носят исключительно информационный характер
Дополнительная информация
×
Название:
Номер:
Примечание: