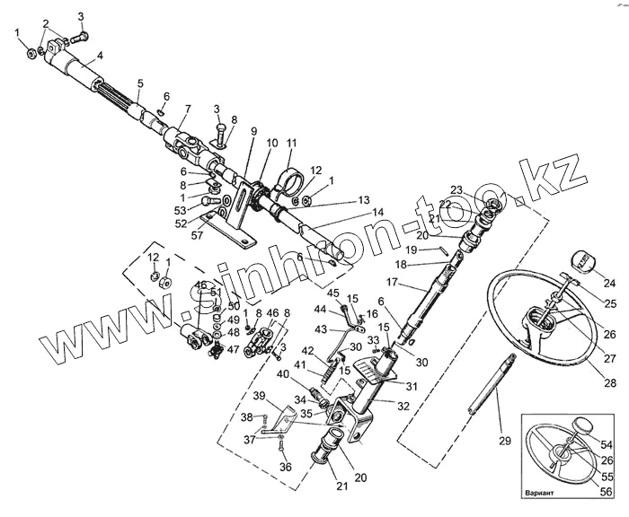
Каталог запасных частей к технике: МТЗ-510/512, 520/522. Привод управления рулевого
80-3401015-01
1
1
1
1
1
2
3
3
3
4
5
6
6
6
6
7
7
8
8
8
8
9
10
11
12
12
13
14
15
15
15
16
17
17
18
19
20
20
21
21
22
23
24
25
26
26
27
28
29
30
30
31
32
33
34
35
36
37
38
39
40
41
42
43
44
45
46
46
47
48
49
50
51
52
53
54
55
56
57
| Позиция на иллюстрации | Заводской номер детали | Название детали | |
|---|---|---|---|
| 80-3401015-01 | 80-3401015-01 | Колонка рулевая | |
| 1 | М10-6Н.6.019 | Гайка | |
| 2 | 10Л | Шайба ОСТ 37.001.115-75 | |
| 3 | M10-6gx45.88.35.019 | Болт | |
| 4 | 80-3401070 | Втулка | |
| 5 | 80-3401072 | Вал | |
| 6 | СШ-510 | Шпонка | |
| 7 | 50-3401060 | Кардан | |
| 7 | 50-3401060 | Кардан | |
| 8 | 80-3401013 | Шайба | |
| 9 | 80-3401105 | Стойка | |
| 10 | 80-3401104 | Амортизатор | |
| 11 | 80-3401103 | Хомут | |
| 12 | 10 ОТ | Шайба | |
| 13 | 80-3401106 | Втулка | |
| 14 | 80-3401052-Б | Вал | |
| 15 | С6.01.019 | Шайба | |
| 16 | 1.6x12.019 | Шплинт | |
| 17 | 70-3401055 | Вал промежуточный | |
| 17 | 70-3401050-Б | Вал со штифтом и хвостовиком в сборе | |
| 18 | 70-3401054-Б | Хвостовик вала | |
| 19 | ШЦК 8x36 | Штифт | |
| 20 | 70-3401077-Б | Амортизатор | |
| 21 | 70-3401076 | Втулка | |
| 22 | 70-3401078 | Гайка | |
| 23 | 70-3401079 | Контргайка | |
| 24 | 80-3401082 | Крышка головки | |
| 25 | 80-3401140 | Зажим | |
| 26 | М16x1.5-6Н.6.019 | Гайка | |
| 27 | 50-3401091 | Шайба | |
| 28 | 80-3402015 | Колесо | |
| 29 | 70-3401074-Б | Вал рулевой | |
| 30 | 2x12.019 | Шплинт | |
| 31 | 70-3401094 | Пластина уплотнительная | |
| 32 | 70-3401020 | Труба | |
| 33 | 6x18 | Палец | |
| 34 | М27х2-6Н.04.019 | Гайка | |
| 35 | 70-3401028 | Шайба | |
| 36 | M12-6gx55.88.35.019 | Болт | |
| 37 | 12 ОТ | Шайба ОСТ 37.001.115-75 | |
| 38 | M12-6gx30.88.35.019 | Болт | |
| 39 | 70-3401031-Б | Стойка | |
| 40 | 70-3401089 | Винт | |
| 41 | 70-3401088-Б | Фиксатор | |
| 42 | 70-3401087 | Пружина 392 ГОСТ 13771-68 | |
| 43 | 70-3401084 | Тяга | |
| 44 | 70-3401083 | Рычаг | |
| 45 | 70-3401093 | Наконечник | |
| 46 | 50-3401061-А | Вилка | |
| 47 | 50-3401062 | Крестовина | |
| 48 | 50-3401063 | Обойма | |
| 49 | 50-3401064 | Сальник | |
| 50 | 904700 УС17 | Подшипник | |
| 51 | С19 | Кольцо | |
| 52 | С10.01.019 | Шайба | |
| 53 | M10-6gx30.88.35.019 | Болт | |
| 54 | 822-3401140-А1 | Зажим | |
| 55 | 160Т | Шайба | |
| 56 | 70-3402015-А | Рулевое колесо | |
| 57 | С10.01.019 | Шайба |
Содержащиеся в справочниках-каталогах запасные части и детали не предлагаются к продаже, а носят исключительно информационный характер