Вернуться на главную
Поиск
Каталоги запчастей к технике
Сельхозтехника
МТЗ
МТЗ-510/512, 520/522
Кабина (тент-каркас)
Каталог запасных частей к технике: МТЗ-510/512, 520/522. Кабина (тент-каркас)
zoom-in
zoom-out
enlarge
shrink
circle-right
circle-left
file-text2
info
cart
Тип техники
Не выбрано
Легковые автомобили
Грузовые автомобили и прицепы
Автобусы
Сельхозтехника
Спецтехника
Двигатели
Мототехника
Марка
Не выбрано
AGCO
Amity
CASE IH
DongFeng
Fortschritt
Foton
Franz Kleine
Gaspardo
Great Plains
KRONE
KUHN
Lemken
Lovol
MacDon
Massey Ferguson
New Holland
TIGARBO
Vaderstad
Versatile
Wirax
Агро
Агротехмаш
Бобруйскагромаш (ОАО «УКХ «Бобруйскагромаш»)
БЭМЗ
ВгТЗ
Воронежсельмаш
ВТЗ
Гомсельмаш
ДКЗ
ЗАО "Техника-сервис"
ЗиД
КЗК
Кировец-Ландтехник
Клевер
Красная Звезда
Лидагропроммаш
Лидсельмаш
ЛТЗ
Машстройхолдинг
Минитракторы
Мордовагромаш
МТЗ
Навигатор-Новое машиностроение
Нефтекамский автозавод
ПТЗ
Ремком
РСМ
Сибсельмаш
ТеКЗ
ТКЗ
ХЗТСШ
ХТЗ
ЮМЗ
Модель
Не выбрано
1025.5 (2013)
1025/1025.2/1025.3 (2009)
1220 (2011)
1220.5 (2013)
1523.5 (2013)
1523.5 с ГМТ (2014)
2122.3/2122.4 (2015)
3022ДЦ.1 (2011)
320.4М (2019)
622 (2012)
800/900 (2003)
80Х (2012)
892 (2011)
922.3 / 922.4 (2013)
922.5 (2013)
923.4 (2014)
923.5 (2013)
92П (2010)
952.5 (2013)
БЕЛАРУС 1025.7 (2022)
БЕЛАРУС 1220.7 (2022)
БЕЛАРУС 1221.7 (2022)
БЕЛАРУС 2103 (2015)
БЕЛАРУС 320 (1998)
БЕЛАРУС 3522.5 (2013)
БЕЛАРУС 3525 (2019)
БЕЛАРУС 421 (2014)
БЕЛАРУС 451 (2023)
БЕЛАРУС 651 (2023)
БЕЛАРУС 923.7 (2022)
БЕЛАРУС 952.7 (2022)
Беларус-08Н (09Н) (2015)
Беларус-422.1 (2018)
КБ-00.000 (САЗ) (2015)
КМ-2 (САЗ) (2015)
МТЗ-082
МТЗ-100
МТЗ-1005 (2008)
МТЗ-1021.3 (2010)
МТЗ-1025.4 (2009)
МТЗ-112Н, 132Н (2010)
МТЗ-1221 (1997)
МТЗ-1221 (2009) (2009)
МТЗ-1221.4 (2009)
МТЗ-1221.4 (2009)
МТЗ-1221.5 (2013)
МТЗ-1222/1523 (2009)
МТЗ-1522 (2008)
МТЗ-1523
МТЗ-1523 (2013)
МТЗ-1523 (2008) (2008)
МТЗ-1523.4 (2010)
МТЗ-1523.6 (2018)
МТЗ-2022 (2010)
МТЗ-2103 (2010)
МТЗ-2522 (2010)
МТЗ-310, 320, 321 (2011)
МТЗ-3522 (2011)
МТЗ-510/512, 520/522 (2010)
МТЗ-570 (2010)
МТЗ-80 (1998)
МТЗ-80 (2002) (2002)
МТЗ-80 (2009) (2009)
МТЗ-80.1 (2015)
МТЗ-821/921 (2009)
МТЗ-822 (2008)
МТЗ-826 (2010)
МТЗ-90/92 (2008)
МТЗ-900
МТЗ-900/920/950/952 (2009)
МТЗ-920.4/952.4 (2009)
МТЗ-922 (2008)
МТЗ-923 (2008)
ФР-00.010 (САЗ) (2015)
ФР-00700-Б (САЗ) (2015)
Схема
>
Не выбрано
Кабина (тент-каркас)
Кабина (тент-каркас)
Сиденье оператора
Сиденье, механизм регулировки
Козырек противосолнечный
Подножка
Облицовка радиатора, капот
Крылья передние (Для тракторов «БЕЛАРУС-510/510.1/520»)
Крылья передние (Для тракторов «БЕЛАРУС-512/512.1/522»)
Установка передней опоры. Блок цилиндров. Установка привода и счетчика
Установка головки цилиндров и впускного тракта (для двигателей Д-242)
Установка головки цилиндров и впускного тракта (для двигателей Д-244)
Поршни и шатуны. Коленчатый вал. Маховик
Установка муфты сцепления
Распределительный механизм
Установка выпускного коллектора
Установка картера масляного
Установка насоса шестеренного
Установка воздухоочистителя
Установка масляного насоса
Радиатор масляный
Установка центробежного фильтра
Установка пневмокомпрессора (для двигателей Д-242)
Установка крышки (для двигателей Д-244)
Установка генератора
Установка электрофакельного подогревателя (для двигателей Д-242)
Глушитель
Установка топливной аппаратуры
Фильтр топливный тонкой очистки
Фильтр топливный грубой очистки
Баки топливные
Управление подачей топлива
Установка корпуса термостата
Установка водяного насоса. Установка вентилятора
Радиатор водяной. Подвеска радиатора водяного
Ограждение вентилятора (по заказу)
Установка сцепления 240-1005009
Корпус сцепления
Корпус сцепления. Отводка
Корпус сцепления (привод ВОМ, привод насоса гидросистемы навески)
Корпус сцепления. Валы
Управление сцеплением
Коробка передач. Корпус коробки передач
Вал 1 -й передачи и заднего хода
Вал первичный. Вал вторичный
Крышка коробки передач
Вал внутренний. Вал промежуточный
Вал муфты
Раздаточная коробка привода ПВМ. (Для тракторов «БЕЛАРУС-512/512.1/522»)
Карданный вал. Промежуточная опора карданного вала. (Для тракторов«БЕЛАРУС-512/512.1/522»)
Ограждение карданного вала. (Для тракторов «БЕЛАРУС-512/512.1/522»)
Передний ведущий мост. (Для тракторов «БЕЛАРУС-512/512.1/522»)
Шестерня. (Для тракторов «БЕЛАРУС-512/512.1/522»)
Дифференциал (Для тракторов «БЕЛАРУС-512/512.1/522»)
Редуктор колесный (Для тракторов «БЕЛАРУС-512/512.1/522»)
Корпус заднего моста. Конечная передача
Дифференциал. Стакан подшипников
Механизм блокировки дифференциала
Датчик блокировки дифференциала, арматура датчика блокировки
Управление блокировкой дифференциала
Полурама
Крюк прицепной гидрофицированный
Ось передняя и тяга рулевая
Колеса передние направляющие. Ступицы передних колес
Колеса передние ведущие
Колеса задние. Ступицы задних колес
Привод управления рулевого
Гидроагрегаты и арматура ГУР
Цилиндр ГУР
Распределитель ГУР
Трубопроводы и арматура однопроводного пневмопривода тормозов прицепа
Кран тормозной (однопроводный)
Баллон
Тормоза рабочие, управление тормозами
Тормоз стояночный
Электрооборудование двигателя
Электрооборудование кабины
Установка аккумуляторных батарей
Генератор
Стартер
Установка фонарей передних
Установка фар рабочих и фонарей задних
Установка розетки и фонарей освещения номерного знака
Щиток приборов
Вал отбора мощности задний
Приводной шкив
Вал отбора мощности боковой
Управление ВOM
Балласт передний
Механизм задней навески (для тракторов с силовым регулятором и без силового регулятора)
Наружная блокировка нижних тяг (для тракторов с силовым регулятором и без силового регулятора по заказу)
Механизм фиксации
Управление гидроузлами
Арматура корпуса гидроагрегатов
Гидроагрегаты и арматура
Корпус гидроагрегатов, фильтр и привод гидронасоса
Корпус гидроагрегатов, фильтр и привод гидронасоса
Гидроцилиндр Ц 100x200
Гидрораспределитель Р80-3/4-222-3 Гг
Запорное устройство
Инструмент оператора
Аптечка санитарная
Ящик инструментальный
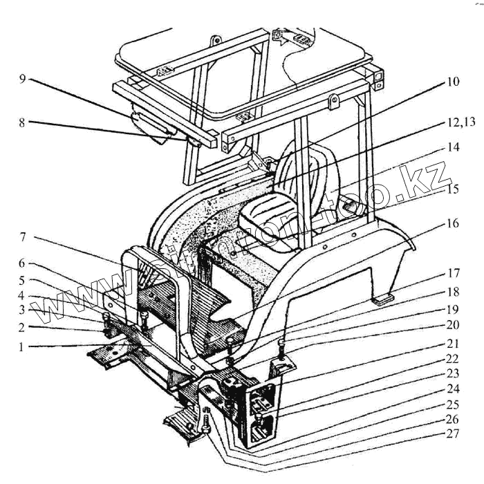
1
2
3
4
5
6
7
8
9
10
12
13
14
15
16
17
18
19
20
21
22
23
24
25
26
27
Позиция на иллюстрации
Заводской номер детали
Название детали
1
70-6702260
Короб пола
2
С 6.01.019
Шайба
3
M6-6gx16.88.35.019
Болт
4
С 8.01.019
Шайба
5
8Т
Шайба
6
M8-6gx20.88.35.019
Болт
7
70-6702056
Прижим
8
40-8201010-А
Зеркало
9
80П-8204010
Козырек противосолнечный
10
4x10.019
Шуруп
12
70-6702188-01
Обивка
13
70-6702189-01
Обивка
14
70-6800000-А-02
Сиденье
15
70-6702088-01
Обивка
16
70-6702074-Б
Коврик пола
17
M10-6gx25.88.35.019
Болт
18
70-8405114
Втулка
19
M10-6gx20.88.35.019
Болт
20
70-6702140
Панель пола
21
10 ОТ
Шайба
22
М10-6Н.6.019
Гайка
23
70-8405112
Подножка
24
16 ОТ
Шайба
25
70-8405113
Упор
26
16 ОТ
Шайба
27
M16-6gx32.88.35.019
Болт
Содержащиеся в справочниках-каталогах запасные части и детали не предлагаются к продаже, а носят исключительно информационный характер
Дополнительная информация
×
Название:
Номер:
Примечание: