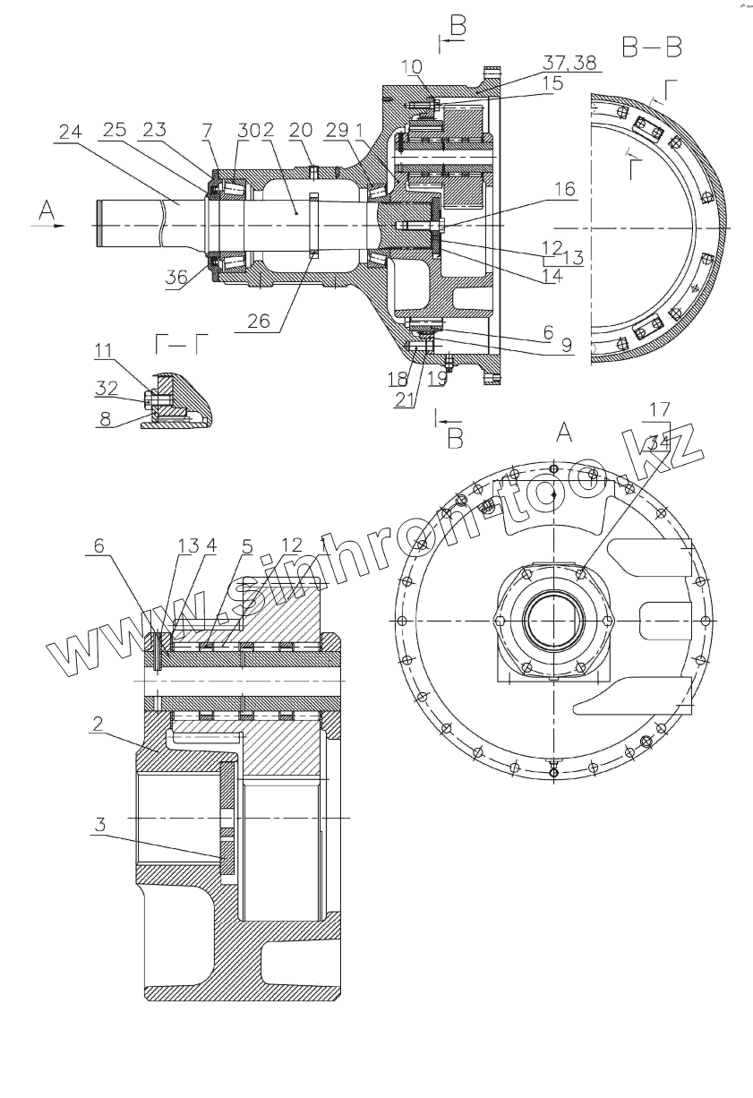
Каталог запасных частей к технике: МТЗ-3522. Конечная передача. Водило.
2522-2407500-А-01
2522-2407535
2522-2407500-А
1
1
2
2
3
4
5
6
6
6
7
8
9
10
11
12
12
12
13
13
13
14
15
16
17
18
19
21
23
24
26
29
30
32
34
36
37
38
| Позиция на иллюстрации | Заводской номер детали | Название детали | |
|---|---|---|---|
| 2522-2407500-А-01 | 2522-2407500-А-01 | Конечная передача правая | |
| 2522-2407535 | 2522-2407535 | Водило | |
| 2522-2407500-А | 2522-2407500-А | Конечная передача левая | |
| 1 | 2522-2405035 | Сателлит | |
| 2 | 2522-2407536-А1 | Водило | |
| 3 | 2522-2407537 | Шайба | |
| 4 | 2522-2407538 | Шайба сателлита | |
| 5 | 2522-2407539 | Шайба распорная | |
| 6 | 2522-2405050 | Шестерня ведомая | |
| 6 | 2522-2407556 | Ось сателлита | |
| 7 | 2522-2407029 | Прокладка | |
| 8 | 2522-2407501 | Упор | |
| 9 | 2522-2407502 | Ступица эпицикла | |
| 10 | 2522-2407503 | Пластина | |
| 11 | 2522-2407504 | Пластина | |
| 12 | 2522-2407506 | Прокладка | |
| 12 | Ролик10х30II | Ролик 10х30 II | |
| 13 | ШтифтA8х4065Г | Штифт A8х40 65Г | |
| 13 | 2522-2407506-01 | Прокладка | |
| 14 | 2522-2407507 | Шайба | |
| 15 | 2522-3502042 | Болт | |
| 16 | 2522-2407511 | Болт | |
| 17 | 1221-2407505 | Болт | |
| 18 | 1221-2407512 | Штифт | |
| 19 | ПробкаПККГ3/8 | Пробка ПК КГ 3/8 | |
| 21 | Кольцо54.38.619 | Кольцо 54.38.619 | |
| 23 | 2522-2407028 | Крышка | |
| 24 | 2522-24017082-А1 | Полуось в сборе с втулкой | |
| 26 | 1221-2407509 | Диск зубчатый | |
| 29 | 7520А | Подшипник | |
| 30 | 7522А | Подшипник | |
| 32 | БолтM12-6gx20.88.35.019 | Болт | |
| 34 | Шайба14ОТ | Шайба | |
| 36 | Манжета2.2-135х160-1 | Манжета | |
| 37 | 2522-2407018 | Рукав левый | |
| 38 | 2522-2407018-01 | Рукав правый |
Содержащиеся в справочниках-каталогах запасные части и детали не предлагаются к продаже, а носят исключительно информационный характер