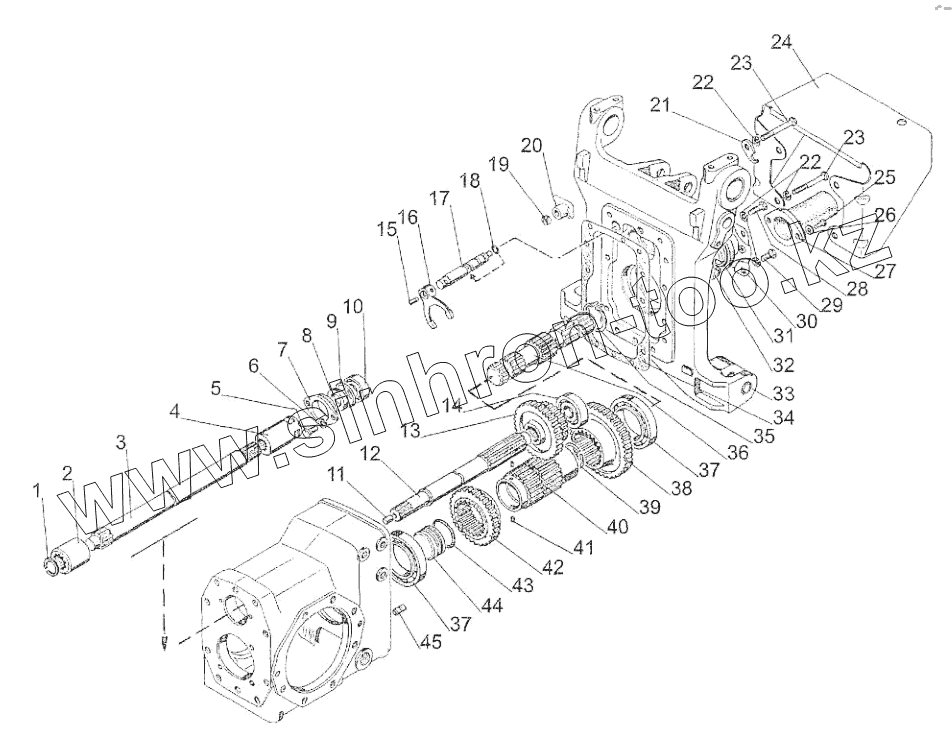
Каталог запасных частей к технике: МТЗ-310, 320, 321. Вал отбора мощности задний
1
2
3
4
5
6
7
8
9
10
11
12
13
14
15
16
17
18
19
20
21
22
22
23
23
24
25
26
27
28
29
30
31
32
33
34
35
36
37
37
38
39
40
41
42
43
44
45
| Позиция на иллюстрации | Заводской номер детали | Название детали | |
|---|---|---|---|
| 1 | С30 | Кольцо | |
| 2 | 320-2403018 | Втулка | |
| 3 | 320-4202017 | Вал | |
| 4 | 220-2402018 | Втулка | |
| 5 | М6-6gx20.88.35.019 | Болт | |
| 6 | Шайба6Т | Шайба | |
| 7 | 220-2401014 | Крышка | |
| 8 | 2.2-25х42-1 | Манжета | |
| 9 | 045-050-30-2-2 | Кольцо | |
| 10 | 205К | Шарикоподшипник | |
| 11 | 2.8х20 | Штифт | |
| 12 | 320-4202019 | Вал | |
| 13 | 320-4202016 | Блок-шестерня | |
| 14 | 305А | Подшипник | |
| 15 | ШЦК4х20 | Штифт | |
| 16 | 320-4216021 | Вилка | |
| 17 | 320-4216022 | Валик | |
| 18 | 013-017-25-1-4 | Кольцо | |
| 19 | М8-6Н.6.019 | Гайка | |
| 20 | 70-4803060 | Рукоятка | |
| 21 | 320-4216023 | Пластина | |
| 22 | Шайба12.ОТ | Шайба | |
| 23 | М12-6gx75.88.35.019 | Болт | |
| 24 | 320-4202038 | Ограждение | |
| 25 | М8-6gx16.88.35.019 | Болт | |
| 26 | Шайба8Т | Шайба 8Т | |
| 27 | 50-4202065-А | Колпак | |
| 28 | М12-6gx45.88.35.019 | Болт | |
| 29 | М12-6gx25.88.35.019 | Болт | |
| 30 | 220-4202030 | Плита | |
| 31 | 2.2-60х85-1 | Манжета | |
| 32 | ПККГ3/8 | Пробка | |
| 33 | 320-2401021 | Крышка | |
| 34 | 220-2401017 | Прокладка | |
| 35 | 220-4202027 | Кольцо стопорное | |
| 36 | 320-4202022 | Хвостовик | |
| 37 | 112 | Подшипник | |
| 38 | 320-4202026 | Шестерня | |
| 39 | С45 | Кольцо | |
| 40 | 320-4202021 | Вал | |
| 41 | 2.5х10 | Штифт | |
| 42 | 320-4202024 | Шестерня | |
| 43 | 045-050-30-2-2 | Кольцо | |
| 44 | 220-4202023 | Заглушка | |
| 45 | 52-2308094 | Штифт |
Содержащиеся в справочниках-каталогах запасные части и детали не предлагаются к продаже, а носят исключительно информационный характер