Вернуться на главную
Поиск
Каталоги запчастей к технике
Сельхозтехника
МТЗ
МТЗ-310, 320, 321
Управление блокировкой дифференциала
Каталог запасных частей к технике: МТЗ-310, 320, 321. Управление блокировкой дифференциала
zoom-in
zoom-out
enlarge
shrink
circle-right
circle-left
file-text2
info
cart
Тип техники
Не выбрано
Легковые автомобили
Грузовые автомобили и прицепы
Автобусы
Сельхозтехника
Спецтехника
Двигатели
Мототехника
Марка
Не выбрано
AGCO
Amity
CASE IH
DongFeng
Fortschritt
Foton
Franz Kleine
Gaspardo
Great Plains
KRONE
KUHN
Lemken
Lovol
MacDon
Massey Ferguson
New Holland
TIGARBO
Vaderstad
Versatile
Wirax
Агро
Агротехмаш
Бобруйскагромаш (ОАО «УКХ «Бобруйскагромаш»)
БЭМЗ
ВгТЗ
Воронежсельмаш
ВТЗ
Гомсельмаш
ДКЗ
ЗАО "Техника-сервис"
ЗиД
КЗК
Кировец-Ландтехник
Клевер
Красная Звезда
Лидагропроммаш
Лидсельмаш
ЛТЗ
Машстройхолдинг
Минитракторы
Мордовагромаш
МТЗ
Навигатор-Новое машиностроение
Нефтекамский автозавод
ПТЗ
Ремком
РСМ
Сибсельмаш
ТеКЗ
ТКЗ
ХЗТСШ
ХТЗ
ЮМЗ
Модель
Не выбрано
1025.5 (2013)
1025/1025.2/1025.3 (2009)
1220 (2011)
1220.5 (2013)
1523.5 (2013)
1523.5 с ГМТ (2014)
2122.3/2122.4 (2015)
3022ДЦ.1 (2011)
320.4М (2019)
622 (2012)
800/900 (2003)
80Х (2012)
892 (2011)
922.3 / 922.4 (2013)
922.5 (2013)
923.4 (2014)
923.5 (2013)
92П (2010)
952.5 (2013)
БЕЛАРУС 1025.7 (2022)
БЕЛАРУС 1220.7 (2022)
БЕЛАРУС 1221.7 (2022)
БЕЛАРУС 2103 (2015)
БЕЛАРУС 320 (1998)
БЕЛАРУС 3522.5 (2013)
БЕЛАРУС 3525 (2019)
БЕЛАРУС 421 (2014)
БЕЛАРУС 451 (2023)
БЕЛАРУС 651 (2023)
БЕЛАРУС 923.7 (2022)
БЕЛАРУС 952.7 (2022)
Беларус-08Н (09Н) (2015)
Беларус-422.1 (2018)
КБ-00.000 (САЗ) (2015)
КМ-2 (САЗ) (2015)
МТЗ-082
МТЗ-100
МТЗ-1005 (2008)
МТЗ-1021.3 (2010)
МТЗ-1025.4 (2009)
МТЗ-112Н, 132Н (2010)
МТЗ-1221 (1997)
МТЗ-1221 (2009) (2009)
МТЗ-1221.4 (2009)
МТЗ-1221.4 (2009)
МТЗ-1221.5 (2013)
МТЗ-1222/1523 (2009)
МТЗ-1522 (2008)
МТЗ-1523
МТЗ-1523 (2013)
МТЗ-1523 (2008) (2008)
МТЗ-1523.4 (2010)
МТЗ-1523.6 (2018)
МТЗ-2022 (2010)
МТЗ-2103 (2010)
МТЗ-2522 (2010)
МТЗ-310, 320, 321 (2011)
МТЗ-3522 (2011)
МТЗ-510/512, 520/522 (2010)
МТЗ-570 (2010)
МТЗ-80 (1998)
МТЗ-80 (2002) (2002)
МТЗ-80 (2009) (2009)
МТЗ-80.1 (2015)
МТЗ-821/921 (2009)
МТЗ-822 (2008)
МТЗ-826 (2010)
МТЗ-90/92 (2008)
МТЗ-900
МТЗ-900/920/950/952 (2009)
МТЗ-920.4/952.4 (2009)
МТЗ-922 (2008)
МТЗ-923 (2008)
ФР-00.010 (САЗ) (2015)
ФР-00700-Б (САЗ) (2015)
Схема
>
Не выбрано
Кабина 220-6700010
Кабина (для тракторов «БЕЛАРУС-310.3/320/320.3/320.4/310P/320P/321»)
Двери кабины
Кабина (тент)
Кабина (дуга)
Установка панелей (для тракторов «БЕЛАРУС-321»)
Установка панелей (для тракторов «БЕЛАРУС-310Р/320Р»)
Дуга (для тракторов «БЕЛАРУС-321»)
Тент (для тракторов «БЕЛАРУС-310Р/320Р»)
Сиденье оператора 80-6800010/80-6800010-01
Сиденье оператора 80В-6804000
Подвеска сиденья
Сиденье оператора GT500 M2-0 (по заказу)
Система отопления и вентиляции
Зеркало наружное
Зеркало наружное (для тракторов «БЕЛАРУС-310Р/320Р/321»)
Козырек противосолнечный
Облицовка
Крылья передних колес
Подножки (для тракторов «БЕЛАРУС-310.3/320/320.3/320.4»)
Установка двигателя
Бак топливный (Для тракторов «БЕЛАРУС-310.3/320/320.3/320.4»)
Бак топливный (Для тракторов «БЕЛАРУС-321»)
Бак топливный (Для тракторов «БЕЛАРУС-310Р/320Р»)
Управление подачей топлива
Тракт воздухопроводящий
Глушитель 320-1205010
Глушитель 320-1205010-01
Радиатор водяной
Сцепление
Управление сцеплением (для тракторов «БЕЛАРУС-310Р/320Р/321»)
Управление сцеплением (для тракторов «БЕЛАРУС-310.3/320/320.3/320.4»)
Коробка передач
Вал первичный. Вал I промежуточный
Вал промежуточный II. Вал выходной
Вал привода ВОМ
Механизм управления коробкой передач
Привод карданный
Передний ведущий мост. Корпус и рукава переднего ведущего моста
Дифференциал, главная передача переднего ведущего моста
Редуктор конечной передачи переднего ведущего
Корпус заднего моста
Дифференциал (для тракторов «БЕЛАРУС-310.3/320/320.3/320.4/321»)
Дифференциал (для тракторов «БЕЛАРУС-310Р/320Р»
Конечная передача (для тракторов «БЕЛАРУС-310.3/320/320.3/320.4/321»)
Конечная передача (для тракторов «БЕЛАРУС-310Р/320Р»)
Управление блокировкой дифференциала
Тягово-сцепное устройство ТСУ-1М 320-2707010-Б, 320-2707010-Б-01
Тягово-сцепное устройство ТСУ-1М П320-2707010
Полурама в сборе
Буксир передний
Балласт
Тяги рулевые
Ось передняя (для тракторов «БЕЛАРУС-310.3/310Р»)
Колеса передние направляющие
Колеса передние ведущие (для тракторов «БЕЛАРУС-320/320.3/320.4/321»)
Колеса передние ведущие (для тракторов «БЕЛАРУС-320Р»)
Колеса задние ведущие (для тракторов «БЕЛАРУС-310.3/320/320.3/320.4/321»)
Колеса задние ведущие (для тракторов «БЕЛАРУС-310Р/320Р»)
Управление рулевое гидрообъемное
Управление рулевое гидрообъемное (для тракторов «БЕЛАРУС-321»)
Колонка рулевая
Цилиндр Ц40х160
Тормоза. Управление тормозами
Тормоз стояночно-запасной (для тракторов «БЕЛАРУС-310.3/320/320.3/320.4/321»)
Управление стояночно-запасным тормозом (для тракторов «БЕЛАРУС-320Р/310Р»)
Установка пневмопривода (для тракторов «БЕЛАРУС-310.3/320/320.3/320.4»)
Установка компрессора (для тракторов «БЕЛАРУС-310.3/320/320.3/320.4»)
Установка регулятора давления (для тракторов «БЕЛАРУС-310.3/320/320.3/320.4»)
Установка баллона (для тракторов «БЕЛАРУС-310.3/320/320.3/320.4»)
Установка крана тормозного (для тракторов «БЕЛАРУС-310.3/320/320.3/320.4»)
Установка головки соединительной
Электрооборудование двигателя
Электрооборудование кабины (для тракторов «БЕЛАРУС-310.3/320/320.3/320.4»)
Электрооборудование кабины (для тракторов «БЕЛАРУС-310Р/320Р/321»)
Электрооборудование крыши. Установка маяка сигнального.
Установка аккумуляторных батарей (для тракторов «БЕЛАРУС-310Р/320Р/321»)
Установка фар дорожных
Установка фонарей передних
Установка фонарей задних
Электрооборудование отопителя
Установка стеклоочистителей
Установка омывателя
Щиток приборов (для тракторов, выпущенных до 01.2011г.)
Щиток приборов (для тракторов, выпущенных после 01.2011г.)
Вал отбора мощности задний
Управление задним валом отбора мощности
Вал отбора мощности передний
Механизм задней навески 321-4605010/-01/-02 (для тракторов «БЕЛАРУС-321»)
Механизм задней навески 320-4605010
Механизм передней навески 220-4606020-А/-01/-02
Гидросистема 320-4600010 (для тракторов «БЕЛАРУС-310.3/320/320.3/320.4»)
Гидросистема 321-4600010 (для тракторов «БЕЛАРУС-321»)
Гидросистема 320Р-4600010 (для тракторов «БЕЛАРУС-310Р/320Р»)
Бак масляный 321-4608110
Гидроцилиндр
Привод насоса
Инструмент оператора (по заказу)
Аптечка (по заказу)
1
1
2
2
3
3
4
5
5
6
6
6
6
7
7
8
8
9
10
11
11
12
13
14
15
16
17
18
19
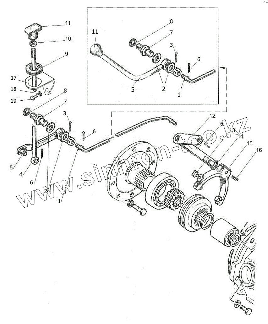
Позиция на иллюстрации
Заводской номер детали
Название детали
220-2411010-01
220-2411010-01
Управление блокировкой дифференциала
220-2411010-02
220-2411010-02
Управление блокировкой дифференциала
220-2411010
220-2411010
Управление блокировкой дифференциала
1
220-2411012
Тяга
2
А12.01.019ГОСТ11371-78
Шайба
3
4х22.019ГОСТ397-79
Шплинт
4
220-2411011220-2411011-01
Тяга
5
220-2411030321-2411030
Рычаг
6
3,2х18.019
Шплинт
7
220-3503023
Ось
8
Шайба12.ОТ
Шайба
9
70-3723042-02
Втулка
10
М8-6Н.6.019
Гайка
11
50-1310136-А
Рукоятка
11
70-3401093
Наконечник
12
220-2409025
Рычаг
13
05-4216013
Сухарь
14
013-017-25-1-4
Кольцо
15
220-2409020
Вилка
16
ШЦК4x30
Штифт
17
320Р-2411014
Кронштейн
18
Шайба6Т
Шайба
19
М6-6gx16.88.35.019
Болт
Содержащиеся в справочниках-каталогах запасные части и детали не предлагаются к продаже, а носят исключительно информационный характер
Дополнительная информация
×
Название:
Номер:
Примечание: