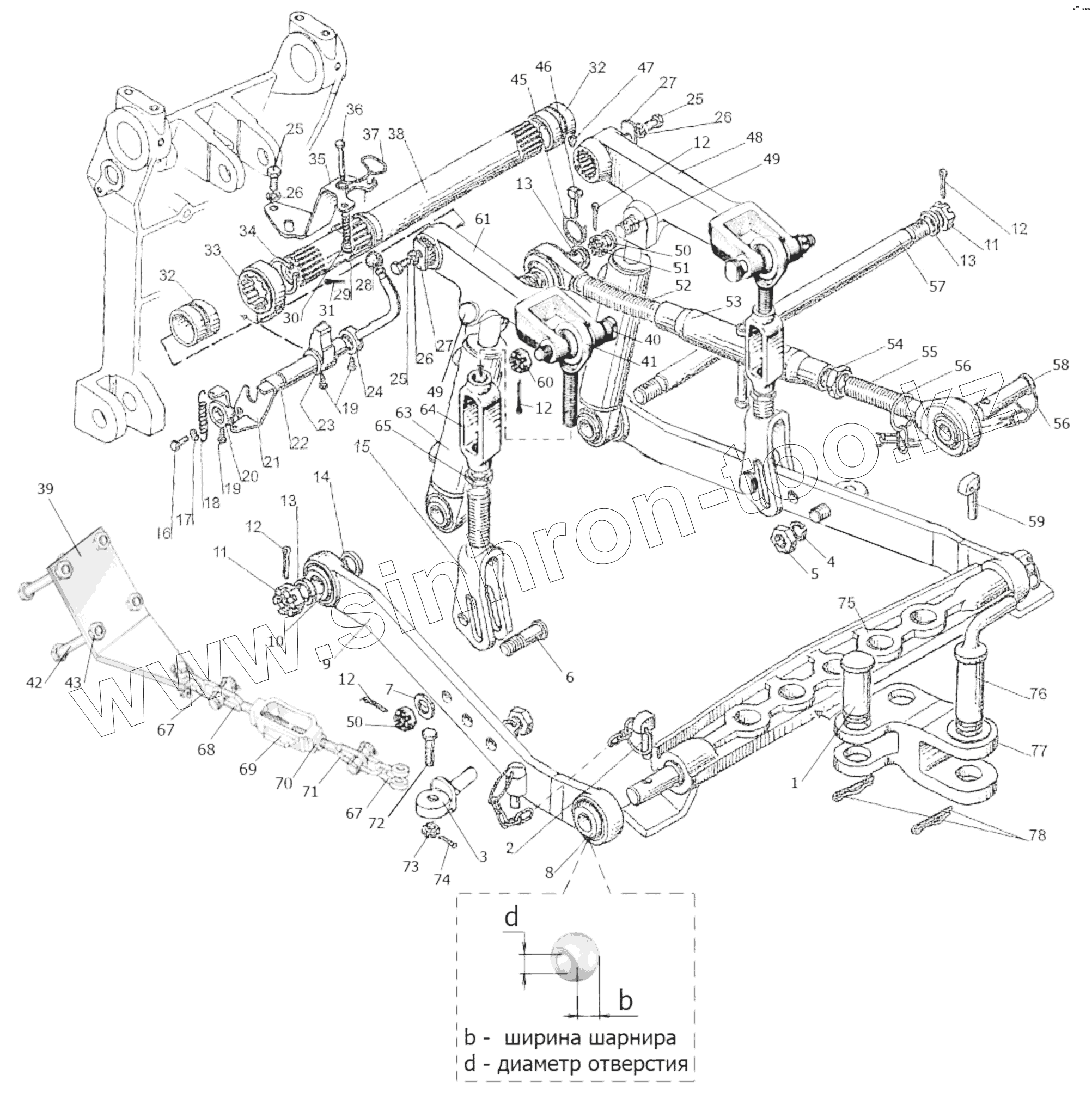
Каталог запасных частей к технике: МТЗ-310, 320, 321. Механизм задней навески 320-4605010
1
2
3
4
5
6
7
8
8
9
10
11
11
12
12
12
12
12
13
13
13
14
15
16
17
18
19
19
20
21
22
23
24
25
25
25
26
26
26
27
27
28
29
30
31
32
32
33
34
35
36
37
38
39
39
39
40
41
41
42
43
45
46
47
48
49
49
50
50
51
52
53
54
55
55
55
56
56
57
58
58
58
59
60
61
63
64
65
67
67
68
69
70
71
72
73
74
75
76
77
78
| Позиция на иллюстрации | Заводской номер детали | Название детали | |
|---|---|---|---|
| 320-4605020-Б | 320-4605020-Б | Раскос | |
| 320-4605010-А | 320-4605010-А | Устройство навесное | |
| 220-4605100 | 220-4605100 | Стяжка | |
| 320-4605090-Б-01 | 320-4605090-Б-01 | Тяга | |
| 320-4605090-Б | 320-4605090-Б | Тяга | |
| 320-4605040-03 | 320-4605040-03 | Тяга | |
| 320-4605040-04 | 320-4605040-04 | Тяга | |
| 320-4605020-Б-01 | 320-4605020-Б-01 | Раскос | |
| 320-4605040-02 | 320-4605040-02 | Тяга | |
| 1 | 320-4605112 | Палец | |
| 2 | A61.05.100-03 | Чека | |
| 3 | 220-4605092 | Проушина | |
| 4 | 16.ОТ | Шайба | |
| 5 | М16-6Н.04.019 | Гайка | |
| 6 | 320-4605094-Б | Болт | |
| 7 | С16.01.019 | Шайба | |
| 8 | А61.06.001-01 | Шарнир | |
| 8 | 70-4605411 | Шарнир | |
| 9 | 320-4605091-Б | Тяга | |
| 10 | 70-4605411 | Шарнир | |
| 11 | М20х1,5-6Н.04.019 | Гайка | |
| 12 | 4х36.019 | Шплинт | |
| 13 | 082-4605016 | Втулка | |
| 14 | 320-4605016 | Втулка | |
| 15 | 320-4605061-Б | Вилка | |
| 16 | М8-6gx16.88.35.019 | Болт | |
| 17 | Шайба8Т | Шайба 8Т | |
| 18 | Ш33-016 | Пружина | |
| 19 | М6-6gx14.88.35.019 | Болт | |
| 20 | 320-4605130 | Кронштейн | |
| 21 | 320-4605027 | Кронштейн | |
| 22 | 320-4605026 | Ось | |
| 23 | 320-4605017 | Рычаг | |
| 24 | 320-4605140 | Рукоятка | |
| 25 | М10-6gx18.88.35.019 | Болт | |
| 26 | Шайба10.ОТ | Шайба | |
| 27 | 082-4605019 | Шайба | |
| 28 | 36-1310139 | Шарик | |
| 29 | 320-4605152 | Пружина | |
| 30 | С8.01.019 | Шайба | |
| 31 | 3,2х18.019 | Шплинт | |
| 32 | 082-4605018 | Втулка | |
| 33 | 220-4605013 | Упор | |
| 34 | С42 | Кольцо | |
| 35 | 320-4605160 | Кронштейн | |
| 36 | 320-4605153 | Палец | |
| 37 | 320-4605151 | Защелка | |
| 38 | 320-4605012-Б | Вал | |
| 39 | 320-4605031-Б | Кронштейн | |
| 39 | 320-4605031-01 | Кронштейн | |
| 39 | 320-4605031 | Кронштейн | |
| 40 | 320-4605024-Б | Болт | |
| 41 | 320-4605065 | Винт | |
| 41 | 320-4605065-01 | Винт | |
| 42 | 215-6700014 | Шпилька | |
| 43 | М14х1,5-6Н.6.019 | Гайка | |
| 44 | Шайба14.ОТ | Шайба | |
| 45 | A61.05.004 | Кольцо | |
| 46 | A61.05.005 | Чека | |
| 47 | 1.3.Ц9.хр | Масленка | |
| 48 | 320-4605011-Б | Рычаг | |
| 49 | 320-4605122 | Палец | |
| 50 | 082-4605017 | Втулка | |
| 51 | М16-6Н.04.019 | Гайка | |
| 52 | 320-4605050-01 | Винт | |
| 53 | 320-4605070-01 | Труба | |
| 54 | 320-4605044 | Контргайка | |
| 55 | 320-4605050 | Винт с отверстием в шарнире d.19,3мм | |
| 55 | 320-4605050-02 | Винт с отверстием в шарнире d.22,5мм | |
| 55 | 320-4605050-03 | Винт с отверстием в шарнире d.25,7мм | |
| 56 | A61.03.002 | Кольцо | |
| 57 | 320-4605014 | Ось | |
| 58 | 220-4605041 | Палец d.19 | |
| 58 | А61.03.001-02 | Палец | |
| 58 | А61.03.001-01 | Палец диаметр 25 мм | |
| 59 | A61.05.100 | Чека с цепочкой | |
| 60 | 70-3003032 | Гайка | |
| 61 | 320-4605011-Б-01 | Рычаг | |
| 63 | Ц50х120.010 | Гидроцилиндр | |
| 64 | 320-4605021-Б | Стяжка | |
| 65 | 320-4605044 | Контргайка | |
| 67 | 220-4605103 | Серьга | |
| 68 | 220-4605101 | Винт | |
| 69 | 220-4605102 | Стяжка | |
| 70 | М14-6Н.6.019 | Гайка | |
| 71 | 220-4605101-01 | Винт | |
| 72 | 2М10-6gx45.88.35.019 | Болт | |
| 73 | М10-6Н.6.019 | Гайка | |
| 74 | 2х20.019 | Шплинт | |
| 75 | 320-4605115 | Поперечина | |
| 76 | 320-4605113 | Шкворень | |
| 77 | 320-4605111 | Вилка | |
| 78 | A61.07.001 | Шплинт |
Содержащиеся в справочниках-каталогах запасные части и детали не предлагаются к продаже, а носят исключительно информационный характер