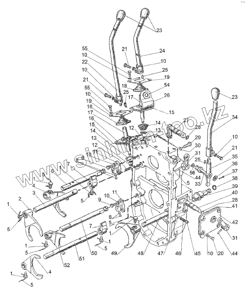
Каталог запасных частей к технике: МТЗ-310, 320, 321. Механизм управления коробкой передач
1
1
1
1
1
1
1
2
3
4
4
5
5
5
5
5
5
5
5
6
7
7
8
8
9
9
10
10
10
10
10
10
10
10
11
11
12
12
13
13
14
14
15
15
16
17
17
18
18
19
19
20
21
21
21
22
22
22
23
23
23
23
24
24
24
25
25
25
26
27
28
28
29
30
31
31
33
34
35
36
37
38
39
40
41
42
44
44
45
46
47
48
49
50
51
52
54
55
55
56
| Позиция на иллюстрации | Заводской номер детали | Название детали | |
|---|---|---|---|
| 220-1702100 | 220-1702100 | Крышка | |
| 220-1702060 | 220-1702060 | Рычаг | |
| 220-1702340 | 220-1702340 | Рычаг | |
| 1 | 220-1702061 | Болт | |
| 2 | 220-1702029 | Вилка | |
| 3 | 220-1702036 | Поводок | |
| 4 | 220-1702028 | Вилка | |
| 5 | 1,6-О-С | Проволока | |
| 6 | 220-1702035 | Поводок | |
| 7 | 220-1702080 | Поводок | |
| 8 | 10,0-60 | Шарик ГОСТ 3722-81 | |
| 9 | 4М8-6gх20.88.35.019 | Болт ГОСТ 7796-70 | |
| 10 | Шайба8Т | Шайба 8Т | |
| 11 | 220-1702059-А | Корпус | |
| 12 | 3,2x18.019 | Шплинт | |
| 13 | С12.01.019 | Шайба | |
| 14 | 220-1702324 | Пружина | |
| 15 | 220-1702055-А | Прокладка | |
| 16 | 220-1702054 | Пластина | |
| 17 | 220-1702050 | Рычаг | |
| 18 | 220-1702067 | Чехол | |
| 19 | 220-1702052 | Планка | |
| 20 | М8-6gх25.88.35.019 | Болт | |
| 21 | М8-6gх30.88.35.019 | Болт | |
| 22 | 215-1702300 | Рычаг | |
| 22 | 220-1702300 | Рычаг | |
| 22 | 321-1702300 | Рычаг | |
| 23 | А61.01.014 | Рукоятка | |
| 23 | А61.01.014 | Рукоятка | |
| 23 | 70-3401093 | Наконечник | |
| 24 | 321-1702330 | Рычаг | |
| 24 | 220-1702330 | Рычаг | |
| 24 | 215-1702330 | Рычаг | |
| 25 | 3x5Г | Шпонка | |
| 26 | 220-1702328 | Кронштейн | |
| 27 | 220-1702350 | Рычаг | |
| 28 | 013-017-25-1-4 | Кольцо | |
| 29 | 220-1702056-Б | Винт | |
| 30 | 36-1104788 | Прокладка | |
| 31 | 220-1702046 | Рычаг | |
| 33 | 220-3503023 | Ось | |
| 34 | 220-1702310 | Рычаг | |
| 35 | 220-1702322 | Рычаг | |
| 36 | С12.01.019 | Шайба | |
| 37 | 4x22.019 | Шплинт | |
| 38 | 011-015-25-2-4 | Кольцо | |
| 39 | 220-1702065 | Втулка | |
| 40 | 220-1702350-01 | Рычаг | |
| 41 | 220-1702066-Б | Прокладка | |
| 42 | 220-1702058-А-01 | Крышка | |
| 44 | 70-4202431 | Штифт | |
| 45 | 220-1702201 | Винт | |
| 46 | 220-1702325 | Пружина | |
| 47 | 7,938-100 | Шарик | |
| 48 | 220-1702071-Б | Поводок | |
| 49 | 220-1702031 | Вилка | |
| 50 | 220-1702037 | Поводок | |
| 51 | 220-1702041 | Поводок | |
| 52 | 220-1702027 | Вилка | |
| 54 | 220-1702327 | Втулка | |
| 55 | М8-6gх20.88.35.019 | Болт | |
| 56 | 12.ОТ | Шайба |
Содержащиеся в справочниках-каталогах запасные части и детали не предлагаются к продаже, а носят исключительно информационный характер