Каталог запасных частей к технике: МТЗ-310, 320, 321. Коробка передач
1
1
2
2
2
3
4
4
5
5
6
6
6
7
8
9
10
11
12
13
13
14
15
16
17
18
19
19
20
20
21
21
21
21
21
22
22
23
24
25
26
27
28
28
29
29
29
30
30
31
31
32
33
34
35
35
35
36
36
37
38
39
40
41
42
43
44
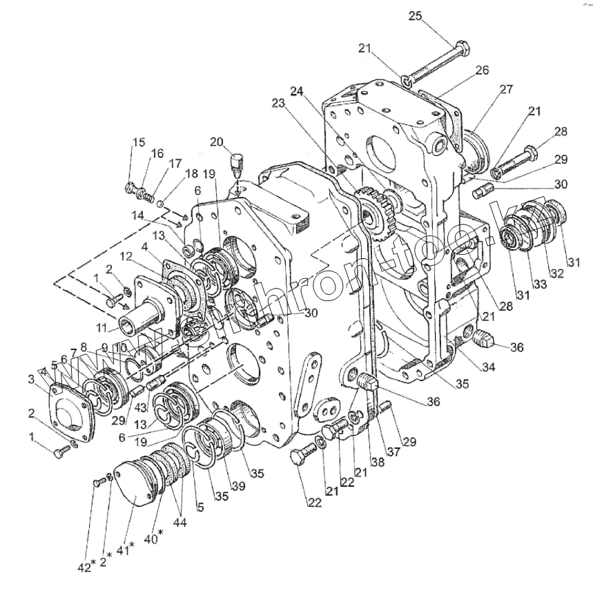
| Позиция на иллюстрации | Заводской номер детали | Название детали | |
|---|---|---|---|
| 220-1701020 | 220-1701020 | Корпус | |
| 320-1700010-02 | 320-1700010-02 | Коробка передач | |
| 220-2302040 | 220-2302040 | Крышка | |
| 220-1701050 | 220-1701050 | Кронштейн | |
| 220-1701260 | 220-1701260 | Втулка | |
| 1 | М6-6gх20.88.35.019 | Болт | |
| 2 | Шайба6Т | Шайба | |
| 3 | 220-1701061 | Крышка | |
| 4 | 220-1701036 | Прокладка | |
| 5 | 220-1701251 | Кольцо | |
| 6 | 220-1701262 | Кольцо | |
| 7 | 50305 | Подшипник | |
| 8 | 035-040-30-1-4 | Кольцо | |
| 9 | 220-1701075 | Ось | |
| 10 | КК20х26х34Е | Подшипник | |
| 11 | 220-1701034 | Кронштейн | |
| 12 | 2.2-30x52-1 | Манжета | |
| 13 | 220-1701031 | Кольцо | |
| 14 | 220-1701067 | Заглушка | |
| 15 | 325-1701003 | Болт | |
| 16 | 36-1104788 | Прокладка | |
| 17 | 220-1702325 | Пружина | |
| 18 | 7,938-100 | Шарик | |
| 19 | 50206 | Подшипник | |
| 20 | МШТОГСTSSOG-1/8 | Сапун | |
| 20 | СУ1/8-А | Сапун | |
| 21 | 12.ОТ | Шайба | |
| 22 | М12-6gх40.88.35.019 | Болт ГОСТ 7796-70 | |
| 23 | 220-1701076 | Шестерня | |
| 24 | 220-1701077 | Шайба | |
| 25 | М12-6gх110.58.019 | Болт | |
| 26 | 082-4604022 | Прокладка | |
| 27 | 52-1802076 | Крышка | |
| 28 | М12-6gх65.88.35.019 | Болт | |
| 29 | ШЦК10x25 | Штифт | |
| 30 | М122р/6gх32.66.019 | Шпилька | |
| 31 | 2.2-25x42-1 | Манжета | |
| 32 | 220-1701259 | Втулка | |
| 33 | 055-061-36-1-4 | Кольцо | |
| 34 | 325-1701028-01 | Корпус | |
| 35 | С62 | Кольцо | |
| 36 | ПККГ3/4 | Пробка | |
| 37 | 220-1701026-Б | Прокладка | |
| 38 | 220-1701027-Б | Корпус | |
| 39 | 305А | Подшипник | |
| 40 | 059-065-36-2-4 | Кольцо | |
| 41 | 220-2302041 | Крышка | |
| 42 | М6-6gх20.88.35.019 | Болт | |
| 43 | 320-0002013 | Шпилька | |
| 44 | 2.2-45x65-1 | Манжета |
Содержащиеся в справочниках-каталогах запасные части и детали не предлагаются к продаже, а носят исключительно информационный характер