Вернуться на главную
Поиск
Каталоги запчастей к технике
Сельхозтехника
МТЗ
МТЗ-2522
Установка заднего стеклоочистителя
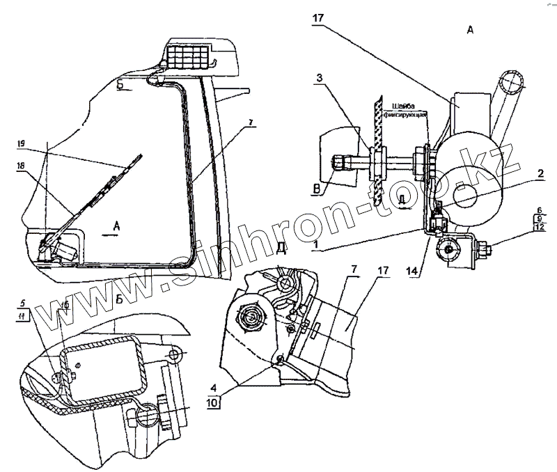
Каталог запасных частей к технике: МТЗ-2522. Установка заднего стеклоочистителя
zoom-in
zoom-out
enlarge
shrink
circle-right
circle-left
file-text2
info
cart
Тип техники
Не выбрано
Легковые автомобили
Грузовые автомобили и прицепы
Автобусы
Сельхозтехника
Спецтехника
Двигатели
Мототехника
Марка
Не выбрано
AGCO
Amity
CASE IH
DongFeng
Fortschritt
Foton
Franz Kleine
Gaspardo
Great Plains
KRONE
KUHN
Lemken
Lovol
MacDon
Massey Ferguson
New Holland
TIGARBO
Vaderstad
Versatile
Wirax
Агро
Агротехмаш
Бобруйскагромаш (ОАО «УКХ «Бобруйскагромаш»)
БЭМЗ
ВгТЗ
Воронежсельмаш
ВТЗ
Гомсельмаш
ДКЗ
ЗАО "Техника-сервис"
ЗиД
КЗК
Кировец-Ландтехник
Клевер
Красная Звезда
Лидагропроммаш
Лидсельмаш
ЛТЗ
Машстройхолдинг
Минитракторы
Мордовагромаш
МТЗ
Навигатор-Новое машиностроение
Нефтекамский автозавод
ПТЗ
Ремком
РСМ
Сибсельмаш
ТеКЗ
ТКЗ
ХЗТСШ
ХТЗ
ЮМЗ
Модель
Не выбрано
1025.5 (2013)
1025/1025.2/1025.3 (2009)
1220 (2011)
1220.5 (2013)
1523.5 (2013)
1523.5 с ГМТ (2014)
2122.3/2122.4 (2015)
3022ДЦ.1 (2011)
320.4М (2019)
622 (2012)
800/900 (2003)
80Х (2012)
892 (2011)
922.3 / 922.4 (2013)
922.5 (2013)
923.4 (2014)
923.5 (2013)
92П (2010)
952.5 (2013)
БЕЛАРУС 1025.7 (2022)
БЕЛАРУС 1220.7 (2022)
БЕЛАРУС 1221.7 (2022)
БЕЛАРУС 2103 (2015)
БЕЛАРУС 320 (1998)
БЕЛАРУС 3522.5 (2013)
БЕЛАРУС 3525 (2019)
БЕЛАРУС 421 (2014)
БЕЛАРУС 451 (2023)
БЕЛАРУС 651 (2023)
БЕЛАРУС 923.7 (2022)
БЕЛАРУС 952.7 (2022)
Беларус-08Н (09Н) (2015)
Беларус-422.1 (2018)
КБ-00.000 (САЗ) (2015)
КМ-2 (САЗ) (2015)
МТЗ-082
МТЗ-100
МТЗ-1005 (2008)
МТЗ-1021.3 (2010)
МТЗ-1025.4 (2009)
МТЗ-112Н, 132Н (2010)
МТЗ-1221 (1997)
МТЗ-1221 (2009) (2009)
МТЗ-1221.4 (2009)
МТЗ-1221.4 (2009)
МТЗ-1221.5 (2013)
МТЗ-1222/1523 (2009)
МТЗ-1522 (2008)
МТЗ-1523
МТЗ-1523 (2013)
МТЗ-1523 (2008) (2008)
МТЗ-1523.4 (2010)
МТЗ-1523.6 (2018)
МТЗ-2022 (2010)
МТЗ-2103 (2010)
МТЗ-2522 (2010)
МТЗ-310, 320, 321 (2011)
МТЗ-3522 (2011)
МТЗ-510/512, 520/522 (2010)
МТЗ-570 (2010)
МТЗ-80 (1998)
МТЗ-80 (2002) (2002)
МТЗ-80 (2009) (2009)
МТЗ-80.1 (2015)
МТЗ-821/921 (2009)
МТЗ-822 (2008)
МТЗ-826 (2010)
МТЗ-90/92 (2008)
МТЗ-900
МТЗ-900/920/950/952 (2009)
МТЗ-920.4/952.4 (2009)
МТЗ-922 (2008)
МТЗ-923 (2008)
ФР-00.010 (САЗ) (2015)
ФР-00700-Б (САЗ) (2015)
Схема
>
Не выбрано
Установка кабины
Кабина, крылья задние
Облицовка
Пульт (для тракторов 2522ДВ/2822ДЦ/3022ДВ)
Пульт для тракторов 2522.1/2822.1/3022.1)
Стекла кабины
Двери кабины
Сиденье оператора
Механизм реверса
Сиденье дополнительное
Установка отопителя-охладителя
Установка отопителя-охладителя
Установка конденсатора и фильтра-осушителя
Установка компрессора для тракторов 2522ДВ/2522.1/3022ДВ/3022.1)
Установка компрессора (для тракторов 2822ДЦ/2822.1)
Установка шлангов кондиционера (для тракторов 2522ДВ/2522.1/3022ДВ/3022.1)
Установка шлангов кондиционера (для тракторов 2822ДЦ/2822.1)
Установка шлангов отопителя (для тракторов 2522ДВ/2522.1/3022ДВ/3022.1)
Установка шлангов отопителя (для тракторов 2822ДЦ/2822.1)
Капот
Крылья передние
Подножка
Подножка
Управление БД, ПВМ, ВОМ и переключением передач (2522.1/3022.1/2822.1)
Управление БД, ПВМ и ПВОМ Г2522ДВ/3022ДВ/2822ЖП
Управление переключением передач (2522ДВ/3 022ДВ/2822ДЦ)
Управление задним навесным устройством (2522.1/3022.1/2822.1)
Управление передним навесным устройством (2522.1/3022.1/2822.1)
Управление навесным устройством (2522ДВ/3 022ДВ/2822ДЦ)
Управление двигателем (2522ДВ/3 022ДВ)
Управление двигателем (2822ДЦ)
Управление двигателем (2522.1/3022.1)
Управление двигателем (2822.1)
Управление распределителями EHS (2522.1/3022.1/2822.1)
Установка розетки (2522ДВ/3 022ДВ/2822ДЦ)
Установка розеток и прикуривателя (2522.1/2822.1/3022.1)
Подогреватель электрический (2822ДЦ/2822.1)
Установка дизеля (для тракторов 2522ДВ/3022ДВ/2522.1/3022.1)
Установка дизеля (для тракторов 2522ДВ/3022ДВ/2522.1/3022.1)
Установка дизеля (для тракторов 2822ДЦ/2822.1)
Установка дизеля (для тракторов 2822ДЦ/2822.1)
Бак топливный
Управление подачей топлива
Установка воздухоочистителя (для тракторов 2522ДВ/2522.1/3022ДВ/3022.1)
Установка воздухоочистителя (для тракторов 2822ДЦ/2822.1)
Установка глушителя (для тракторов 2522ДВ/2522.1/3022ДВ/3022.1)
Установка глушителя для тракторов 2822ДЦ/2822.1)
Блок охлаждения (для тракторов 2522ДВ/2522.1/3022ДВ/3022.1)
Блок охлаждения (для тракторов 2822ДЦ/2822.1)
Ограждение вентилятора
Установка охладителя (для тракторов 2522ДВ/2522.1/3022ДВ/3022.1)
Установка охладителя (для тракторов 2822ДЦ/2822.1)
Привод вентилятора (для тракторов 2522ДВ/2522.1/3022ДВ/3022.1)
Привод вентилятора (для тракторов 2822ДЦ/2822.1)
Корпус сцепления
Корпус сцепления
Корпус сцепления
Муфта сцепления
Управление сцеплением
Гидроусилитель 2522-1602050-01
Гидроусилитель 2022-1602510
Цилиндр главный 2022-1602810
Цилиндр главный 1221В-1602610
Цилиндр рабочий
Кран
Бачок
Коробка передач
Коробка передач
Коробка передач
Фрикцион
Фрикцион
Фрикцион
Вал первичный
Крышка
Крышка
Механизм управления
Механизм переключения
Распределитель
Фильтр
Муфта привода ПВМ
Вал карданный
Ограждение карданного привода
Мост передний
Редуктор центральный
Редуктор колесный
Трансмиссия
Трансмиссия
Мост задний
Мост задний
Плита
Плита
Шестерни
Шестерни
Шестерни
Дифференциал
Конечная передача, водило
Конечная передача, водило
Тяга рулевая
Колеса передние ведущие
Колеса задние ведущие
Ступица
Проставка
Управление рулевое (для тракторов 2522ДВ/3022ДВ/2522.1/3022.1)
Управление рулевое (для тракторов 2522ДВ/3022ДВ/2522.1/3022.1)
Управление рулевое (для тракторов 2522ДВ/3022ДВ/2522.1/3022.1)
Управление рулевое (для тракторов 2822ДЦ/2822.1)
Управление рулевое (для тракторов 2822ДЦ/2822.1)
Управление рулевое (для тракторов 2822ДЦ/2822.1)
Колонка рулевая
Колонка рулевая
Колонка рулевая (реверса)
Гидроцилиндр Ц63 (63x30-250)
Бак
Тормоз основной
Управление тормозами
Управление тормозами на реверсе
Управление стояночным тормозом
Пневмопривод тормозов прицепа (однопроводный)
Пневмопривод тормозов прицепа (комбинированный)
Регулятор давления
Баллон
Установка однопроводного крана тормозного
Установка двухпроводного крана тормозного
Кран тормозной однопроводный
Кран тормозной двухпроводный
Установка соединительной головки
Установка соединительной головки
Головка соединительная (однопроводная)
Головка соединительная (двухпроводная)
Установка фар дорожных
Установка фар рабочих
Установка фонарей передних
Установка фонарей задних
Электрооборудование кабины
Электрооборудование кондиционера
Электрооборудование трансмиссии
Электрооборудование трансмиссии
Установка маяка сигнального
Электрооборудование двигателя(2822ДЦ/2822.1)
Электрооборудование двигателя (2522ДВ/2522.1/3022ДВ/3022.1)
Установка аккумуляторных батарей
Установка заднего стеклоочистителя
Установка переднего стеклоочистителя
Установка стеклоомывателя
Установка щитка приборов
Установка щитка приборов
Щиток приборов
Щиток приборов
Щиток приборов
Щиток приборов
Тяга
Крюк с амортизатором
Тягово-сцепное устройство
Вилка
ВОМ задний
ВОМ передний
Передний ВОМ, редуктор 2522-4209015-А
Передний ВОМ, редуктор 2822-4209010/2822ДЦ-4209010
Тяга
Управление передним ВОМ
Кронштейн с грузами
Привод насоса переменной подачи
Механизм задней навески
Переднее навесное устройство
Установка навески
Гидроагрегаты и арматура
Гидроагрегаты и арматура
Гидроагрегаты и арматура
Гидроагрегаты и арматура
Гидроагрегаты и арматура
Бак
Бак
Система смазки и управления трансмиссии
Маслозаборник
Фильтр сдвоенный
1
2
3
4
5
6
7
7
9
10
11
12
14
16
17
17
18
19
Позиция на иллюстрации
Заводской номер детали
Название детали
1
923-5205022
Кронштейн
2
80-3723045-01
Манжета
3
822-5205043
Втулка
4
B.M4-6gx12.58.019
Винт
5
B.M6-6gx12.58.019
Винт
6
М8-6Н.6.019
Гайка
7
С8.01.019
Шайба
9
923-3724014-Б
Жгут
10
4
Шайба ОСТ 37.001.115-75
11
6Т
Шайба
12
8Т
Шайба
14
602602
Колодка гнездовая
16
1.М6-7Нх16.0-10.Ц6.хр
Заклепка-гайка
17
475.3730000
Моторедуктор
18
20.5215300
Рычаг стеклоочистителя
19
20.5215400
Щетка стеклоочистителя
Содержащиеся в справочниках-каталогах запасные части и детали не предлагаются к продаже, а носят исключительно информационный характер
Дополнительная информация
×
Название:
Номер:
Примечание: