Каталог запасных частей к технике: МТЗ-2522. Гидроагрегаты и арматура
2822-4600010
3022-4600010
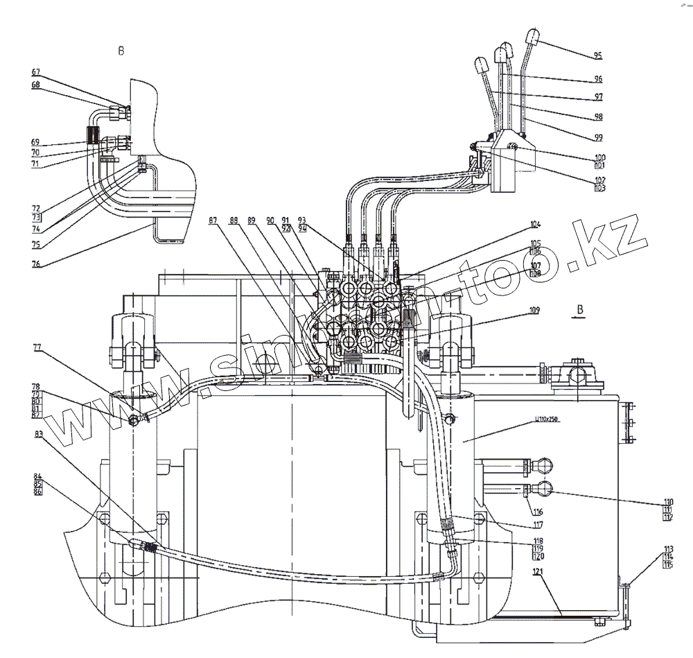
67
68
69
70
71
72
73
74
75
76
77
78
79
80
81
82
83
84
85
86
87
88
89
90
91
92
93
94
95
96
97
98
99
100
101
102
103
104
105
106
107
108
109
110
111
112
113
114
115
116
117
118
119
120
121
| Позиция на иллюстрации | Заводской номер детали | Название детали | |
|---|---|---|---|
| 2822-4600010 | 2822-4600010 | Гидросистема | |
| Р763529 | Р763529 | Фильтр | |
| 100.М4(40)22.01500 | 100.М4(40)22.01500 | Трос | |
| 3022-4600010 | 3022-4600010 | Гидросистема | |
| 1 | M16-6gx32.88.35.019 | Болт | |
| 2 | 16ОТ | Шайба ОСТ 37.001.115-75 | |
| 3 | 2822-4608330 | Опора | |
| 4 | 2522-4608346 | Прокладка | |
| 5 | M10-6gx1 10.88.35.019 | Болт | |
| 6 | М10-6Н.6.019 | Гайка | |
| 7 | 10ОТ | Шайба ОСТ 37.001.115-75 | |
| 8 | 20-32/9-C6W | Хомут NORMA TORRO | |
| 9 | 2822-4608310 | Бак | |
| 10 | 20-32/9-C6W | Хомут NORMA TORRO | |
| 11 | 50-70/9-C6W | Хомут NORMA TORRO | |
| 12 | 2522-4607014-01 | Шланг рукав | |
| 13 | 2822-4607073 | Шланг рукав | |
| 14 | 2822-4607072-01 | Шланг рукав | |
| 15 | 80-3723045-01 | Манжета | |
| 16 | 2822-4607150 | Штуцер | |
| 17 | 2822-4607074-01 | Шланг рукав | |
| 18 | 12-20/9-C6W | Хомут NORMA TORRO | |
| 19 | 2822-4604010 | Привод насоса | |
| 20 | Р163323 | Фильтр | |
| 21 | 0.5barRSV12SM-WD/610044 | Клапан | |
| 22 | 2822-4607110 | Штуцер | |
| 23 | 045-050-30-2-2 | Кольцо | |
| 24 | 2822-4607120 | Штуцер | |
| 25 | Р793540 | Датчик засоренности | |
| 26 | Д18-051 | Болт | |
| 27 | РМ14 | Шайба | |
| 28 | 2822-4607076 | Шланг рукав | |
| 29 | 019-023-25-2-2 | Кольцо | |
| 30 | С80-4607380 | Труба | |
| 31 | 2822-4607071-Б | Штуцер | |
| 32 | 40-4607032 | Болт | |
| 33 | РМ1/2 | Шайба | |
| 34 | 030-034-25-L-4 | Кольцо | |
| 35 | 2822-4607012 | Штуцер | |
| 36 | 3022-4607140 | Рукав высокого давления | |
| 37 | М10-6Н.6.019 | Гайка | |
| 38 | С10.01.019 | Шайба | |
| 39 | М6-6Н.6.019 | Гайка | |
| 40 | А61.01.017 | Втулка | |
| 41 | 1522-4607017 | Палец | |
| 42 | 3.2x18.019 | Шплинт | |
| 43 | 50-4607082-А | Втулка | |
| 44 | 2522-4607059-Б | Ось | |
| 45 | С10.01.019 | Шайба | |
| 46 | M8-6gx25.88.35.019 | Болт | |
| 47 | 8Т | Шайба | |
| 48 | 2522-4607250-Б | Кронштейн | |
| 49 | ЕААВ.303635.001 | Трос | |
| 50 | M12-6gx25.88.35.019 | Болт | |
| 51 | 120Т | Шайба | |
| 52 | 2522-4607011-Б | Кронштейн | |
| 53 | РМ22 | Шайба | |
| 54 | 017-022-30-1-4 | Кольцо | |
| 55 | 025-029-25-2-2 | Кольцо | |
| 56 | 2522-4607019 | Штуцер | |
| 57 | 2522-4607018 | Плита | |
| 58 | ZMS23-LSR917 001487 | Блок интегральный | |
| 59 | M8-6gx20.88.35.019 | Болт | |
| 60 | 8Т | Шайба | |
| 61 | 3822-4607074 | Шланг рукав | |
| 62 | 12-20/9-C6W | Хомут NORMA TORRO | |
| 63 | M6-6gx30.88.35.019 | Болт | |
| 64 | 6Т | Шайба | |
| 65 | 3022-4607125 | Угольник | |
| 66 | 3022-4607033 | Шланг рукав | |
| 67 | 025-029-25-2-2 | Кольцо | |
| 68 | 2822-4607014 | Штуцер | |
| 69 | 025-029-25-2-2 | Кольцо | |
| 70 | 2522-4607013 | Штуцер | |
| 71 | 680-4607510 | Патрубок | |
| 72 | 2822-4607013 | Штуцер | |
| 73 | РМ12 | Шайба | |
| 74 | РМ14 | Шайба | |
| 75 | Д18-051 | Болт | |
| 76 | 2822-4607025 | Труба | |
| 77 | 12-20/9-C6W | Хомут NORMA TORRO | |
| 78 | Ф80-3407120 | Маслопровод | |
| 79 | 1021-4803158 | Переходник | |
| 80 | Д18-051 | Болт | |
| 81 | 017-022-30-1-4 | Кольцо | |
| 82 | РМ14 | Шайба | |
| 83 | 680-4607140-07 | Рукав | |
| 84 | 40-3405061-А | Штуцер М20х1,5 | |
| 85 | 40-3405062 | Гайка | |
| 86 | 017-022-30-1-4 | Кольцо | |
| 87 | 3022-4607125 | Угольник | |
| 88 | 3022-4607032 | Шланг рукав | |
| 89 | 1522-4607080 | Штуцер | |
| 90 | 1522-4607050 | Труба | |
| 91 | 1522-4608011-А | Болт | |
| 92 | РМ22 | Шайба | |
| 93 | M6-6gx16.88.35.019 | Болт | |
| 94 | 6Т | Шайба | |
| 95 | А13.11.000 | Рукоятка | |
| 96 | 2522-4607235-Б | Рычаг | |
| 97 | 2522-4607230-02 | Рычаг | |
| 98 | 2522-4607230-01 | Рычаг | |
| 99 | 2522-4607230 | Рычаг | |
| 100 | М12-6Н.6.019 | Гайка | |
| 101 | 12 ОТ | Шайба | |
| 102 | М10-6Н.6.019 | Гайка | |
| 103 | 10 ОТ | Шайба | |
| 104 | НР10-5-Х0041А3 | Муфта быстросоединяемая | |
| 105 | 1522-4607012-А | Болт | |
| 106 | РМ22 | Шайба | |
| 107 | 1522-4607012-А | Болт | |
| 108 | РМ22 | Шайба | |
| 109 | НР10-5-Х0041А0 | Муфта быстросоединяемая | |
| 110 | С80-4607380 | Труба | |
| 111 | 40-4607032 | Болт | |
| 112 | РМ1/2 | Шайба | |
| 113 | M10-6gx1 10.88.35.019 | Болт | |
| 114 | М10-6Н.6.019 | Гайка | |
| 115 | 10 ОТ | Шайба | |
| 116 | 12-20/9-C6W | Хомут NORMA TORRO | |
| 117 | 952-4607140-02 | Рукав | |
| 118 | 2522-4607061 | Тройник | |
| 119 | 40-3405062 | Гайка | |
| 120 | 017-022-30-1-4 | Кольцо | |
| 121 | 2822-4608347 | Прокладка | |
| 122 | 2822-4607074 | Шланг рукав | |
| 123 | 70-3506027 | Втулка | |
| 124 | 70-3407163-01 | Планка | |
| 125 | 3022-4607003 | Кронштейн | |
| 126 | M8-6gx25.88.35.019 | Болт | |
| 127 | М8-6Н.6.019 | Гайка | |
| 128 | 8Т | Шайба | |
| 129 | 3022-4607040 | Труба | |
| 130 | M8-6gx50.88.35.019 | Болт | |
| 131 | 8Т | Шайба | |
| 132 | 3022-4607020 | Кронштейн клапана | |
| 133 | 2822-4607076-01 | Шланг рукав | |
| 134 | 3022-4607030 | Труба | |
| 135 | 952-4607140-03 | Рукав высокого давления | |
| 136 | 3022-4607270 | Патрубок | |
| 137 | 3022-4607025 | Труба | |
| 138 | 3022-4607050 | Регулятор | |
| 139 | 3022-4607024 | Болт | |
| 140 | РМ1/2 | Шайба | |
| 141 | С80-4607380 | Труба | |
| 142 | РМ1/2 | Шайба | |
| 143 | 1522В-3407100-06 | Рукав высокого давления | |
| 144 | 20-32/9-C6W | Хомут NORMA TORRO | |
| 145 | 3022-4607038 | Шланг рукав | |
| 146 | 3022-4607005 | Труба | |
| 147 | 3022-4607019 | Скоба | |
| 148 | 1522В-3407100-14 | Рукав высокого давления | |
| 149 | M8-6gx20.88.35.019 | Болт | |
| 150 | 8Т | Шайба | |
| 151 | 70-3407163-01 | Планка | |
| 152 | M8-6gx20.88.35.019 | Болт | |
| 153 | 8Т | Шайба | |
| 154 | 70-3407146 | Планка | |
| 155 | 3022-4607134 | Кронштейн | |
| 156 | 3022-4607150 | Труба | |
| 157 | 3022-4607130 | Труба | |
| 158 | 3022-4607160 | Труба | |
| 159 | 3022-4607136 | Кронштейн | |
| 160 | 70-3407146 | Планка | |
| 161 | M8-6gx20.88.35.019 | Болт | |
| 162 | 8Т | Шайба | |
| 163 | 70-3407163-01 | Планка | |
| 164 | 3022-4607133 | Волна | |
| 165 | 3022-4608103 | Кронштейн | |
| 166 | HP12-1-S1624 | Муфта | |
| 167 | 021-024-19-2-2 | Кольцо | |
| 168 | Муфта бытросоединяемая | Муфта бытросоединяемая | |
| 169 | Муфта бытросоединяемая | Муфта бытросоединяемая | |
| 170 | 70-3506027 | Втулка | |
| 171 | 3022-4607180 | Труба | |
| 172 | 3022-4607170 | Труба | |
| 173 | 70-3506027 | Втулка | |
| 174 | 1522В-3407100-13 | Рукав высокого давления | |
| 175 | GBS M53/20W2 | Хомут/Clamp NORMA | |
| 176 | РМ24 | Шайба | |
| 177 | 2022-4607020 | Труба | |
| 178 | РМ24 | Шайба | |
| 179 | 3022-4607053 | Болт | |
| 180 | 3022-4607260 | Патрубок | |
| 181 | Рукав | Рукав всасывающий армированный | |
| 182 | 2822-4607110 | Штуцер | |
| 183 | 045-050-30-2-2 | Кольцо | |
| 184 | 3022-4607250 | Труба | |
| 185 | M10-6gx20.88.35.019 | Болт | |
| 186 | 10 ОТ | Шайба | |
| 187 | ZMS23-LS EHS R917004913 | Интегральный блок | |
| 188 | НР10-5-Х0041А0 | Муфта быстросоединяемая | |
| 189 | НР10-4МХ0041А0 | Штекер | |
| 190 | M8-6gx20.88.35.019 | Болт | |
| 191 | 8Т | Шайба | |
| 192 | 2822-4607011 | Кронштейн | |
| 193 | 80-3723045-01 | Манжета | |
| 194 | 2822-4607140 | Рукав высокого давления | |
| 195 | 3022-4607002 | Болт | |
| 196 | 040-044-25-1-6 | Кольцо | |
| 197 | 3022-4607045 | Угольник | |
| 198 | 3022-4607001 | Кольцо | |
| 199 | Д18-051 | Болт | |
| 200 | РМ14 | Шайба | |
| 201 | 3022-4607035 | Труба | |
| 202 | 3022-4607280 | Штуцер | |
| 203 | 12-20/9-C6W | Хомут NORMA TORRO | |
| 204 | 2822-4607076-02 | Шланг рукав | |
| 205 | 2822-4607073-01 | Шланг рукав | |
| 206 | 3022-4608310 | Бак | |
| 207 | 3022-4607230 | Штуцер | |
| 208 | РМ14 | Шайба | |
| 209 | FA 4733.1 | Сапун Sofima | |
| 210 | ТМ 111-12 | Датчик сигнализатора температуры | |
| 211 | 3022-4607010 | Кронштейн | |
| 212 | 8Т | Шайба | |
| 213 | M8-6gx30.88.35.019 | Болт | |
| 214 | 3022-4608346 | Прокладка | |
| 215 | 3022-4608330 | Опора | |
| 216 | 70-3506027 | Втулка | |
| 217 | 8Т | Шайба | |
| 218 | M8-6gx20.88.35.019 | Болт | |
| 219 | 2822-4607073 | Шланг рукав | |
| 220 | HP12-1-S1624 | Муфта | |
| 221 | 021-024-19-2-2 | Кольцо | |
| 222 | M6-6gx60.88.35.019 | Болт | |
| 223 | 6Т | Шайба | |
| 224 | 1522-4607050 | Труба | |
| 225 | 1522-4607011-А | Болт | |
| 226 | 1522-4607012-А | Болт | |
| 227 | РМ14 | Шайба | |
| 228 | 1522-4607080 | Штуцер | |
| 229 | 3022-4607033 | Шланг рукав | |
| 230 | 12-20/9-C6W | Хомут NORMA TORRO | |
| 231 | 22-32/9-C6W | Хомут «NORMA» | |
| 232 | 3022-4608347 | Прокладка | |
| 496 | 772-L-TS-40-1500 | Трос |
Содержащиеся в справочниках-каталогах запасные части и детали не предлагаются к продаже, а носят исключительно информационный характер