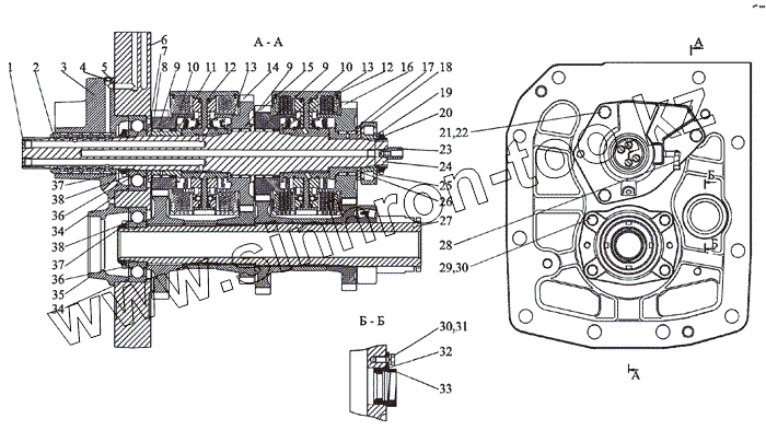
Каталог запасных частей к технике: МТЗ-2103. Узел передач
2103-1701020
1
2
3
4
5
6
7
8
9
9
9
10
10
11
12
12
13
13
14
15
16
17
18
19
20
21
22
23
24
25
26
27
28
29
30
30
31
32
33
34
34
35
36
36
37
37
38
38
| Позиция на иллюстрации | Заводской номер детали | Название детали | |
|---|---|---|---|
| 2103-1701020 | 2103-1701020 | Узел передач | |
| 1 | 80-1701063 | Пробка | |
| 2 | 2522-1802083 | Кольцо уплотнительное | |
| 3 | 2125-1712020 | Стакан | |
| 4 | 80-1712063 | Пробка | |
| 5 | 010-014-25-2-2 | Кольцо | |
| 6 | 2025-1701034 | Плита | |
| 7 | 2025-1701043 | Шайба | |
| 8 | 2103-1701042 | Шестерня | |
| 9 | 664514E | Подшипник | |
| 10 | 2025-1701033 | Втулка | |
| 11 | 2125-1701041 | Втулка | |
| 12 | 2025-1701070 | Фрикцион | |
| 13 | 2025-1701044 | Шайба | |
| 14 | 2103-1701054 | Шестерня | |
| 15 | 2103-1701048 | Шестерня | |
| 16 | 2103-1701052 | Шестерня | |
| 17 | 664913Е | Подшипник | |
| 18 | 1222-1701049 | Шайба | |
| 19 | 80-1701056 | Шайба | |
| 20 | 80-1701045 | Гайка | |
| 21 | M12-6g x30.88.35.019 | Болт | |
| 22 | 4598166068 | Шайба 12ОТ | |
| 23 | 80-1701053 | Дроссель | |
| 24 | 2125-1701032 | Вал | |
| 25 | 692309КМ | Подшипник | |
| 26 | 2125-1701046 | Втулка | |
| 27 | 2103-1701190 | Вал промежуточный | |
| 28 | 86-1802088 | Угольник | |
| 29 | M10-6g x30.88.35.019 | Болт | |
| 30 | 4598166067 | Шайба 10ОТ | |
| 31 | M10-6gx25.88.35.019 | Болт | |
| 32 | 85-1702043 | Пластина | |
| 33 | 2025-1601185 | Стакан | |
| 34 | 1222-1701033 | Шайба | |
| 35 | 2025-1701151 | Стакан | |
| 36 | SKF QJ311 | Подшипник | |
| 37 | 80-1701047 | Гайка | |
| 38 | Шайба | Шайба |
Содержащиеся в справочниках-каталогах запасные части и детали не предлагаются к продаже, а носят исключительно информационный характер