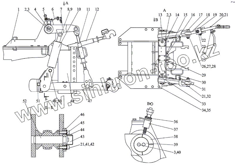
Каталог запасных частей к технике: МТЗ-2103. Устройство навесное
2103-4605005
1
2
2
3
3
3
4
5
6
7
8
9
10
11
12
13
14
15
16
17
18
19
20
21
21
21
22
23
24
25
26
27
28
29
30
31
32
33
34
35
36
37
38
39
40
41
42
43
44
45
46
47
48
49
50
51
52
| Позиция на иллюстрации | Заводской номер детали | Название детали | |
|---|---|---|---|
| 2103-4605005 | 2103-4605005 | Устройство навесное | |
| 1 | 2103-4605015 | Кронштейн | |
| 2 | M12-6gx25.88.35.019 | Болт | |
| 3 | 4598166068 | Шайба 12ОТ | |
| 4 | 1522-4605024-Б | Шайба | |
| 5 | 1522-4605023 | Вал | |
| 6 | 1802-4605170 | Кронштейн | |
| 7 | 2103-4605032 | Рычаг | |
| 8 | 1802-4605012 | Палец | |
| 9 | 1321-2707042 | Шплинт | |
| 10 | Ц110x250.010 | Гидроцилиндр | |
| 11 | 1802-4605060 | Раскос | |
| 12 | 1802-4605090 | Тяга верхняя | |
| 13 | 1.3 Ц9.хр | Масленка | |
| 14 | 1802-4605140 | Кронштейн | |
| 15 | А61.05.100-01 | Чека | |
| 16 | 1522-4605036 | Палец | |
| 17 | 2103-4605032-01 | Рычаг | |
| 18 | 2103-4605030 | Тяга | |
| 19 | 1522-4605033 | Палец | |
| 20 | M10-6gx50.88.35.019 | Болт | |
| 21 | 4598166067 | Шайба 10ОТ | |
| 22 | А61.07.001 | Шплинт | |
| 23 | 1522-4605032 | Шайба | |
| 24 | 1522-4605038 | Проушина | |
| 25 | 090 243 | Штанг | |
| 26 | 1522-4605008 | Палец | |
| 27 | А04.02.020 | Гайка | |
| 28 | 6,3x36.019 | Шплинт | |
| 29 | 1522-4605091 | Втулка | |
| 30 | 2103-4605006 | Винт | |
| 31 | 2103-4605007 | Уголок | |
| 32 | M10-6gx25.88.35.019 | Болт | |
| 33 | 1522-4605007 | Втулка | |
| 34 | 680-2707024 | Болт | |
| 35 | 4598166072 | Шайба 20ОТ | |
| 36 | 1522-4605149 | Гайка | |
| 37 | R917001941 | Датчик позиционный | |
| 38 | 1802-4605126 | Эксцентрик | |
| 39 | 1802-4605127 | Шайба | |
| 40 | M12-6gx35.88.35.019 | Болт | |
| 41 | M10-6gx35.56.019 | Винт | |
| 42 | С10.01.019 | Шайба | |
| 43 | 1522-4605006 | Крышка | |
| 44 | 70-3723042-01 | Втулка | |
| 45 | 1522-4605702 | Втулка | |
| 46 | 1522-4605701 | Скоба | |
| 47 | 2103-4605030-01 | Тяга | |
| 48 | 2103-4605200 | Кронштейн | |
| 49 | 1802-4605011 | Палец | |
| 50 | 6,3x50.019 | Шплинт | |
| 51 | 85-4619017-01 | Штифт | |
| 52 | R917000165 | Датчик силовой |
Содержащиеся в справочниках-каталогах запасные части и детали не предлагаются к продаже, а носят исключительно информационный характер