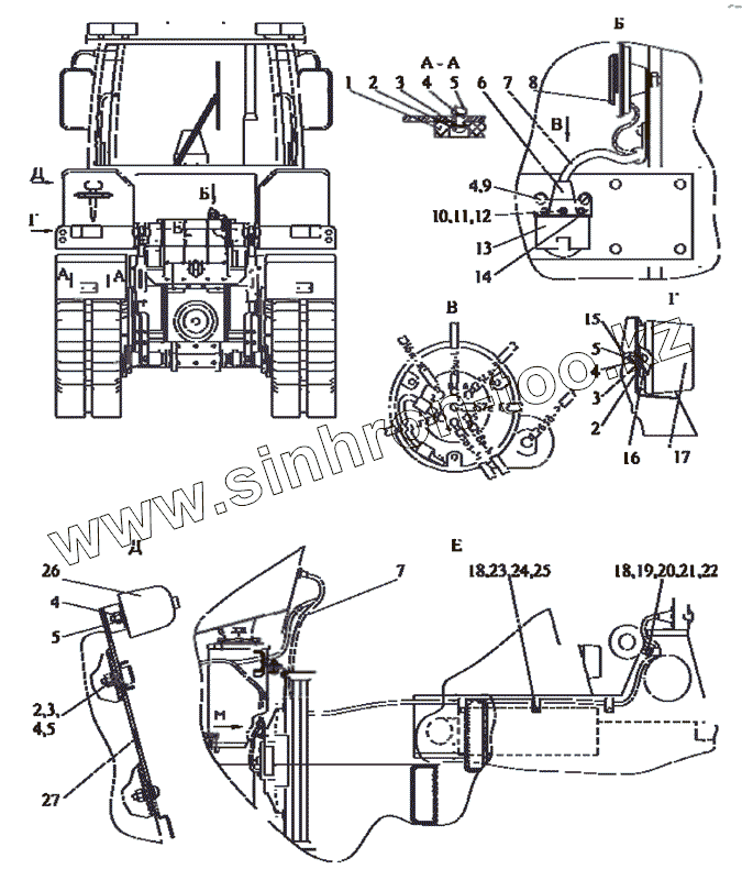
Каталог запасных частей к технике: МТЗ-2103. Установка фонарей задних
2103-3700075
1
2
2
2
3
3
3
4
4
4
4
4
5
5
5
5
6
7
7
8
9
10
11
12
13
14
15
16
17
18
18
19
20
21
22
23
24
25
26
27
| Позиция на иллюстрации | Заводской номер детали | Название детали | |
|---|---|---|---|
| 2103-3700075 | 2103-3700075 | Установка фонарей задних | |
| 1 | 3202.3731 | Световозвращатель | |
| 2 | B.M6-6gx20.58.019 | Винт | |
| 3 | С.6.01.019 | Шайба | |
| 4 | 4598166045 | Шайба 6Т | |
| 5 | М6-6Н.6.019 | Гайка | |
| 6 | ЦИКС 754524009 | Чехол | |
| 7 | 2102-3724025 | Жгут 2 | |
| 8 | 20.3721-01 | Прибор звуковой сигнализации | |
| 9 | B.M6-6gx16.58.019 | Винт | |
| 10 | B.M5-6gx35.58.019 | Винт | |
| 11 | М5-6Н.6.019 | Гайка ГОСТ 5915-70 | |
| 12 | 4598166044 | Шайба 5Т | |
| 13 | Р9-1 | Розетка | |
| 14 | 822-3723041 | Кронштейн | |
| 15 | 2102-3724010 | Жгут | |
| 16 | 80-6708904 | Прокладка | |
| 17 | 7303.3716 | Фонарь задний | |
| 18 | 70-1115012-04 | Хомутик | |
| 19 | M8-6gx30.88.35.019 | Болт | |
| 20 | М8-6Н.6.019 | Гайка | |
| 21 | С.8.01.019 | Шайба | |
| 22 | 4598166046 | Шайба 8Т | |
| 23 | M10-6gx30.88.35.019 | Болт | |
| 24 | С.10.01.019 | Шайба | |
| 25 | 4598166007 | Шайба 10Л | |
| 26 | ФП131 АР | Фонарь освещения номерного знака | |
| 27 | 2102-3716020 | Кронштейн |
Содержащиеся в справочниках-каталогах запасные части и детали не предлагаются к продаже, а носят исключительно информационный характер