Каталог запасных частей к технике: МТЗ-2022. Вал отбора мощности задний
2022-4202010-08
1
2
3
4
4
5
6
6
7
8
8
9
10
11
12
13
14
15
16
17
17
17
17
18
19
19
20
20
21
22
23
24
25
26
27
28
29
29
30
30
31
32
33
34
35
36
37
38
38
38
38
38
38
38
38
38
38
38
38
39
42
43
44
45
46
47
48
49
50
51
52
53
53
53
53
53
53
54
55
56
57
58
59
59
60
61
62
63
63
64
65
66
67
68
69
69
70
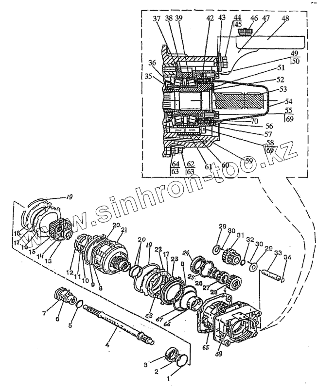
| Позиция на иллюстрации | Заводской номер детали | Название детали | |
|---|---|---|---|
| 2022-4202010-08 | 2022-4202010-08 | ВОМ задний | |
| 2022-4202030-А | 2022-4202030-А | Фрикцион | |
| 1 | С80 | Кольцо | |
| 2 | С40 | Кольцо | |
| 3 | 208А | Подшипник | |
| 4 | 1822-4202060 | Вал ведущий | |
| 4 | 1822-4202011 | Вал ведущий | |
| 5 | А61.03.002 | Кольцо | |
| 6 | 1822-4202046 | Муфта переключения | |
| 6 | 1822-4202080 | Муфта переключения | |
| 7 | 7,938-100 | Шарик | |
| 8 | 80-1701382 | Кольцо | |
| 9 | 80-1701374-01 | Поршень | |
| 10 | 80-1701373 | Опора | |
| 11 | 80-1701395 | Пружина | |
| 12 | С80 | Кольцо | |
| 13 | 305А | Подшипник | |
| 14 | С62 | Кольцо | |
| 15 | 1522-4202034-А-01 | Муфта шлицевая | |
| 16 | LD 2220087 | Диск ведущий | |
| 17 | 2022-4202375 | Диск фрикционный | |
| 17 | 2522-1802035-А | Диск ведущий | |
| 17 | 696392AOc«MIBA» | Диск фрикционный | |
| 18 | 80-1701379-01 | Диск | |
| 19 | 80-1701392 | Кольцо | |
| 20 | 142-1701381 | Кольцо | |
| 21 | 2022-4202031 | Барабан | |
| 22 | 80-1701379 | Диск упорный | |
| 23 | 2022-4202033 | Поршень тормоза | |
| 24 | 114 | Подшипник | |
| 25 | 2С70 | Кольцо | |
| 26 | 2С110 | Кольцо | |
| 27 | 1021-4202026-БА | Шестерня | |
| 28 | 1021-4202021-Б | Шестерня | |
| 29 | 1522-4202023 | Шайба упорная | |
| 30 | 5x27,8АЗ | Ролик | |
| 31 | 1522-4202028-Б | Шестерня | |
| 32 | 1522-4202024-01 | Втулка | |
| 33 | 1522-4202022 | Ось промежуточная | |
| 34 | 021-025-25-1-4 | Кольцо | |
| 35 | 80-1701047 | Гайка | |
| 36 | 2022-4202069 | Шайба | |
| 37 | 2022-4202042 | Стакан | |
| 38 | 72-2308121-11 | Кольцо регулировочное В=7,45 мм | |
| 38 | 72-2308121-10 | Кольцо регулировочное В=7,30 мм | |
| 38 | 72-2308121-02 | Кольцо регулировочное В = 6,10 (подбираются при регулировке подшипников) | |
| 38 | 72-2308121-09 | Кольцо регулировочное В=7,15 мм | |
| 38 | 72-2308121-08 | Кольцо регулировочное В=7,00 мм | |
| 38 | 72-2308121-07 | Кольцо регулировочное В=6,85 мм | |
| 38 | 72-2308121-05 | Кольцо регулировочное В = 6,55 (к-во дет. - по потребности) | |
| 38 | 72-2308121-06 | Кольцо регулировочное В = 6,70 (к-во дет. - по потребности) | |
| 38 | 72-2308121 | Кольцо регулировочное В = 5,8 (подбираются при регулировке подшипников) | |
| 38 | 72-2308121-01 | Кольцо регулировочное В = 5,95 (подбираются при регулировке подшипников) | |
| 38 | 72-2308121-04 | Кольцо регулировочное В = 6,40 (к-во дет. - по потребности) | |
| 38 | 72-2308121-03 | Кольцо регулировочное В = 6,25 (к-во дет. - по потребности) | |
| 39 | 7212А | Подшипник | |
| 42 | 2022-4202062 | Втулка | |
| 43 | С16.01.08 | Шайба | |
| 44 | М16х25 | Болт | |
| 45 | 16 ОТ | Шайба | |
| 46 | 1522-4202094 | Маховичок | |
| 47 | 2022-4202095 | Кожух | |
| 48 | 2022-4202092 | Щиток | |
| 49 | М10x20 | Болт | |
| 50 | С10.01.019 | Шайба | |
| 51 | 044-050-36-2-2 | Кольцо | |
| 52 | 1822-4202027 | Шайба упорная | |
| 53 | 2022-4202017-03 | Хвостовик ВОМ2С1 | |
| 53 | 2022-4202017-02 | Хвостовик ВОМ2 | |
| 53 | 2022-4202017 | Хвостовик ВОМ3 | |
| 53 | 2022-4202016-01 | Хвостовик ВОМ1 | |
| 53 | 2022-4202016 | Хвостовик ВОМ1С | |
| 53 | 2022-4282017-01 | Хвостовик ВОМ2С | |
| 54 | 2022-4202065 | Колпак | |
| 55 | М10х25 | Болт | |
| 56 | 2.2-80x105 | Манжета | |
| 57 | 2022-4202018 | Крышка | |
| 58 | М 10x70 | Винт | |
| 59 | 2022-4202015 | Корпус | |
| 60 | 2022-4202012 | Прокладка | |
| 61 | 2022-4202042 | Стакан | |
| 62 | М12x50 | Болт | |
| 63 | 12 ОТ | Шайба | |
| 64 | М12x40 | Болт | |
| 65 | 1522-4202013-А | Прокладка | |
| 66 | 142-4202042 | Втулка | |
| 67 | 86-1802047 | Кольцо | |
| 68 | 8020-4202041 | Пружина | |
| 69 | 10 ОТ | Шайба | |
| 70 | 2.2-80x105 | Манжета |
Содержащиеся в справочниках-каталогах запасные части и детали не предлагаются к продаже, а носят исключительно информационный характер