Каталог запасных частей к технике: МТЗ-2022. Щиток приборов
1
2
2
2
2
2
3
4
4
4
5
6
6
7
8
8
8
9
9
9
10
11
12
12
13
14
16
16
16
16
16
16
16
17
18
19
20
20
20
20
21
22
22
23
24
25
26
27
28
29
30
31
31
32
33
34
35
36
37
38
39
39
40
41
43
43
45
45
45
46
46
47
48
49
50
51
52
53
54
57
59
60
61
62
63
64
65
66
67
68
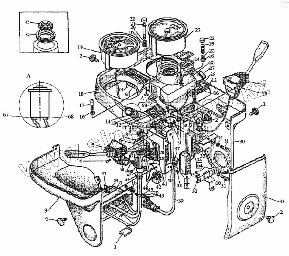
| Позиция на иллюстрации | Заводской номер детали | Название детали | |
|---|---|---|---|
| 1 | ПР-43-01 | Уплотнитель | |
| 2 | 80-3805065 | Винт | |
| 3 | 822-3805162 | Боковина | |
| 4 | ВМ5Х16 | Винт | |
| 5 | 3709.145 | Переключатель подрулевой | |
| 6 | 3747.20 | Реле-сигнализатор | |
| 7 | ВМ6х16 | Винт | |
| 8 | М5 | Гайка | |
| 9 | 5Т | Шайба | |
| 10 | 3747.10 | Прерыватель указателей поворота | |
| 11 | 3710.55 | Выключатель «массы» | |
| 12 | 5336-3710015 | Рамка выключателя | |
| 13 | 3710.15 | Выключатель стартера с блокировкой пуска | |
| 14 | 822-3805013-01 | Табличка | |
| 16 | С 6.01.019 | Шайба | |
| 17 | М6Х16 | Болт | |
| 18 | 923-3805121 | Панель | |
| 19 | 3801.40 | КоМ6инация приборов КП-6 частотная | |
| 20 | 6Т | Шайба | |
| 21 | М6х60 | Болт | |
| 22 | А30.04.017 | Колпачок | |
| 23 | 3813.30 | Индикатор коМ6инированный | |
| 24 | 3813.40 | Пульт управления | |
| 25 | М6Х16 | Болт | |
| 26 | 822-3709124 | Чехол | |
| 27 | 3710.10 | Выключатель аварийной сигнализации | |
| 28 | 3709.20 | Переключатель света | |
| 29 | 3709.235 | Переключатель стеклоочистителя | |
| 30 | 822-3805161 | Боковина | |
| 31 | М6х25 | Винт | |
| 32 | 822-3805095 | Кронштейн | |
| 33 | 822-3805163 | Кожух | |
| 34 | 3722.10 | Блок предохранителей | |
| 35 | 822-3805080-Б | Кронштейн | |
| 36 | 822-3724010-Б | Жгут | |
| 37 | 70-3506027 | Втулка | |
| 38 | ВМ6Х20 | Винт | |
| 39 | 925-3724390 | Жгут | |
| 40 | 80-3723043 | Скоба | |
| 41 | 3722.15 | Блок предохранителей | |
| 43 | М6 | Гайка | |
| 45 | 80-3723045 | Манжета | |
| 46 | 822-3805050 | Основание | |
| 47 | 822-3723044 | Хомутик | |
| 48 | ШЧ8 | Шайба | |
| 49 | ШП8 | Шайба | |
| 50 | М8х20 | Болт | |
| 51 | ВМ6х16 | Винт | |
| 52 | 3747.50 | Реле на замыкание | |
| 53 | 822-3805072 | Кронштейн | |
| 54 | 822-3805073-Б | Кронштейн | |
| 57 | 4x10 | Винт | |
| 59 | 80-3801327 | Заглушка | |
| 60 | 3803.20 | Блок контрольных ламп | |
| 61 | 4x16 | Шуруп | |
| 62 | 80В-3709028 | Вставка | |
| 63 | 80-3723048 | Втулка | |
| 64 | 822-3805026-Б | Табличка | |
| 65 | 822-3805027-Б | Табличка | |
| 66 | 3710.30 | Выключатель фар рабочих | |
| 67 | 3710.040-01 | Колодка 30-16-06570 | |
| 68 | 3710.040-02 | Колодка 30-16-06571 |
Содержащиеся в справочниках-каталогах запасные части и детали не предлагаются к продаже, а носят исключительно информационный характер