Каталог запасных частей к технике: МТЗ-2022. Кабина
2522-6700010-03
1
2
2
3
4
5
6
7
8
8
9
10
11
12
13
14
15
16
16
16
17
18
19
20
21
22
23
24
25
26
27
29
30
31
33
34
35
36
37
38
39
39
39
39
40
41
42
43
43
44
45
46
47
48
49
50
51
52
53
53
53
54
55
56
57
58
59
60
61
62
63
63
64
65
66
67
68
69
69
70
71
72
73
74
75
76
77
78
78
78
78
79
79
79
79
80
81
82
82
660
670
680
690
690
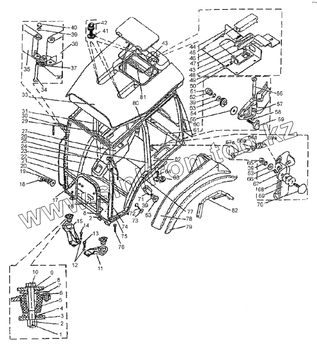
| Позиция на иллюстрации | Заводской номер детали | Название детали | |
|---|---|---|---|
| 2522-6700010-03 | 2522-6700010-03 | Кабина в сборе | |
| 1 | 4x36 | Шплинт | |
| 2 | М20х1,5 | Гайка | |
| 3 | 2522-6700026 | Шайба | |
| 4 | 7718007 | Шайба | |
| 5 | 5718013 (11MN50) | Виброизолятор | |
| 6 | ШП 12 | Шайба | |
| 7 | М12x25 | Болт | |
| 8 | 2522-6700027 | Шайба | |
| 9 | ШЧ20 | Шайба | |
| 10 | 2522-6700029 | Болт | |
| 11 | 2022-6702068 | Кронштейн левый | |
| 12 | ШП 16 | Шайба | |
| 13 | М16x70 | Болт | |
| 14 | М16x50 | Болт | |
| 15 | 2022-6702068-01 | Кронштейн правый | |
| 16 | 2522-6703031 | Прокладка | |
| 16 | 2522-6703032 | Прокладка | |
| 16 | 2522-6703033 | Прокладка | |
| 17 | 2522-6702001-01 | Прижим | |
| 18 | ВМ 10x25 | Винт | |
| 19 | ШЧ 10 | Шайба | |
| 20 | ШП 10 | Шайба | |
| 21 | 2522-6703115-01 | Поручень | |
| 22 | 2522-6702466 | Прижим | |
| 23 | ТА 2522-6702330-01 | Накладка | |
| 24 | 2522-6702180 | Панель | |
| 25 | ТА 1222-6702341 | Пульт | |
| 26 | ТА 2522-6701070 | Накладка | |
| 27 | ТА 1222-6702350 | Пульт | |
| 29 | 2522-6702325 | Панель | |
| 30 | 2522-8201200 | Кронштейн | |
| 31 | ТА 2522-6701075 | Накладка | |
| 33 | 923-6707035 | Крыша | |
| 34 | 2522-8201219 | Винт | |
| 35 | 2522-8201205 | Кронштейн | |
| 36 | 2522-8201204 | Валик | |
| 37 | 2522-8201211 | Фиксатор | |
| 38 | 2522-8201210 | Кронштейн | |
| 39 | ШП8 | Шайба | |
| 40 | 2522-6708029 | Гайка | |
| 41 | 80-4603024 | Кольцо | |
| 42 | 822-6701064 | Заглушка | |
| 43 | 822-6707051-Б | Кронштейн | |
| 44 | 822-6707064 | Панель | |
| 45 | 822-6707066 | Крышка | |
| 46 | 55-17-27 | Пружина | |
| 47 | 822-6707061 | Зацеп | |
| 48 | 822-6707067 | Кронштейн | |
| 49 | М6 | Гайка | |
| 50 | ШЧ6 | Шайба | |
| 51 | А30.04.017 | Колпачок | |
| 52 | М8 | Гайка | |
| 53 | ШЧ8 | Шайба | |
| 54 | 80-6708903 | Втулка | |
| 55 | 80-6708604 | Прокладка | |
| 56 | 822-8700011 | Палец | |
| 57 | 2522-6708902 | Петля | |
| 58 | ШП5 | Шайба | |
| 59 | 2522-6708905 | Винт | |
| 60 | 21054 | Пневмоподъемник | |
| 61 | ТА 2522-6702320 | Накладка | |
| 62 | 2522-6702335 | Панель | |
| 63 | 2022-6700037 | Кронштейн левый | |
| 63 | 2022-6700037-01 | Кронштейн правый | |
| 64 | М16x45 | Болт | |
| 65 | М8 | Гайка | |
| 66 | ШП5 | Шайба | |
| 67 | 822-6708152 | Кронштейн | |
| 68 | 80-6708904 | Прокладка | |
| 69 | 2522-6708160-01 | Рукоятка правая | |
| 69 | 2522-6708160 | Рукоятка левая | |
| 70 | 2522-6708165 | Винт | |
| 71 | 2522-6708032 | Втулка | |
| 72 | М6х20 | Винт | |
| 73 | 252-6700018 | Шайба | |
| 74 | 2522-6703115 | Поручень левый | |
| 75 | 2522-6702001 | Прижим левый | |
| 76 | М6х16 | Винт | |
| 77 | ТА 2522-6702330 | Накладка | |
| 78 | 4520-8404011-01 | Крыло | |
| 78 | 4520-8404011 | Крыло | |
| 78 | 923-8404010 | Крыло левое | |
| 78 | 923-8404010-01 | Крыло правое | |
| 79 | 2022-8404012 | Уширитель | |
| 79 | 923-8404030-01 | Уширитель правый | |
| 79 | 923-8404030 | Уширитель левый | |
| 79 | 2022-8404012-01 | Уширитель | |
| 80 | 2522-6700015-03 | Каркас | |
| 81 | 2522-6707163 | Прокладка | |
| 82 | 2522-8404020 | Кронштейн | |
| 82 | 2522-8404020-01 | Кронштейн | |
| 660 | С 8.01.019 | Шайба | |
| 670 | 2522-6708151 | Палец | |
| 680 | М8-6Н.6.019 | Гайка | |
| 690 | 2522-6708153 | Колпачок | |
| 690 | 2522-8201092 | Колпачок |
Содержащиеся в справочниках-каталогах запасные части и детали не предлагаются к продаже, а носят исключительно информационный характер