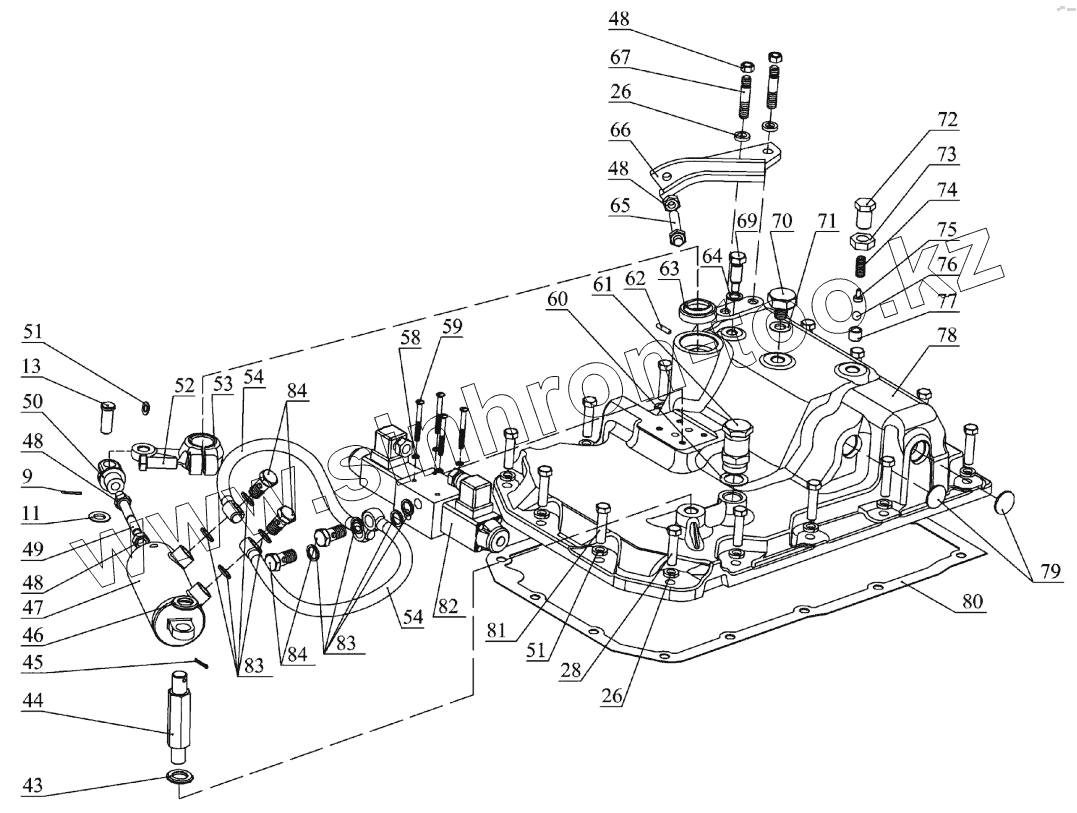
Каталог запасных частей к технике: МТЗ-1523.6. Механизм управления коробкой передач
9
11
13
26
26
28
43
44
45
46
47
48
48
48
48
49
50
51
51
52
53
54
54
58
59
60
61
62
63
64
65
66
67
69
70
71
72
73
74
75
76
77
78
79
80
81
82
83
83
84
84
| Позиция на иллюстрации | Заводской номер детали | Название детали | |
|---|---|---|---|
| 2025-1702010-А-01 | 2025-1702010-А-01 | Механизм управления | |
| 1 | 1222-1702093 | Рычаг | |
| 2 | Шпонка6х10 | Шпонка 6х10 | |
| 3 | 85-1702055 | Рычаг | |
| 4 | 80-1702108 | Болт | |
| 5 | Проволока1,6-О-C | Проволока1,6-О-C | |
| 6 | 1222-1702052 | Кулиса | |
| 7 | 80-3401013 | Шайба | |
| 8 | БолтМ10-6gх20.88.35.019 | Болт | |
| 9 | Шплинт3,2х18.019 | Шплинт | |
| 10 | Палец12x55 | Палец 12x55 | |
| 11 | 85-4619014 | Шайба | |
| 12 | 80С-1702073 | Рычаг | |
| 13 | Палец12x32 | Палец | |
| 14 | 80С-1702074 | Вилка | |
| 15 | 77.37.117 | Пружина | |
| 16 | 142-1702032 | Сфера | |
| 17 | 80С-1702060 | Вал | |
| 20 | Шайба6Т | Шайба | |
| 21 | БолтМ6-6gх20.88.35.019 | Болт | |
| 22 | 80С-1702075 | Шайба | |
| 23 | 55-47-569-А | Чехол | |
| 24 | 2103-1702078 | Корпус | |
| 25 | БолтМ10-6gх40.88.35.019 | Болт | |
| 26 | Шайба10.ОТ | Шайба | |
| 27 | 80C-1702066 | Прокладка | |
| 28 | БолтM10-6gх35.88.35.019 | Болт M10-6gх35.88.35.019 | |
| 29 | 80-1702068 | Прокладка | |
| 30 | 80-1702067 | Крышка | |
| 31 | БолтМ6-6gх16.88.35.019 | Болт | |
| 43 | Шайба16.ОТ | Шайба | |
| 44 | 1222-1702096-Б | Ось | |
| 45 | Шплинт3,2х25.019 | Шплинт | |
| 46 | ШайбаС.16.01.019 | Шайба С.16.01.019 | |
| 47 | 2102-4216110-Б | Цилиндр | |
| 48 | ГайкаМ10-6Н.04.019 | Гайка | |
| 49 | 2022-1702094 | Шпилька | |
| 50 | 822-3502203 | Вилка | |
| 51 | Шайба12.ОТ | Шайба | |
| 52 | БолтМ12-6gх35.88.35.019 | Болт | |
| 53 | 1222-1702092 | Рычаг | |
| 54 | 1222-1702130 | Маслопровод | |
| 58 | Шайба5Т | Шайба | |
| 59 | ВинтВ.М5-6gх50.58.019 | Винт В.М5-6gх50.58.019 | |
| 60 | B50-3522023 | Прокладка | |
| 61 | 85-1702270 | Сапун | |
| 62 | Штифт8x16 | Штифт 8x16 | |
| 63 | 2.2-25х42-1 | Манжета | |
| 64 | 85-1702051 | Шайба | |
| 65 | 2022-1702093 | Болт | |
| 66 | 2022-1702090-Б | Кронштейн | |
| 67 | 2022-1702142 | Шпилька | |
| 69 | 1222-1702048 | Винт | |
| 70 | 2025-1701531 | Пробка | |
| 71 | 50-1702048 | Прокладка | |
| 72 | 70-1703204 | Болт | |
| 73 | ГайкаМ16-6Н.04.019 | Гайка | |
| 74 | 50-1702148-A | Пружина | |
| 75 | 80-1704039 | Направляющая | |
| 76 | Шарик10,0-60 | Шарик 10,0-60 | |
| 77 | 70-1703013 | Втулка | |
| 78 | 1222-1702030-Б-01 | Крышка | |
| 79 | Заглушка28-10пс.Ц9.хр | Заглушка 28-10пс.Ц9.хр | |
| 80 | 85-1702026 | Прокладка | |
| 81 | 50-1702092 | Болт призонный М12х42 | |
| 82 | 1РГЕ-6Т/3.84Е.Г12О1 | Гидрораспределитель | |
| 83 | Д18-055-А | Шайба | |
| 84 | Д18-051 | Болт |
Содержащиеся в справочниках-каталогах запасные части и детали не предлагаются к продаже, а носят исключительно информационный характер