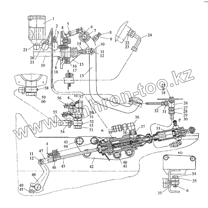
Каталог запасных частей к технике: МТЗ-1523.4. Управление сцеплением
1522-1602010
1
4
4
4
5
6
6
7
8
8
9
9
10
11
11
12
12
13
14
15
16
17
18
18
19
20
21
21
22
23
24
25
26
27
28
29
30
31
32
33
34
35
35
36
37
38
39
40
41
41
42
43
44
45
46
47
48
49
50
51
51
52
53
54
55
56
57
58
59
60
| Позиция на иллюстрации | Заводской номер детали | Название детали | |
|---|---|---|---|
| 1522-1602010 | 1522-1602010 | Управление сцеплением на переднем ходу | |
| 1 | 822-1602120 | Бачок | |
| 4 | 80-1602116 | Ушко | |
| 5 | 70-4616033 зам | Пружина | |
| 6 | 4x36 | Шплинт | |
| 7 | 50-3406037 | Шайба упорная | |
| 8 | М8х35 | Болт | |
| 9 | М8 | Гайка | |
| 10 | 822-3502203 | Вилка | |
| 11 | 3,2x18 | Шплинт | |
| 12 | 12x32 | Палец | |
| 13 | 1522-1602090 | Педаль | |
| 14 | М10 | Гайка | |
| 15 | 1522-1602030 | Кронштейн | |
| 16 | М10x25 | Болт | |
| 17 | 10 ОТ | Шайба | |
| 18 | 8Т | Шайба | |
| 19 | 2022-1602810 | Цилиндр главный | |
| 20 | 822-3503083 | Штуцер | |
| 21 | Д18-055-А | Шайба | |
| 22 | 1522-3407016 | Штуцер | |
| 23 | 025-029-25-2-2 | Кольцо | |
| 24 | 1522В-3407100-03 | Рукав высокого давления | |
| 25 | М8х25 | Болт | |
| 26 | 80В-1602106-Б | Угольник | |
| 27 | 822-3503155 | Штуцер | |
| 28 | 2022-1602200 | Рукав гибкий сцепления, тип 11 | |
| 29 | 923-3503221 | Ниппель | |
| 30 | Д80-4607212 | Гайка | |
| 31 | 822-3503701 | Штуцер | |
| 32 | 2522-1602595 | Трубопровод | |
| 33 | 1523-1602550 | Цилиндр рабочий | |
| 34 | 16x40 | Палец | |
| 35 | С16 | Шайба | |
| 36 | 40-3405061-А | Штуцер М20х1,5 | |
| 37 | 40-3405062 | Гайка | |
| 38 | 017-022-30-1-4 | Кольцо | |
| 39 | 80-1602510-01 | Гидроусилитель | |
| 40 | М12x90 | Болт | |
| 41 | 12 ОТ | Шайба | |
| 42 | 1522-1602067 | Кронштейн | |
| 43 | М16x50 | Болт | |
| 44 | 16 ОТ | Шайба | |
| 45 | 1221В-1602112 | Тяга | |
| 46 | М12х1,25 | Гайка | |
| 47 | 50-3502203 | Вилка | |
| 48 | 1522-1601219 | Рычаг | |
| 49 | М12х35 | Болт | |
| 50 | 1522-1602034 | Втулка | |
| 51 | 40-4607038-А | Шайба | |
| 52 | С80-4607380 | Труба | |
| 53 | 40-4607051 | Болт | |
| 54 | ХС-21 | Хомут | |
| 55 | 1522-1602711 | Шланг | |
| 56 | 50-1605152 | Пружина | |
| 57 | С8 | Шайба | |
| 58 | 1221-3407130 | Маслопровод | |
| 59 | 1221-3407140-01 | Клапан | |
| 60 | 40-4607033-А | Шайба |
Содержащиеся в справочниках-каталогах запасные части и детали не предлагаются к продаже, а носят исключительно информационный характер