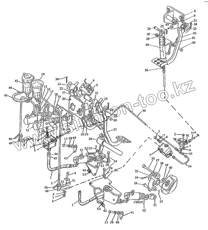
Каталог запасных частей к технике: МТЗ-1523.4. Управление «мокрыми» тормозами (вариант)
1523В-3503700
1
1
2
2
2
3
3
4
4
4
5
6
6
6
6
7
7
7
7
8
9
9
9
9
10
11
12
13
13
14
15
16
17
18
18
18
19
19
20
21
21
21
22
23
23
23
23
24
24
24
24
25
25
25
25
26
26
26
27
28
28
28
28
28
28
29
30
31
31
32
32
33
34
35
36
37
38
39
40
41
41
42
42
43
44
45
46
47
48
48
49
49
50
50
51
52
53
53
54
55
56
56
57
58
59
60
61
62
63
64
| Позиция на иллюстрации | Заводской номер детали | Название детали | |
|---|---|---|---|
| 1523В-3503700 | 1523В-3503700 | Управление тормозами | |
| 1 | 923-3503200 | Рукав | |
| 2 | M8-6gx25.88.35.019 | Болт | |
| 3 | 2822-1602100-03 | Кран | |
| 4 | С 8.01.08кп.019 | Шайба | |
| 5 | 1522-3503070 | Трубопровод | |
| 6 | М8-6Н.6.019 | Гайка | |
| 7 | 8Т | Шайба | |
| 8 | 1522-3503080 | Трубопровод | |
| 9 | M8-6gx35.88.35.019 | Болт | |
| 10 | 822-3503084 | Штуцер | |
| 11 | Д18-055-А | Шайба | |
| 12 | А73067386 | Цилиндр «Meritor» | |
| 13 | M10-6gx30.88.35.019 | Болт | |
| 14 | 822-3503090 | Бачок | |
| 15 | 822-3503100 | Трубопровод | |
| 16 | 822-3503083 | Штуцер | |
| 17 | 36-1104788 | Прокладка | |
| 18 | М10-6Н.6.019 | Гайка | |
| 19 | 822-3502203 | Вилка | |
| 20 | 923-3503720 | Кронштейн | |
| 21 | 70-4616033 зам | Пружина | |
| 22 | 923-3503730 | Педаль правая | |
| 23 | 50-3503071 | Шайба | |
| 24 | 5x36.019 | Шплинт | |
| 25 | 3,2x18.019 | Шплинт | |
| 26 | 12x32 | Палец | |
| 27 | 923-3503740 | Педаль левая | |
| 28 | 10 ОТ | Шайба | |
| 29 | M10-6gx25.88.35.019 | Болт | |
| 30 | 1523М-3503045 | Рычаг правый | |
| 31 | 822-1602550-Б | Цилиндр рабочий | |
| 32 | 50-1310158-Б | Пружина | |
| 33 | 1523М-3503040-Б | Кронштейн правый | |
| 34 | M10-6gx40.88.35.019 | Болт | |
| 35 | 1523М-3503030-В | Кронштейн левый | |
| 36 | 70-3503019 | Болт | |
| 37 | 70-3503018 | Шайба | |
| 38 | 1523М-3503025 | Рычаг левый | |
| 39 | М12x1,25-61-1.04.019 | Гайка | |
| 40 | 1523М-3503015 | Валик | |
| 41 | 923-1602116 | Ушко | |
| 42 | M12-6gx30.88.35.019 | Болт | |
| 43 | 822-3503090-01 | Бачок | |
| 44 | TORRO 12-20/9-C6W | Хомут | |
| 45 | 822-3503098 | Шланг | |
| 46 | Д80-4607212 | Гайка | |
| 47 | 923-3503221 | Ниппель | |
| 48 | С 10.01.08кп.019 | Шайба | |
| 49 | 1522-3503703 | Трубка | |
| 50 | 80-3723045 | Манжета | |
| 51 | 48-1104016 | Хомутик | |
| 52 | 1522-2407317 | Трубка | |
| 53 | 12 ОТ | Шайба | |
| 54 | 1523В-3503840 | Трубопровод | |
| 55 | 1221-2407288 | Тройник | |
| 56 | 822-3503701 | Штуцер | |
| 57 | 1522В-3503830 | Трубопровод | |
| 58 | 80В-1602106-Б | Угольник | |
| 59 | 1523В-3503850 | Трубопровод | |
| 60 | M10-6gx70.88.35.019 | Болт | |
| 61 | 80-1602116 | Ушко | |
| 62 | 1522В-3503820 | Педаль | |
| 63 | 80У-1602143 | Втулка | |
| 64 | 1221В-1602610 | Цилиндр главный |
Содержащиеся в справочниках-каталогах запасные части и детали не предлагаются к продаже, а носят исключительно информационный характер