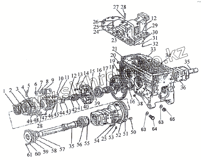
Каталог запасных частей к технике: МТЗ-1523.4. Корпус заднего моста, конечная передача
1
2
3
4
5
6
7
8
9
10
11
12
12
13
14
15
16
16
17
18
19
20
21
23
24
25
25
26
27
28
28
29
30
31
32
33
33
34
35
35
36
38
39
40
41
42
43
44
45
46
47
48
49
50
51
52
53
54
55
56
57
58
59
60
61
63
63
64
65
| Позиция на иллюстрации | Заводской номер детали | Название детали | |
|---|---|---|---|
| 1221-2407540 | 1221-2407540 | Шестерня ведущая | |
| 1523М-2401010 | 1523М-2401010 | Мост задний | |
| 1522-2401030 | 1522-2401030 | Крышка | |
| 1221-2407030 | 1221-2407030 | Крышка | |
| 1522-2407500-03 | 1522-2407500-03 | Конечная передача правая | |
| 1221-2407535-А1 | 1221-2407535-А1 | Водило | |
| 1522-2407500-02 | 1522-2407500-02 | Конечная передача левая | |
| 1221-2407130 | 1221-2407130 | Стакан с подшипником в сборе | |
| 1 | 7217А | Подшипник | |
| 2 | 1221-2407502-Б | Ступица эпицикла | |
| 3 | 1221-2497512 | Штифт | |
| 4 | 54.38.619 | Кольцо | |
| 5 | 1221-2407503-А | Пластина | |
| 6 | 1221-2407538 | Шайба сателлита | |
| 7 | 5х27,8А3 | Ролик | |
| 8 | 1221-2407539 | Шайба распорная | |
| 9 | 5336-2405035-А | Сателлит | |
| 10 | А.8х45 65Г | Штифт | |
| 11 | 1221-2407556-А | Валик | |
| 12 | 70-4605036 | Болт | |
| 13 | М12x35 | Болт | |
| 14 | ШП12 | Шайба | |
| 15 | 1221-2407131 | Стакан | |
| 16 | 217А | Подшипник | |
| 17 | 1221-2407123 | Втулка | |
| 18 | 1522-2407122 | Шестерня ведомая | |
| 19 | 50-4605027 | Штифт | |
| 20 | 36-3502037-А | Втулка | |
| 21 | 1522-2401016 | Прокладка | |
| 23 | 1522-4605007 | Втулка | |
| 24 | 1522-2401024 | Крышка | |
| 25 | ШП16 | Шайба | |
| 26 | M16x80 | Болт | |
| 27 | ШП14 | Шайба | |
| 28 | 1221-2407505 | Болт | |
| 29 | ШП20 | Шайба | |
| 30 | 1522-2401026 | Крышка | |
| 31 | ШП8 | Шайба | |
| 32 | М8х20 | Болт | |
| 33 | 1522-2401015 | Корпус заднего моста | |
| 33 | 1522-2401015 | Корпус заднего моста | |
| 34 | Д01-015 | Штифт установочный | |
| 35 | 1221-2407082 | Полуось | |
| 36 | 1523М-2407018-01 | Рукав полуоси правый | |
| 38 | 70-1701300 | Пробка | |
| 39 | 1221-2407541 | Вал | |
| 40 | 1221-2407542 | Втулка | |
| 41 | 5336-2405028-А | Шестерня ведущая | |
| 42 | 2С55 | Кольцо | |
| 43 | 1221-2407507 | Шайба | |
| 44 | 1221-2407537 | Шайба | |
| 45 | 1221-2407506 | Прокладка | |
| 46 | 1221-2407506-01 | Прокладка 0,2 мм | |
| 47 | 1221-2407536-Б | Водило | |
| 48 | 1221-2407504 | Пластина | |
| 49 | 5336-2405050-А | Шестерня ведомая | |
| 50 | 1221-2407508-01 | Штифт | |
| 51 | 1221-2407552 | Прокладка | |
| 52 | 1523М-2407018 | Рукав полуоси левый | |
| 53 | КГ 1 /8 | Пробка | |
| 54 | М16x60 | Болт | |
| 55 | 142-2407091 | Кольцо | |
| 56 | 7218А | Подшипник | |
| 57 | 2.2-90x120-1 | Манжета | |
| 58 | 1221-2407089 | Прокладка | |
| 59 | 1221-2407028 | Крышка | |
| 60 | ШП10 | Шайба | |
| 61 | М10x25 | Болт | |
| 62 | 2.2-25x45-1 | Манжета | |
| 63 | 18 ОТ | Шайба | |
| 64 | 1221-24010011-01 | Болт | |
| 65 | М18-6Н.6.019 | Гайка |
Содержащиеся в справочниках-каталогах запасные части и детали не предлагаются к продаже, а носят исключительно информационный характер