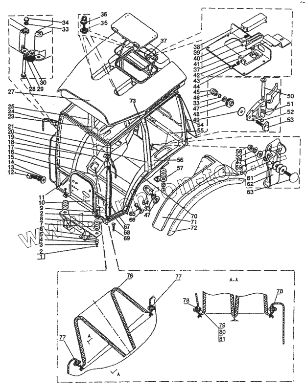
Каталог запасных частей к технике: МТЗ-1523.4. Кабина трактора
2522-6700010
1
2
2
3
4
5
6
7
8
9
10
10
10
11
12
13
14
15
16
17
18
19
20
21
23
24
25
27
28
29
30
33
33
33
33
34
35
36
37
37
38
39
40
41
42
43
44
45
46
47
47
47
48
49
50
51
52
53
54
55
56
57
57
58
59
60
61
62
62
63
64
65
66
67
68
69
70
71
71
72
72
73
76
77
77
78
78
79
80
81
| Позиция на иллюстрации | Заводской номер детали | Название детали | |
|---|---|---|---|
| 2522-6700010 | 2522-6700010 | Кабина в сборе | |
| 1 | 4x36 | Шплинт | |
| 2 | М16х1,5 | Гайка | |
| 3 | ШП 16 | Шайба | |
| 4 | ШЧ 16 | Шайба | |
| 5 | 130-5001364-В | Подушка нижняя | |
| 6 | 1522-6700030 | Кронштейн | |
| 7 | 80-6700160 | Виброизолятор | |
| 8 | 80-6700163 | Обойма | |
| 9 | 80-6700029 | Болт | |
| 10 | 2522-6703031 | Прокладка | |
| 10 | 2522-6703032 | Прокладка | |
| 10 | 2522-6703033 | Прокладка | |
| 11 | 2522-6702001-01 | Прижим | |
| 12 | ВМ 10x35 | Винт | |
| 13 | ШЧ 10 | Шайба | |
| 14 | ШП 10 | Шайба | |
| 15 | 2522-6703115-01 | Поручень | |
| 16 | 2522-6702466 | Прижим | |
| 17 | ТА 2522-6702330-01 | Накладка | |
| 18 | 2522-6702180 | Панель | |
| 19 | ТА 1222-6702341 | Пульт | |
| 20 | ТА 2522-6701070 | Накладка | |
| 21 | ТА 1222-6702350 | Пульт | |
| 23 | 2522-6702325-02 | Панель | |
| 24 | 2522-8201200 | Кронштейн | |
| 25 | ТА 2822-6701075 | Накладка | |
| 27 | 2522-6707035 | Крыша | |
| 28 | 2522-8201219 | Винт | |
| 29 | 2522-8201205 | Кронштейн | |
| 30 | 2522-8201204 | Валик | |
| 33 | ШП8 | Шайба | |
| 34 | 2522-6708029 | Гайка | |
| 35 | 2522-6707081 | Шайба | |
| 36 | 2522-6707033 | Рым-болт | |
| 37 | 822-6707051-Б | Кронштейн | |
| 38 | 822-6707064 | Панель | |
| 39 | 822-6707066 | Крышка | |
| 40 | 55-17-27 | Пружина | |
| 41 | 822-6707061 | Зацеп | |
| 42 | 822-6707067 | Кронштейн | |
| 43 | М6 | Гайка | |
| 44 | ШЧ8 | Шайба | |
| 45 | А 30.04.017 | Колпачок | |
| 46 | М8 | Гайка | |
| 47 | ШЧ8 | Шайба | |
| 48 | 80-6708903 | Втулка | |
| 49 | 80-6708904 | Прокладка | |
| 50 | 822-8700011 | Палец | |
| 51 | 2522-6708902 | Петля | |
| 52 | ШП5 | Шайба | |
| 53 | 2522-6708905 | Винт | |
| 54 | 21054 | Пневмоподъемник | |
| 55 | ТА 2522-6702320 | Накладка | |
| 56 | 2522-6702335 | Панель | |
| 57 | 1522-6700037 | Кронштейн | |
| 57 | 1522-6700037-01 | Кронштейн | |
| 58 | М8 | Гайка | |
| 59 | ШП5 | Шайба | |
| 60 | 822-6708152 | Кронштейн | |
| 61 | 80-6708904-Б | Прокладка | |
| 62 | 2522-6708160-01 | Рукоятка правая | |
| 62 | 2522-6708160 | Рукоятка левая | |
| 63 | 2522-6708165 | Винт | |
| 64 | 2522-6708032 | Втулка | |
| 65 | М6х20 | Винт | |
| 66 | 2522-6700018 | Шайба | |
| 67 | 2522-6703115 | Поручень левый | |
| 68 | 2522-6702001 | Прижим левый | |
| 69 | М6х16 | Винт | |
| 70 | ТА 2522-6702330 | Накладка | |
| 71 | 923-8404010-01 | Крыло правое | |
| 71 | 923-8404010 | Крыло левое | |
| 72 | 923-8404030 | Уширитель левый | |
| 72 | 923-8404030-01 | Уширитель правый | |
| 73 | 2522-6700015-01 | Каркас | |
| 76 | 2522-6702270 | Чехол | |
| 77 | 923-6702336 | Полоса | |
| 78 | 923-6702336-01 | Полоса | |
| 79 | В.М4х12 | Винт | |
| 80 | М4 | Гайка | |
| 81 | С4 | Шайба |
Содержащиеся в справочниках-каталогах запасные части и детали не предлагаются к продаже, а носят исключительно информационный характер