Каталог запасных частей к технике: МТЗ-1523. Облицовка
1
2
3
4
5
5
5
5
5
6
7
7
8
8
8
9
9
9
10
10
10
11
11
12
13
14
14
14
15
16
17
17
17
17
17
17
17
17
17
18
19
20
20
20
20
20
20
20
21
22
23
23
23
23
23
23
23
23
24
25
26
26
26
26
26
26
26
27
28
29
29
29
30
31
32
33
34
35
35
36
36
37
38
38
39
39
40
40
40
41
41
42
42
42
42
42
42
42
43
43
43
43
44
45
45
45
45
46
47
48
48
49
50
50
50
51
52
53
54
55
56
57
58
59
60
61
62
63
64
65
66
67
68
69
70
71
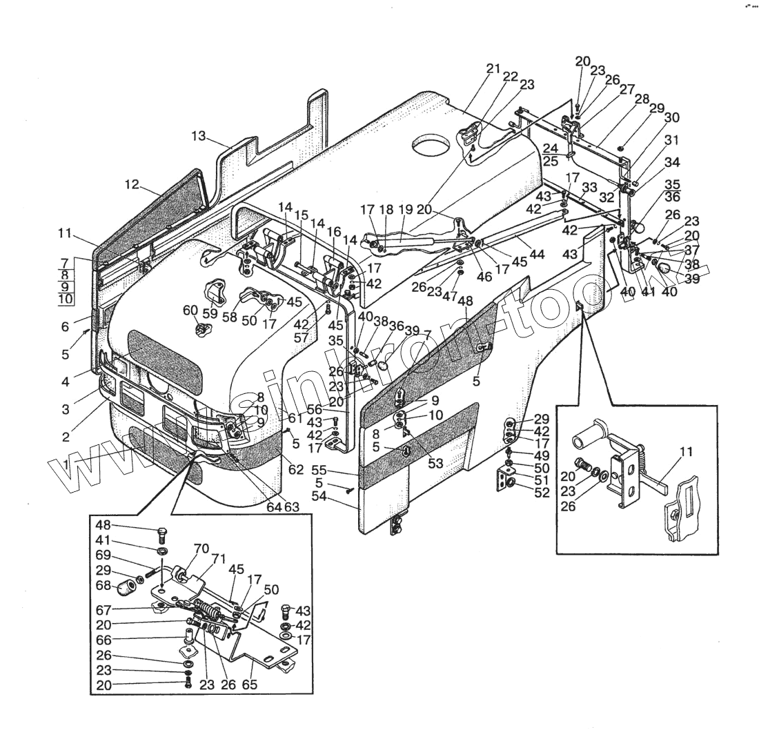
| Позиция на иллюстрации | Заводской номер детали | Название детали | |
|---|---|---|---|
| 1 | 1222-8401088 | Решетка | |
| 2 | 1222-8401080 | Рамка | |
| 3 | 923-8400018 | Отражатель | |
| 4 | 1222-8401089 | Решетка | |
| 5 | 4х10 | Шуруп | |
| 6 | 923-8402318-01 | Решетка | |
| 7 | ВМ5х20 | Винт | |
| 8 | М5 | Гайка | |
| 9 | С5 | Шайба | |
| 10 | 5Т | Шайба | |
| 11 | 90-8402410 | Замок левый | |
| 12 | 1222-8402390 | Решетка | |
| 13 | 1222-8402320 | Боковина | |
| 14 | 923-8400045 | Петля | |
| 15 | 923-8400031 | Ось | |
| 16 | 923-8400040 | Опора | |
| 17 | С8 | Шайба | |
| 18 | 5 | Шайба стопорная | |
| 19 | 21054 | Пневмоподъемник | |
| 20 | М6х16 | Винт | |
| 21 | 1222-8402020 | Капот | |
| 22 | 1221-8402420 | Скоба | |
| 23 | 6Т | Шайба | |
| 24 | 70-4803023 | Муфта | |
| 25 | ВМ5х12 | Винт | |
| 26 | С6 | Шайба | |
| 27 | 80-8402410 | Замок | |
| 28 | 1522-8402070-А | Стойка | |
| 29 | М8 | Гайка | |
| 30 | 1222-8400022 | Упор | |
| 31 | 70-6700103 | Колпак | |
| 32 | М12 | Гайка | |
| 33 | 1522-8402110 | Планка | |
| 34 | 822-8400080 | Трос управления | |
| 35 | 1321-8402095 | Фиксатор | |
| 36 | 90-8400056 | Втулка | |
| 37 | М10х25 | Болт | |
| 38 | М10х35 | Болт | |
| 39 | 70-3401093 | Наконечник | |
| 40 | М10 | Гайка | |
| 41 | 10ОТ | Шайба ОСТ 37.001.115-75 | |
| 42 | 8Т | Шайба | |
| 43 | М8х20 | Болт | |
| 44 | 1222-8400080 | Стяжка | |
| 45 | 3,2х25 | Шплинт | |
| 46 | 80-6708225 | Кронштейн | |
| 47 | М6 | Гайка | |
| 48 | 1222-8402380 | Решетка | |
| 49 | 923-8400011 | Фиксатор | |
| 50 | 549-1305044 | Прокладка | |
| 51 | 923-8400140-01 | Опора | |
| 52 | С16 | Шайба | |
| 53 | 90-8402410-01 | Замок правый | |
| 54 | 1222-8402310 | Боковина | |
| 55 | 923-8402318 | Решетка | |
| 56 | 1222-8402060 | Дуга | |
| 57 | М8х30 | Болт | |
| 58 | 822-8400032-01 | Тяга | |
| 59 | 1222-8400021 | Кронштейн | |
| 60 | 70-3801029 | Зажим | |
| 61 | 1222-8400015 | Маска | |
| 62 | 1222-8401087 | Решетка | |
| 63 | ВМ5х45 | Винт | |
| 64 | 923-8400018-01 | Отражатель | |
| 65 | 1222-8400150 | Опора | |
| 66 | 923-8400012 | Упор | |
| 67 | 80-8402410-01 | Замок | |
| 68 | А13.11.000 | Рукоятка | |
| 69 | 923-8400013 | Тяга | |
| 70 | 70-3723042-01 | Втулка | |
| 71 | 1222-8400014 | Кронштейн |
Содержащиеся в справочниках-каталогах запасные части и детали не предлагаются к продаже, а носят исключительно информационный характер