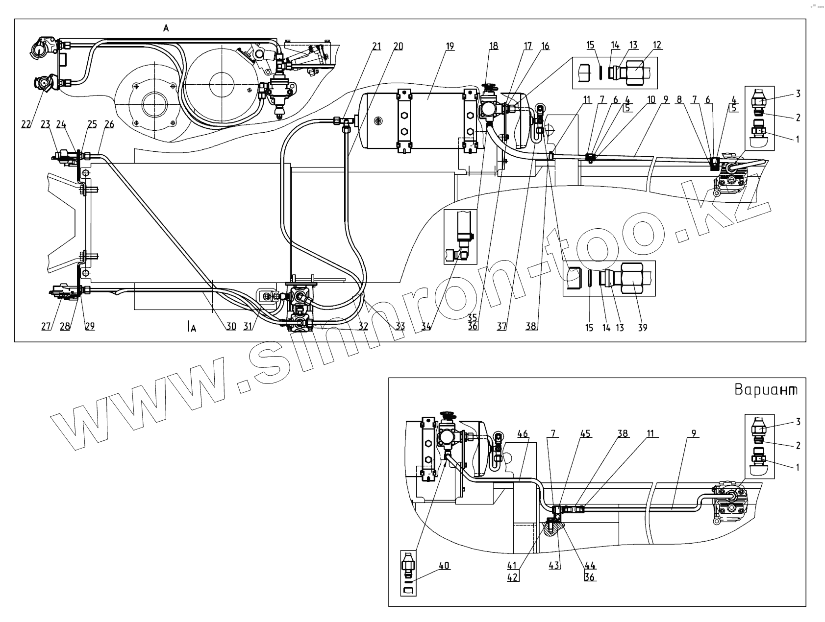
Каталог запасных частей к технике: МТЗ-1523. Трубопроводы и арматура пневмопривода тормозов прицепа
1
1
2
2
3
3
4
4
5
5
6
6
7
7
7
8
9
9
9
10
11
11
12
13
13
14
14
15
15
16
17
18
18
18
18
19
20
21
22
23
24
25
26
27
27
27
27
28
29
30
31
32
33
34
35
36
36
37
38
38
38
39
40
41
42
43
44
45
46
| Позиция на иллюстрации | Заводской номер детали | Название детали | |
|---|---|---|---|
| 1 | 70-3506022 | Штуцер | |
| 2 | 80-3506024 | Муфта | |
| 3 | 70-3506023 | Гайка накидная | |
| 4 | М10-6gх16.88.35.019 | Болт | |
| 5 | Шайба10Т | Шайба 10Т | |
| 6 | 1321-8700031 | Хомут | |
| 7 | 70-3506027 | Втулка | |
| 8 | 1523.4-3506012 | Планка | |
| 9 | 1522-3506010 | Трубопровод | |
| 9 | 1522-3506011 | Трубопровод | |
| 9 | 1523.4-3506011 | Трубка | |
| 9 | 1523.4-3506010 | Трубопровод | |
| 10 | 1221М-3506012 | Планка | |
| 11 | 16-27 | Хомут | |
| 12 | 1522-3506026 | Гайка накидная | |
| 13 | 1522-3506024 | Муфта | |
| 14 | 1522-3506022 | Нипель | |
| 15 | 012-015-19-2-4 | Кольцо | |
| 16 | 80-3512006 | Контргайка | |
| 17 | 1522-3512012 | Кронштейн | |
| 18 | 80-3512010 | Регулятор давления | |
| 18 | 11.3512010-30 | Регулятор давления | |
| 18 | А29.51.000Б | Регулятор давления | |
| 18 | 25-3512010 | Регулятор давления | |
| 19 | 50-3513015-А | Баллон | |
| 20 | 1522М-3506051 | Трубка | |
| 20 | 1522М-3506050 | Трубопровод | |
| 21 | 1522-3513551 | Тройник | |
| 22 | 64226-3521110 | Головка соединительная | |
| 23 | 64226-3521111 | Головка соединительная | |
| 24 | 1522-3521512 | Кронштейн | |
| 25 | 1522-3521513 | Штуцер | |
| 26 | 1021-3506020-03 | Трубопровод | |
| 26 | 1021-3506021-03 | Трубка | |
| 27 | А29.76.000 | Головка соединительная в сборе | |
| 27 | 80-3521010 | Головка соединительная | |
| 27 | 100-3521010 | Головка соединительная | |
| 27 | А12.3521010-01 | Головка соединительная | |
| 28 | 2022Д-3521711 | Кронштейн | |
| 29 | 1522-3521012 | Штуцер | |
| 30 | 1522М-3506041 | Трубка | |
| 30 | 1522М-3506040 | Трубопровод | |
| 31 | 1025-3506560-01 | Трубопровод | |
| 31 | 1025-3506561-01 | Трубка | |
| 32 | 1523-3514705-01 | Кран тормозной | |
| 33 | 2022Д-3506021 | Трубка | |
| 33 | 2022Д-3506020 | Трубопровод | |
| 34 | 70-3513015 | Угольник | |
| 35 | БолтМ8-6gх30.88.35.019 | Болт | |
| 36 | Шайба8Т | Шайба 8Т | |
| 37 | 1522-3506020 | Трубопровод | |
| 37 | 1522-3506021 | Трубка | |
| 38 | 1523.4-3506014 | Шланг | |
| 38 | 70-1405013 | Шланг | |
| 39 | 1522-3506023 | Гайка | |
| 40 | 014-017-19-2-4 | Кольцо | |
| 41 | БолтМ16-6gх32.88.35.019 | Болт | |
| 42 | Шайба16.ОТ | Шайба | |
| 43 | 1221-3506034 | Кронштейн | |
| 44 | БолтМ8-6gх16.88.35.019 | Болт | |
| 45 | 70-6804011 | Держатель | |
| 46 | 1522-3506030 | Трубопровод |
Содержащиеся в справочниках-каталогах запасные части и детали не предлагаются к продаже, а носят исключительно информационный характер