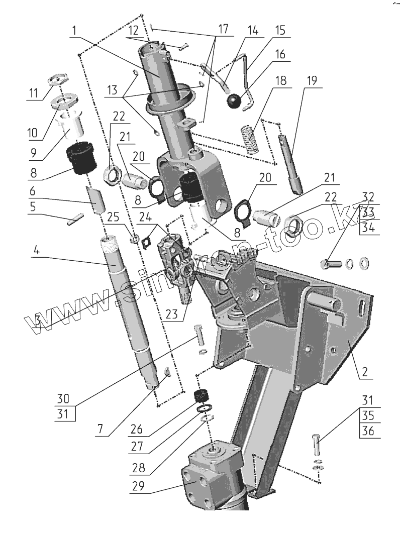
Каталог запасных частей к технике: МТЗ-1523. Колонка рулевая (реверса)
1
2
3
4
5
6
7
8
8
8
9
10
11
12
13
14
15
16
17
18
19
20
20
21
21
22
22
23
24
25
26
27
28
29
30
31
31
32
33
34
35
36
| Позиция на иллюстрации | Заводской номер детали | Название детали | |
|---|---|---|---|
| 2522В-3401025 | 2522В-3401025 | Колонка рулевая | |
| 1 | 1522В-3401080 | Труба | |
| 1 | 1522В-3401020 | Труба | |
| 2 | 2522В-3401030 | Кронштейн | |
| 3 | 80В-3401150 | Кардан | |
| 4 | 70-3401055 | Вал промежуточный | |
| 4 | 70-3401050-Б | Вал со штифтом и хвостовиком в сборе | |
| 5 | ШтифтШКЦ8х36 | Штифт ШКЦ 8х36 | |
| 6 | 70-3401054-Б | Хвостовик вала | |
| 7 | Шпонка5х10 | Шпонка 5х10 | |
| 8 | 70-3401077-Б | Амортизатор | |
| 9 | 70-3401076 | Втулка | |
| 10 | 70-3401078 | Гайка | |
| 11 | 70-3401079 | Контргайка | |
| 12 | Палец6х18 | Палец 6х18 | |
| 13 | ШайбаС6.01.019 | Шайба | |
| 14 | 70-3401083 | Рычаг | |
| 15 | 70-3401084 | Тяга | |
| 16 | 70-3401093 | Наконечник | |
| 17 | Шплинт2х12.019 | Шплинт | |
| 18 | 70-3401087 | Пружина 392 ГОСТ 13771-68 | |
| 19 | 70-3401088-Б | Фиксатор | |
| 20 | 70-3401028 | Шайба | |
| 21 | 70-3401089 | Винт | |
| 22 | ГайкаМ27х2-6Н.6.019 | Гайка М27х2-6Н.6.019 | |
| 23 | БолтМ10-6gx45.88.35.019 | Болт | |
| 24 | 80-3401013 | Шайба | |
| 25 | ГайкаМ10-6Н.6.019 | Гайка | |
| 26 | 85-3401016 | Втулка | |
| 27 | 80-3401019 | Шайба | |
| 28 | С20 | Кольцо | |
| 29 | OSPC-160ON150G0030 | Насос-дозатор | |
| 30 | БолтМ10-6gx35.88.35.019 | Болт М10-6gx35.88.35.019 | |
| 31 | Шайба10.ОТ | Шайба | |
| 32 | БолтМ12-6gx35.88.35.019 | Болт | |
| 33 | Шайба12.ОТ | Шайба | |
| 34 | ШайбаС12.01.019 | Шайба | |
| 35 | БолтМ10-6gx30.88.35.019 | Болт | |
| 36 | ШайбаС10.01.019 | Шайба С10.01.019 |
Содержащиеся в справочниках-каталогах запасные части и детали не предлагаются к продаже, а носят исключительно информационный характер