Каталог запасных частей к технике: МТЗ-1523. Кабина трактора
1
2
2
3
4
5
6
7
8
10
10
10
11
12
13
14
15
16
24
27
27
27
28
29
30
33
33
33
33
34
35
36
37
38
39
40
41
42
43
44
47
47
47
48
54
57
57
58
58
59
59
60
60
61
62
62
62
63
63
64
65
66
67
68
69
71
71
71
71
72
72
72
73
74
75
75
76
76
76
77
78
78
78
78
79
79
80
80
81
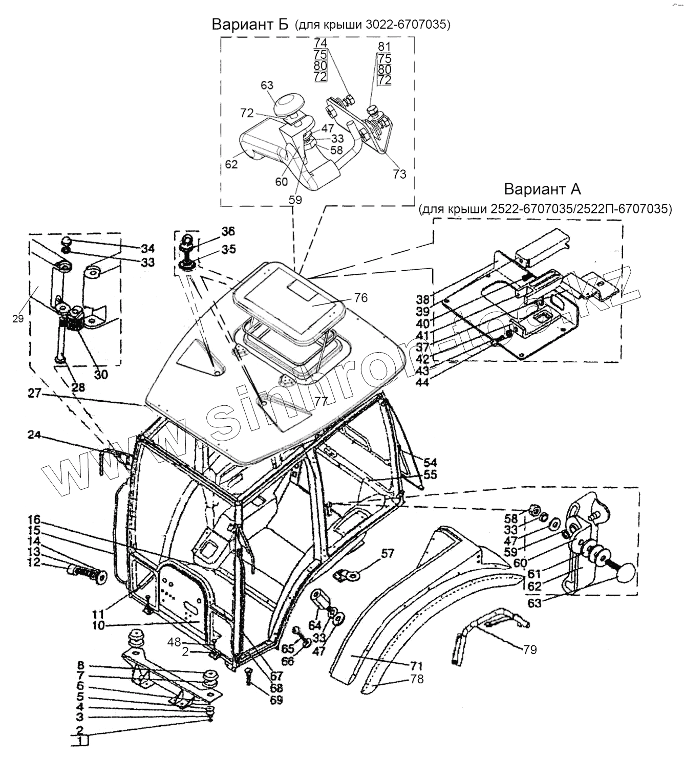
| Позиция на иллюстрации | Заводской номер детали | Название детали | |
|---|---|---|---|
| 2522-6700010 | 2522-6700010 | Кабина в сборе | |
| 1 | Шплинт4х36.019 | Шплинт | |
| 2 | М20х1,5 | Гайка | |
| 3 | Шайба16.ОТ | Шайба | |
| 4 | ШайбаС16.01.019 | Шайба С 16.01.019 | |
| 5 | 130-5001364-В | Подушка нижняя | |
| 6 | 1522-6700030 | Кронштейн | |
| 7 | 80-6700160 | Виброизолятор | |
| 8 | 80-6700163 | Обойма | |
| 10 | 2522-6703031-Б | Прокладка | |
| 10 | 2522-6703032-Б | Прокладка | |
| 10 | 2522-6703033-Б | Прокладка | |
| 11 | 2522-6702001-01 | Прижим | |
| 12 | ВинтВМ10x35 | Винт | |
| 13 | ШайбаС10.01.019 | Шайба С10.01.019 | |
| 14 | Шайба10.ОТ | Шайба | |
| 15 | 2522-6703115-01 | Поручень | |
| 16 | 2522-6702466 | Прижим | |
| 24 | 2522-8201200 | Кронштейн | |
| 27 | 3022-6707035 | Крыша | |
| 27 | 2522П-6707035 | Крыша | |
| 27 | 2522-6707035 | Крыша | |
| 28 | 2522-8201219 | Винт | |
| 29 | 2522-8201205 | Кронштейн | |
| 30 | 2522-8201204 | Валик | |
| 33 | Шайба8Т | Шайба 8Т | |
| 34 | 2522-6708029 | Гайка | |
| 35 | 2522-6707081 | Шайба | |
| 36 | 2522-6707033 | Рым-болт | |
| 37 | 822-6707051-Б | Кронштейн | |
| 38 | 822-6707065 | Панель | |
| 39 | 822-6707066 | Крышка | |
| 40 | 55-17-27 | Пружина | |
| 41 | 822-6707061 | Зацеп | |
| 42 | 822-6707067 | Кронштейн | |
| 43 | ВинтМ6 | Винт | |
| 44 | ШайбаС6.01.019 | Шайба | |
| 47 | ШайбаС8.01.019 | Шайба | |
| 48 | 2522-6700029 | Болт | |
| 54 | 21054 | Пневмоподъемник | |
| 57 | 1522-6700037-01 | Кронштейн | |
| 57 | 1522-6700037 | Кронштейн | |
| 58 | ГайкаМ8-6Н.6.019 | Гайка | |
| 59 | Шайба5.65Г.07.6 | Шайба 5.65Г.07.6 | |
| 60 | 822-6708152 | Кронштейн | |
| 61 | 80-6708904-Б | Прокладка | |
| 62 | 822-6708160 | Рукоятка | |
| 62 | 822-6708160-01 | Рукоятка | |
| 63 | 2522-6708165 | Винт | |
| 64 | 2522-6708032 | Втулка | |
| 65 | ВинтМ6х20 | Винт | |
| 66 | 2522-6700018 | Шайба | |
| 67 | 2522-6703115 | Поручень левый | |
| 68 | 2522-6702001 | Прижим левый | |
| 69 | ВинтМ6х16 | Винт | |
| 71 | 4520-8404011-01 | Крыло | |
| 71 | 923-8404010-01 | Крыло правое | |
| 71 | 923-8404010 | Крыло левое | |
| 71 | 4520-8404011 | Крыло | |
| 72 | 923-6707086 | Прокладка | |
| 73 | 3022-6707055 | Кронштейн | |
| 74 | БолтМ6-6gх20.88.35.019 | Болт | |
| 75 | Шайба6Т | Шайба | |
| 76 | 2522-6707040 | Люк | |
| 76 | 2522П-6707040 | Люк | |
| 76 | 3022-6707040 | Люк | |
| 77 | А37.08.045 | Уплотнитель | |
| 78 | 923-8404030 | Уширитель левый | |
| 78 | 923-8404030-01 | Уширитель правый | |
| 78 | 2022-8404012 | Уширитель | |
| 78 | 2022-8404012-01 | Уширитель | |
| 79 | 2522-8404020 | Кронштейн | |
| 79 | 2522-8404020-01 | Кронштейн | |
| 80 | ШайбаС6.01.019 | Шайба | |
| 81 | БолтМ6-6gх30.88.35.019 | Болт М6-6gх30.88.35.019 |
Содержащиеся в справочниках-каталогах запасные части и детали не предлагаются к продаже, а носят исключительно информационный характер