Каталог запасных частей к технике: МТЗ-1222/1523. Устройство навесное
1
1
2
2
2
2
2
3
3
4
5
5
6
6
6
7
8
9
10
11
12
13
14
15
15
15
15
16
16
17
17
17
18
19
20
20
21
22
23
24
25
26
27
28
29
30
31
32
33
34
34
35
36
37
38
38
39
39
40
41
42
43
44
45
46
47
48
49
50
51
52
53
54
55
55
56
57
58
59
60
61
62
63
64
64
65
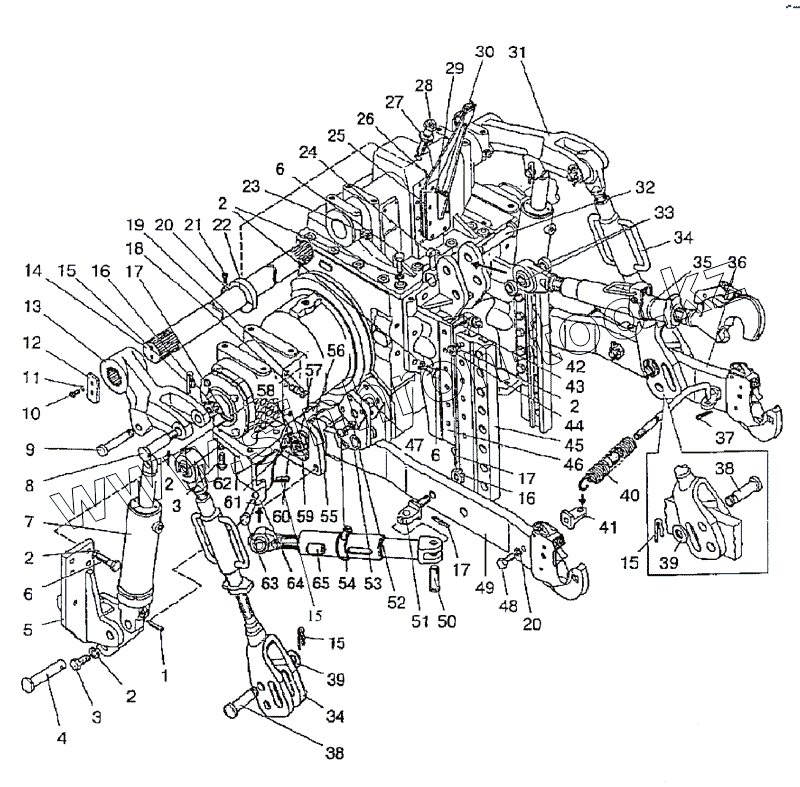
| Позиция на иллюстрации | Заводской номер детали | Название детали | |
|---|---|---|---|
| 1 | 6.3x50 | Шплинт | |
| 2 | ШП20 | Шайба | |
| 3 | 680-42707024 | Болт | |
| 4 | 1522-4605009 | Палец | |
| 5 | 1522-4605015 | Кронштейн | |
| 5 | 1522-4605015-01 | Кронштейн | |
| 6 | 70-4605036 | Болт | |
| 7 | Ц90Х250.010 | Цилиндр | |
| 8 | 1522-4605008 | Палец | |
| 9 | 1522-4605037 | Палец | |
| 10 | М12х25 | Болт | |
| 11 | ШП12 | Шайба | |
| 12 | 1522-4605024-Б | Шайба | |
| 13 | 1522-4605021 | Рычаг | |
| 14 | 1522-4605023 | Вал | |
| 15 | А61.07.001 | Шплинт | |
| 16 | А04.02.020 | Гайка | |
| 17 | 6,3x36 | Шплинт | |
| 18 | 50-4605027 | Штифт | |
| 19 | 54.38.619 | Кольцо | |
| 20 | ШП10 | Шайба | |
| 21 | M10x45 | Болт | |
| 22 | 1522-4605025 | Эксцентрик | |
| 23 | 1,3Ц9хр | Масленка | |
| 24 | А61.05.100-05 | Чека | |
| 25 | 1522-2401028 | Прокладка | |
| 26 | 1522-4605145 | Крышка | |
| 27 | 1522-4605149 | Гайка | |
| 28 | 917001941 | Датчик позиционный | |
| 29 | ШП8 | Шайба | |
| 30 | М8х25 | Болт | |
| 31 | 1522-4605021-01 | Рычаг | |
| 32 | 1522-4605036 | Палец | |
| 33 | 1522-4605091 | Втулка | |
| 34 | 1522-4605060 | Раскос | |
| 35 | 1522-4605090-Б | Тяга верхняя | |
| 36 | 1522-4605030 | Тяга нижняя | |
| 37 | 3,2x25 | Шплинт | |
| 38 | 1522-4605033 | Палец | |
| 39 | 1522-4605032 | Шайба | |
| 40 | 090243 | Штанга | |
| 41 | 1522-4605038 | Проушина | |
| 42 | 1522-2707062-Б | Направляющая | |
| 43 | 1522-2707149-01 | Болт | |
| 44 | M20x1,5 | Гайка | |
| 45 | 1522-2707062-Б-01 | Направляющая | |
| 46 | 1522-2707061-Б | Кронштейн | |
| 47 | 1220-4605507 | Штифт | |
| 48 | М10х50 | Болт | |
| 49 | 1522-4605035 | Тяга нижняя | |
| 50 | 1522-4605121 | Палец | |
| 51 | 1522-4605034 | Проушина | |
| 52 | ШП16 | Шайба | |
| 53 | 1522-4605039 | Втулка | |
| 54 | 1220-4605506 | Болт | |
| 55 | 1522-4605011 | Кронштейн левый | |
| 55 | 1522-4605011-01 | Кронштейн правый | |
| 56 | 1522-4605701 | Скоба | |
| 57 | 1522-4605702 | Втулка | |
| 58 | 917000165 | Датчик силовой | |
| 59 | 1522-4605006 | Крышка | |
| 60 | 70-3723042-01 | Втулка | |
| 61 | ШЧ10 | Шайба | |
| 62 | ВМ10х35 | Винт | |
| 63 | 1220-4605084-01 | Палец | |
| 64 | 1522-4605012 | Кронштейн левый | |
| 64 | 1522-4605012-01 | Кронштейн правый | |
| 65 | 1522-4605120 | Стяжка |
Содержащиеся в справочниках-каталогах запасные части и детали не предлагаются к продаже, а носят исключительно информационный характер