Вернуться на главную
Поиск
Каталоги запчастей к технике
Сельхозтехника
МТЗ
МТЗ-1222/1523
Установка батарей аккумуляторных
Каталог запасных частей к технике: МТЗ-1222/1523. Установка батарей аккумуляторных
zoom-in
zoom-out
enlarge
shrink
circle-right
circle-left
file-text2
info
cart
Тип техники
Не выбрано
Легковые автомобили
Грузовые автомобили и прицепы
Автобусы
Сельхозтехника
Спецтехника
Двигатели
Мототехника
Марка
Не выбрано
AGCO
Amity
CASE IH
DongFeng
Fortschritt
Foton
Franz Kleine
Gaspardo
Great Plains
KRONE
KUHN
Lemken
Lovol
MacDon
Massey Ferguson
New Holland
TIGARBO
Vaderstad
Versatile
Wirax
Агро
Агротехмаш
Бобруйскагромаш (ОАО «УКХ «Бобруйскагромаш»)
БЭМЗ
ВгТЗ
Воронежсельмаш
ВТЗ
Гомсельмаш
ДКЗ
ЗАО "Техника-сервис"
ЗиД
КЗК
Кировец-Ландтехник
Клевер
Красная Звезда
Лидагропроммаш
Лидсельмаш
ЛТЗ
Машстройхолдинг
Минитракторы
Мордовагромаш
МТЗ
Навигатор-Новое машиностроение
Нефтекамский автозавод
ПТЗ
Ремком
РСМ
Сибсельмаш
ТеКЗ
ТКЗ
ХЗТСШ
ХТЗ
ЮМЗ
Модель
Не выбрано
1025.5 (2013)
1025/1025.2/1025.3 (2009)
1220 (2011)
1220.5 (2013)
1523.5 (2013)
1523.5 с ГМТ (2014)
2122.3/2122.4 (2015)
3022ДЦ.1 (2011)
320.4М (2019)
622 (2012)
800/900 (2003)
80Х (2012)
892 (2011)
922.3 / 922.4 (2013)
922.5 (2013)
923.4 (2014)
923.5 (2013)
92П (2010)
952.5 (2013)
БЕЛАРУС 1025.7 (2022)
БЕЛАРУС 1220.7 (2022)
БЕЛАРУС 1221.7 (2022)
БЕЛАРУС 2103 (2015)
БЕЛАРУС 320 (1998)
БЕЛАРУС 3522.5 (2013)
БЕЛАРУС 3525 (2019)
БЕЛАРУС 421 (2014)
БЕЛАРУС 451 (2023)
БЕЛАРУС 651 (2023)
БЕЛАРУС 923.7 (2022)
БЕЛАРУС 952.7 (2022)
Беларус-08Н (09Н) (2015)
Беларус-422.1 (2018)
КБ-00.000 (САЗ) (2015)
КМ-2 (САЗ) (2015)
МТЗ-082
МТЗ-100
МТЗ-1005 (2008)
МТЗ-1021.3 (2010)
МТЗ-1025.4 (2009)
МТЗ-112Н, 132Н (2010)
МТЗ-1221 (1997)
МТЗ-1221 (2009) (2009)
МТЗ-1221.4 (2009)
МТЗ-1221.4 (2009)
МТЗ-1221.5 (2013)
МТЗ-1222/1523 (2009)
МТЗ-1522 (2008)
МТЗ-1523
МТЗ-1523 (2013)
МТЗ-1523 (2008) (2008)
МТЗ-1523.4 (2010)
МТЗ-1523.6 (2018)
МТЗ-2022 (2010)
МТЗ-2103 (2010)
МТЗ-2522 (2010)
МТЗ-310, 320, 321 (2011)
МТЗ-3522 (2011)
МТЗ-510/512, 520/522 (2010)
МТЗ-570 (2010)
МТЗ-80 (1998)
МТЗ-80 (2002) (2002)
МТЗ-80 (2009) (2009)
МТЗ-80.1 (2015)
МТЗ-821/921 (2009)
МТЗ-822 (2008)
МТЗ-826 (2010)
МТЗ-90/92 (2008)
МТЗ-900
МТЗ-900/920/950/952 (2009)
МТЗ-920.4/952.4 (2009)
МТЗ-922 (2008)
МТЗ-923 (2008)
ФР-00.010 (САЗ) (2015)
ФР-00700-Б (САЗ) (2015)
Схема
>
Не выбрано
Кабина
Кабина трактора
Дверь кабины
Сиденье оператора
Сиденье оператора
Механизм реверса
Отопитель
Установка отопителя
Установка отопителя-охладителя
Установка отопителя-охладителя
Установка компрессора
Установка конденсатора
Установка конденсатора и ресивера
Зеркало внутреннее
Зеркало наружное
Козырек противосолнечный
Крылья передних колес
Подножка
Облицовка
Управление БД и ПВМ
Управление БД, ПВМ и редуктором
Управление навесным устройством
Управление БД, ПВМ и ПВОМ
Подвеска и блок цилиндров
Головка цилиндров. Клапаны и толкатели клапанов
Крышки головок цилиндров, коллектор и сапуны
Поршни и шатуны. Вал коленчатый и маховик
Механизм распределительный
Газопровод дизеля
Маслопроводы турбокомпрессора
Привод насоса шестеренного
Баки топливные
Тракт воздухоподводящий
Установка воздухоочистителя
Трубопроводы топливные и установка топливной аппаратуры
Фильтр топливный грубой очистки
Фильтр топливный тонкой очистки
Управление подачей топлива
Управление подачей топлива
Глушитель
Радиатор водяной
Радиатор водяной
Труба водосборная и термостаты
Насос водяной и натяжитель
Установка муфты вентилятора. Установка вентилятора
Установка охладителя
Картер масляный
Насос масляный и приемник масляного насоса
Установка теплообменника
Установка масляного фильтра
Фильтр центробежный масляный
Установка пневмокомпрессора
Сцепление
Корпус сцепления
Корпус сцепления
Управление сцеплением (1523/1523.3/1222/1222.3)
Управление сцеплением (1523В/1523.3В/1222В/1222.3В)
Цилиндр главный 2022-1602810
Цилиндр главный (на реверсе)
Гидроусилитель
Рабочий цилиндр
Кран
Бачок
Коробка передач 1222-1700010
Вал первичный
Вал промежуточный
Вал пониженных передач и заднего хода
Вал блока шестерен
Вал вторичный
Механизм управления коробкой передач
Цилиндр
Привод насоса
Насос масляный шестеренный
Фильтр
Фильтр-распределитель
Привод переднего ведущего моста
Привод карданный
Ограждение
Передний ведущий мост
Главная передача переднего ведущего моста (1222-2300020-05)
Дифференциал
Редуктор конечной передачи переднего ведущего моста (1222-2300020-05)
Корпус заднего моста. Конечная передача
Дифференциал. Стакан подшипников
Конечная передача (смазка)
Механизм переключения BOM (независимый/синхронный)
Механизм блокировки дифференциала
Механизм блокировки дифференциала (в комплектации с «мокрыми» тормозами)
Полурама
Тяга рулевая
Колеса передние ведущие
Колеса задние ведущие
Колонка рулевая
Колонка рулевая
Колонка рулевая (реверс)
Гидроцилиндр 50x25-200
Управление рулевое гидрообъемное
Управление рулевое гидрообъемное (реверс)
Тормоза (вариант исполнения)
Тормоза «мокрые» (левый/правый)
Управление тормозами (вариант с "сухими" тормозами)
Цилиндр рабочий
Управление тормозами. Бачки тормозной жидкости
Управление тормозами на реверсе (Вариант с „сухими" тормозами)
Управление тормозами (вариант с «мокрыми» тормозами)
Управление тормозами (вариант с "мокрыми" тормозами)
Управление стояночным тормозом (сухие)
Управление стояночным тормозом (мокрым)
Трубопроводы и арматура пневмопривода тормозов прицепа
Регулятор давления
Баллон
Кран тормозной
Кран тормозной
Головка соединительная
Головка соединительная
Электрооборудование
Установка фар дорожных
Электрооборудование по дизелю
Электрооборудование по трансмиссии
Электрооборудование по трансмиссии
Электрооборудование по кабине
Электрооборудование по кабине
Установка фонарей передних
Установка генератор
Установка батарей аккумуляторных
Щиток приборов
Балласт
Устройство навесное
Узлы и элементы навесного устройства
Переднее навесное устройство
Узлы и элементы переднего навесного устройства
Узлы и элементы переднего навесного устройства
Узлы и элементы переднего навесного устройства
Тягово-сцепное устройство
Вал отбора мощности
Передний вал отбора мощности
Редуктор переднего вала отбора мощности
Управление гидроприводом заднего ВОМ
Гидроагрегаты и арматура
Бак
Привод насоса гидросистемы
Инструмент оператора
Аптечка
Ящик интсрументальный
1
1
2
3
4
4
5
5
6
7
8
8
8
9
10
11
12
13
13
14
15
15
16
17
18
18
19
19
20
21
22
23
24
24
25
26
26
27
28
28
29
30
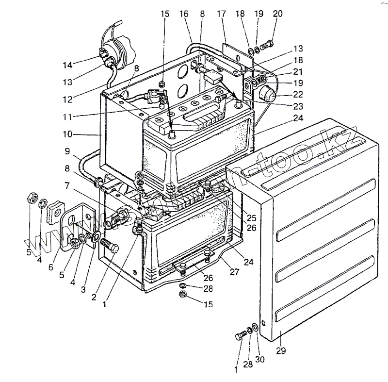
Позиция на иллюстрации
Заводской номер детали
Название детали
1
М8х20
Болт
2
М16х55
Болт
3
ШЧ16
Шайба
4
ШП16
Шайба
5
М16
Гайка
6
1221В-3703031
Кронштейн
7
M16x32
Болт
8
50-4607064
Втулка
9
1221В-3724044В
Провод
10
1221В-3703010-02
Контейнер
11
М8х30
Болт
12
1221В-3724041
Провод
13
4-60
Чехол
14
4-16
Чехол
15
М8
Гайка
16
923-3724042
Провод
17
1522-3703025
Кожух
18
ШЧ6
Шайба
19
ШП6
Шайба
20
М6Х16
Болт
21
М6
Гайка
22
3737.15
Выключатель батарей 24В дистанционный
23
М6х20
Винт
24
3703.26
Батарея аккумуляторная 12/120
25
1221В-3724075
Провод
26
80В-3703020
Прижим
27
1221В-3703010
Контейнер
28
ШЧ8
Шайба
29
1221В-3703020-01
Кожух
30
ШЧ8
Шайба
Содержащиеся в справочниках-каталогах запасные части и детали не предлагаются к продаже, а носят исключительно информационный характер
Дополнительная информация
×
Название:
Номер:
Примечание: