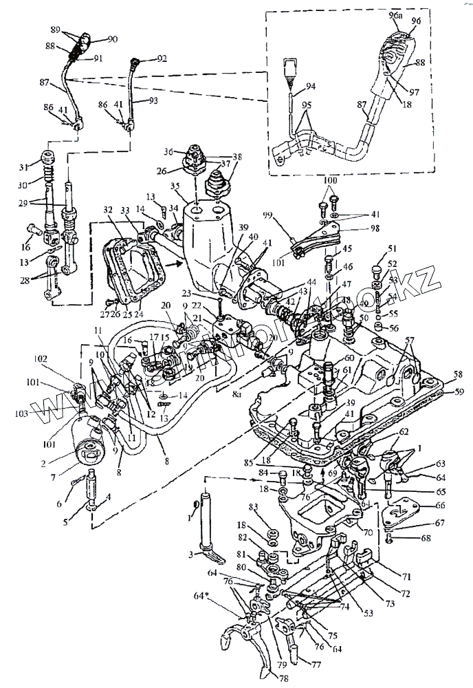
Каталог запасных частей к технике: МТЗ-1222/1523. Механизм управления коробкой передач
1222-1702010-01
1
1
2
3
4
5
6
7
8
8
8
8
9
9
9
9
9
10
11
11
12
13
13
13
14
14
15
16
16
17
18
18
18
18
18
18
19
20
20
20
21
22
23
24
25
26
26
27
28
29
30
31
32
33
34
35
36
37
38
39
39
40
41
41
41
41
41
42
43
44
45
46
47
48
49
50
51
52
53
53
54
55
56
57
58
59
60
61
62
63
64
64
64
64
64
65
66
67
68
69
70
71
71
72
73
74
75
76
76
76
77
78
79
80
81
82
83
84
85
86
86
87
87
87
88
88
89
90
91
92
93
94
95
96
96
96
97
98
99
100
101
101
101
102
103
| Позиция на иллюстрации | Заводской номер детали | Название детали | |
|---|---|---|---|
| 1222-1702010-01 | 1222-1702010-01 | Механизм управления коробкой передач | |
| 1 | 6x10 | Шпонка | |
| 2 | ШЧ16 | Шайба | |
| 3 | 1222-1702093 | Рычаг | |
| 4 | ШП16 | Шайба | |
| 5 | 1222-1702096 | Ось | |
| 6 | 3,2x25 | Шплинт | |
| 7 | 2102-4216110-Б | Цилиндр | |
| 8 | 1222-1702130 | Маслопровод | |
| 8 | 1222-1702130-01 | Маслопровод | |
| 9 | Д18-055-А | Шайба | |
| 10 | 1222-1702114 | Штуцер | |
| 11 | 009-012-19-1-4 | Кольцо | |
| 12 | ДСДМ-М | Датчик сигнализатора давления | |
| 13 | 3,2x18 | Шплинт | |
| 14 | 85-4619014 | Шайба | |
| 15 | 1222-1702092 | Рычаг | |
| 16 | 12x32 | Палец | |
| 17 | М12х35 | Болт | |
| 18 | ШП12 | Шайба | |
| 19 | 2.2-25x42-1 | Манжета | |
| 20 | Д18-051 | Болт | |
| 21 | RH06101-012/00GA-AMP | Гидрораспределитель | |
| 22 | ШП5 | Шайба | |
| 23 | В.М5х50 | Винт | |
| 24 | 80-1702068 | Прокладка | |
| 25 | 80-1702067 | Крышка | |
| 26 | ШП6 | Шайба | |
| 27 | М6х16 | Винт | |
| 28 | 80С-1702073 | Рычаг | |
| 29 | 80С-1702074 | Вилка | |
| 30 | 77.37.117 | Пружина | |
| 31 | 142-1702032 | Сфера | |
| 32 | 12x55 | Палец | |
| 33 | 1222-1702070 | Вал | |
| 34 | 80С-1702060 | Вал | |
| 35 | 80-1702078-А | Корпус | |
| 36 | М6х20 | Винт | |
| 37 | 55-47-569-А | Чехол | |
| 38 | 80С-1702075 | Шайба | |
| 39 | М10х35 | Болт | |
| 40 | M10x40 | Болт | |
| 41 | ШП10 | Шайба | |
| 42 | 80-4608057 | Пружина | |
| 43 | 1222-1702064 | Втулка | |
| 44 | С25 | Кольцо | |
| 45 | 1222-1702048 | Винт | |
| 46 | 85-1702051 | Шайба | |
| 47 | 80С-1702066 | Прокладка | |
| 48 | 8x16 | Штифт | |
| 49 | ВК12-41 | Выключатель | |
| 50 | 50-1702048 | Прокладка | |
| 51 | 70-1703204 | Болт | |
| 52 | М16 | Гайка | |
| 53 | 50-1702148-А | Пружина фиксатора | |
| 54 | 80-1704039 | Направляющая | |
| 55 | 10,0-60 | Шарик ГОСТ 3722-81 | |
| 56 | 70-1703013 | Втулка | |
| 57 | 28-10 | Заглушка | |
| 58 | 1222-1702030 | Крышка | |
| 59 | 85-1702026 | Прокладка | |
| 60 | 85-1702270 | Сапун | |
| 61 | В50-3522023 | Прокладка | |
| 62 | 85-1702055 | Рычаг | |
| 63 | 80-1702108 | Болт | |
| 64 | 1,6-О-С | Проволока | |
| 65 | 1222-1702055 | Рычаг | |
| 66 | 1222-1702052 | Кулиса | |
| 67 | 80-3401013 | Шайба | |
| 68 | M10x20 | Болт | |
| 69 | 1222-1702074 | Втулка | |
| 70 | 1222-1702081 | Корпус вилок | |
| 71 | 1222-1702080 | Корпус вилок | |
| 71 | 1222-1702084 | Поводок | |
| 72 | 1222-1702086 | Поводок | |
| 73 | 1222-1702083 | Поводок | |
| 74 | 9,922-100 | Шарик | |
| 75 | 85-1702301 | Ось | |
| 76 | 220-1702061 | Болт | |
| 77 | 1222-1702109 | Поводок | |
| 78 | 1222-1702091 | Вилка | |
| 79 | 1222-1702107 | Ограничитель | |
| 80 | 1222-1702112 | Ось | |
| 81 | 1222-1702105 | Коромысло | |
| 82 | 941/20 | Подшипник | |
| 83 | М12 | Гайка | |
| 84 | М12х30 | Болт | |
| 85 | 50-1702092 | Болт призонный М12х42 | |
| 86 | М10х30 | Болт | |
| 87 | 1222-1702610-А1 | Рычаг | |
| 88 | 75-1702505 | Рукоятка | |
| 89 | ВК12-1 | Выключатель | |
| 90 | 4x30ГОСТ10621-80 | Винт | |
| 91 | 75-1702502 | Крышка | |
| 92 | А15.05.020 | Рукоятка | |
| 93 | 2022-1702500-А | Рычаг | |
| 94 | 1221-3724925-А | Жгут | |
| 95 | 80-3723045 | Манжета | |
| 96 | АЛ307КМА0.336.076ТУ | Светодиод | |
| 96 | АЛ307ЧМАО.336.076ТУ | Светодиод | |
| 97 | М12х1,25-6Н.6.019ГОСТ5915-70 | Гайка | |
| 98 | 2022-1702090 | Кронштейн | |
| 99 | 2022-1702093 | Болт | |
| 100 | M10x25 | Болт | |
| 101 | М10 | Гайка | |
| 102 | 822-3502203 | Вилка | |
| 103 | 2022-1702094 | Шпилька |
Содержащиеся в справочниках-каталогах запасные части и детали не предлагаются к продаже, а носят исключительно информационный характер