Каталог запасных частей к технике: МТЗ-1222/1523. Электрооборудование по кабине
1
2
3
4
4
4
5
6
7
8
8
9
10
10
10
11
11
11
12
12
12
12
13
14
15
15
16
16
17
17
18
19
20
21
21
22
23
24
25
25
26
26
27
28
29
29
29
30
31
32
33
33
34
35
36
37
38
39
40
41
42
43
44
45
46
47
48
49
50
51
52
53
54
55
56
57
58
59
60
61
62
63
64
65
66
67
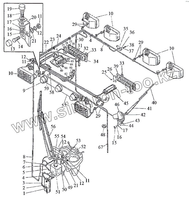
| Позиция на иллюстрации | Заводской номер детали | Название детали | |
|---|---|---|---|
| ВМ6Х12 | ВМ6Х12 | Винт | |
| М4 | М4 | Гайка | |
| ШП4 | ШП4 | Шайба | |
| 1 | 923-3712016 | Прокладка | |
| 2 | 923-3712017 | Кронштейн | |
| 3 | 923-3724130-В | Жгут | |
| 4 | 80-3723045 | Манжета | |
| 5 | 923-5208002 | Трубка | |
| 6 | 5208.15 | Распределитель | |
| 7 | 122.5208000 | Омыватель | |
| 8 | 923-5208002-01 | Трубка | |
| 9 | 3738.10 | Фонарь автопоезда | |
| 10 | 8724.304/31 | Фара рабочая | |
| 11 | М6 | Гайка | |
| 12 | ШП6 | Шайба | |
| 13 | АЗО.04.017 | Колпачок | |
| 14 | М6Х16 | Болт | |
| 15 | М8 | Гайка | |
| 16 | ШП8 | Шайба | |
| 17 | ШЧ6 | Шайба | |
| 18 | М8х20 | Болт | |
| 19 | АЗО.04.017-01 | Колпачок | |
| 20 | 90-8402071-01 | Кронштейн | |
| 21 | ШЧ8 | Шайба | |
| 22 | 923-3724233-А | Жгут | |
| 23 | 923-3724353-Б | Жгут | |
| 24 | 923-3724350-Б | Жгут | |
| 25 | 4x10 | Винт | |
| 26 | 923-3801344 | Пластина | |
| 27 | 3710.40 | Выключатель знака автопоезда | |
| 28 | 3709.35 | Переключатель стеклоочиститех лоомывателя | |
| 29 | 923-3723024 | Втулка | |
| 30 | 923-3724014-Б | Жгут | |
| 31 | 3710.30 | Выключатель фар рабочих | |
| 32 | 3709.15 | Переключатель вентилятора | |
| 33 | 80-3801327 | Заглушка | |
| 34 | 923-3801342 | Щиток | |
| 35 | 5208.10 | Жиклер | |
| 36 | 70-5208011-А | Пластина | |
| 37 | ШЧ5 | Шайба | |
| 38 | 4x10 | Винт | |
| 39 | 923-7901018 | Щиток | |
| 40 | 20.5212400 | Щетка стеклоочистителя | |
| 41 | 20.5215300 | Рычаг стеклоочистителя | |
| 42 | 822-5205043 | Втулка | |
| 43 | 80-3723045-01 | Манжета | |
| 44 | 923-5205022 | Кронштейн | |
| 45 | 3714.25 | Плафон освещения кабины 185x46,5 | |
| 46 | Т240-5205010 | Привод с кожухом | |
| 47 | 923-3723042 | Втулка | |
| 48 | 80-3723048 | Втулка | |
| 49 | BM4x10 | Винт | |
| 50 | 122.5208304 | Кронштейн | |
| 51 | М6Х12 | Болт | |
| 52 | 923-3724130-В | Жгут | |
| 53 | 923-5208005 | Кронштейн | |
| 54 | 5205.15 | Стеклоочиститель пантографный | |
| 55 | 70-1602037 | Втулка | |
| 56 | 5205.45 | Щетка с рычагом 660/600 с форсункой | |
| 57 | 80-3738001 | Кронштейн | |
| 58 | М5 | Гайка | |
| 59 | ШП5 | Шайба | |
| 60 | 822-3801341 | Щиток | |
| 61 | 80-3805065 | Винт | |
| 62 | 70-3723042-01 | Втулка | |
| 63 | 3747.50 | Реле на замыкание | |
| 64 | 006-010-25-1-4 | Кольцо | |
| 65 | 923-3801343-Б | Табличка | |
| 66 | 3722.25 | Блок предохранителей | |
| 67 | 923-3724351 | Жгут |
Содержащиеся в справочниках-каталогах запасные части и детали не предлагаются к продаже, а носят исключительно информационный характер