Каталог запасных частей к технике: МТЗ-1221 (2009). Корпус гидросистемы и фильтр
1
2
2
3
4
5
6
7
8
9
10
11
12
13
14
15
16
17
18
19
19
20
21
22
23
24
25
26
27
27
28
28
28
28
29
30
31
32
33
34
34
35
36
36
37
38
39
39
40
40
41
42
43
44
45
46
47
48
48
49
50
50
51
51
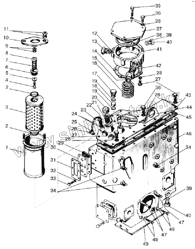
| Позиция на иллюстрации | Заводской номер детали | Название детали | |
|---|---|---|---|
| 85-4608090 | 85-4608090 | Клапан 85-4608091 в сборе | |
| 85-4608010 | 85-4608010 | Корпус гидросистемы | |
| A28.04.10.000 | A28.04.10.000 | Клапан | |
| 1 | A28.04.20.000-A1 | Корпус | |
| 2 | 042-050-46-2-2 | Кольцо | |
| 3 | 761-00-00-00 | Элемент фильтрующий Реготмас 635-1 | |
| 4 | B1.M6х40 | Винт | |
| 5 | 8.20.004 | Клапан | |
| 6 | A28.04.10.001 | Корпус клапана | |
| 7 | 8.20.002 | Пружина | |
| 8 | 8.20.005 | Шайба опорная | |
| 9 | 2M6 | Гайка | |
| 10 | A28.04.00.001 | Ограничитель | |
| 11 | M6 | Гайка | |
| 12 | 021-025-25-1-4 | Кольцо | |
| 13 | 85-4608021 | Пробка | |
| 14 | 85-4608089 | Прокладка | |
| 15 | 85-4607034 | Штуцер | |
| 16 | 85-4608057 | Пружина | |
| 17 | 50-4608059 | Пробка сапуна | |
| 18 | 50-4608063 | Фильтр | |
| 19 | 50-4608062 | Шайба сапуна | |
| 20 | КГ1/4 | Пробка | |
| 21 | A61-C06-A3 | Фильтр | |
| 22 | 85-4608091 | Клапан | |
| 23 | 50-1002450 | Цепочка | |
| 24 | 011-015-25-2-4 | Кольцо | |
| 25 | 36-1101067 | Кольцо | |
| 26 | 50-3407069 | Чека | |
| 27 | M8х20 | Болт | |
| 28 | ШП8 | Шайба | |
| 29 | 85-4608086-A | Прокладка | |
| 30 | 85-4608087 | Указатель | |
| 31 | 85-4608088 | Пластина | |
| 32 | ШП6 | Шайба | |
| 33 | БолтM6x16 | Болт | |
| 34 | M10xT2/6gx20 | Шпилька | |
| 35 | M8x80 | Болт | |
| 36 | M8x25 | Болт | |
| 37 | 85-4608022 | Крышка | |
| 38 | 130-135-30-2-4 | Кольцо | |
| 39 | 017-022-30-2-2 | Кольцо | |
| 40 | 50-4608027-B | Пробка | |
| 41 | 85-4608018 | Стакан | |
| 42 | 027-032-30-2-4 | Кольцо | |
| 43 | 85-4608025 | Крышка | |
| 44 | 80-4608073 | Кронштейн | |
| 45 | 85-4608031 | Прокладка | |
| 46 | 85-4608016-A | Корпус гидросистемы | |
| 47 | M10 | Гайка | |
| 48 | M10x40 | Болт | |
| 49 | 50-4608049-01 | Прокладка | |
| 50 | M10xT2/6gx35 | Шпилька | |
| 51 | ШП10 | Шайба |
Содержащиеся в справочниках-каталогах запасные части и детали не предлагаются к продаже, а носят исключительно информационный характер