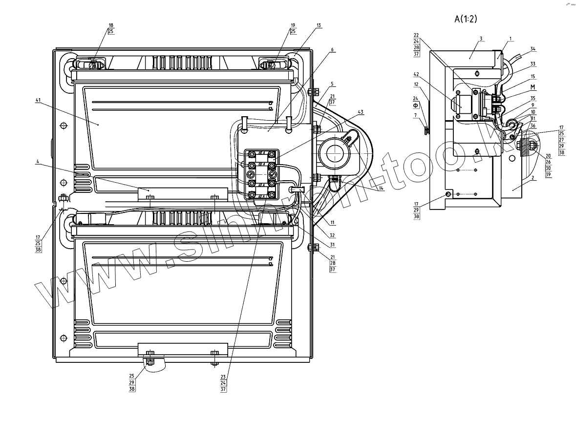
Каталог запасных частей к технике: МТЗ-1221.5. Установка батарей аккумуляторных
1
2
3
4
5
6
7
9
10
11
12
13
14
15
17
17
17
18
19
20
21
21
22
23
24
24
24
25
25
25
25
25
26
27
28
28
29
29
29
30
31
31
32
33
34
35
36
37
37
37
37
38
38
38
38
39
41
42
43
| Позиция на иллюстрации | Заводской номер детали | Название детали | |
|---|---|---|---|
| 1221.5-3700080 | 1221.5-3700080 | Установка аккумуляторных батарей | |
| 1 | 1221В-3703010-02 | Контейнер | |
| 2 | 1221В-3703010-03 | Контейнер | |
| 3 | 1222.4-3703020 | Кожух | |
| 4 | 80В-3703020 | Прижим | |
| 5 | 1522-3703025 | Кожух | |
| 6 | 1222.4-3722010 | Кронштейн | |
| 7 | 80-3805065 | Винт | |
| 9 | 320-3723021 | Кронштейн | |
| 10 | 70-3723042-02 | Втулка | |
| 11 | 80-3723045 | Манжета | |
| 12 | 822-3801341-Б | Щиток | |
| 13 | 50-4607064 | Втулка | |
| 14 | 54.24.445-Б | Наконечник | |
| 15 | ТМ-59-6000-38 | Наконечник резиновый | |
| 17 | БолтМ8-6gx20.88.35.019 | Болт | |
| 18 | БолтМ8-6gx30.88.35.019 | Болт | |
| 19 | БолтМ8-6gx35.88.35.019 | Болт М8-6gx35.88.35.019 | |
| 20 | БолтМ16-6gx40.88.35.019 | Болт М16-6gx40.88.35.019 | |
| 21 | БолтМ6-6gx16.88.35.019 | Болт | |
| 22 | БолтМ6-6gx20.88.35.019 | Болт | |
| 23 | ВинтВ.М6-6gx16.58.019 | Винт В.М6-6gx16.58.019 | |
| 24 | ГайкаМ6-6Н.6.019 | Гайка | |
| 25 | ГайкаМ8-6Н.6.019 | Гайка | |
| 26 | ГайкаМ16-6Н.6.019 | Гайка | |
| 27 | ШайбаС8.01 | Шайба | |
| 28 | ШайбаС.6.01.019 | Шайба С.6.01.019 | |
| 29 | ШайбаС.8.01.019 | Шайба С.8.01.019 | |
| 30 | ШайбаС.16.01.019 | Шайба С.16.01.019 | |
| 31 | 1222.4-3724045-Б | Провод | |
| 32 | 80-3724381-Б | Провод | |
| 33 | 923-3724042 | Провод | |
| 34 | 1221В-3724041 | Провод | |
| 35 | 1221В-3724044-В | Провод | |
| 36 | 1221В-3724075 | Провод | |
| 37 | Шайба6Т | Шайба | |
| 38 | Шайба8Т | Шайба 8Т | |
| 39 | Шайба16.ОТ | Шайба | |
| 41 | Батарея12v | Батарея аккумуляторная | |
| 41 | Батарея12v | Батарея аккумуляторная | |
| 42 | 3737.15 | Выключатель батарей 24В дистанционный | |
| 43 | 3722.90 | Блок предохранителей |
Содержащиеся в справочниках-каталогах запасные части и детали не предлагаются к продаже, а носят исключительно информационный характер