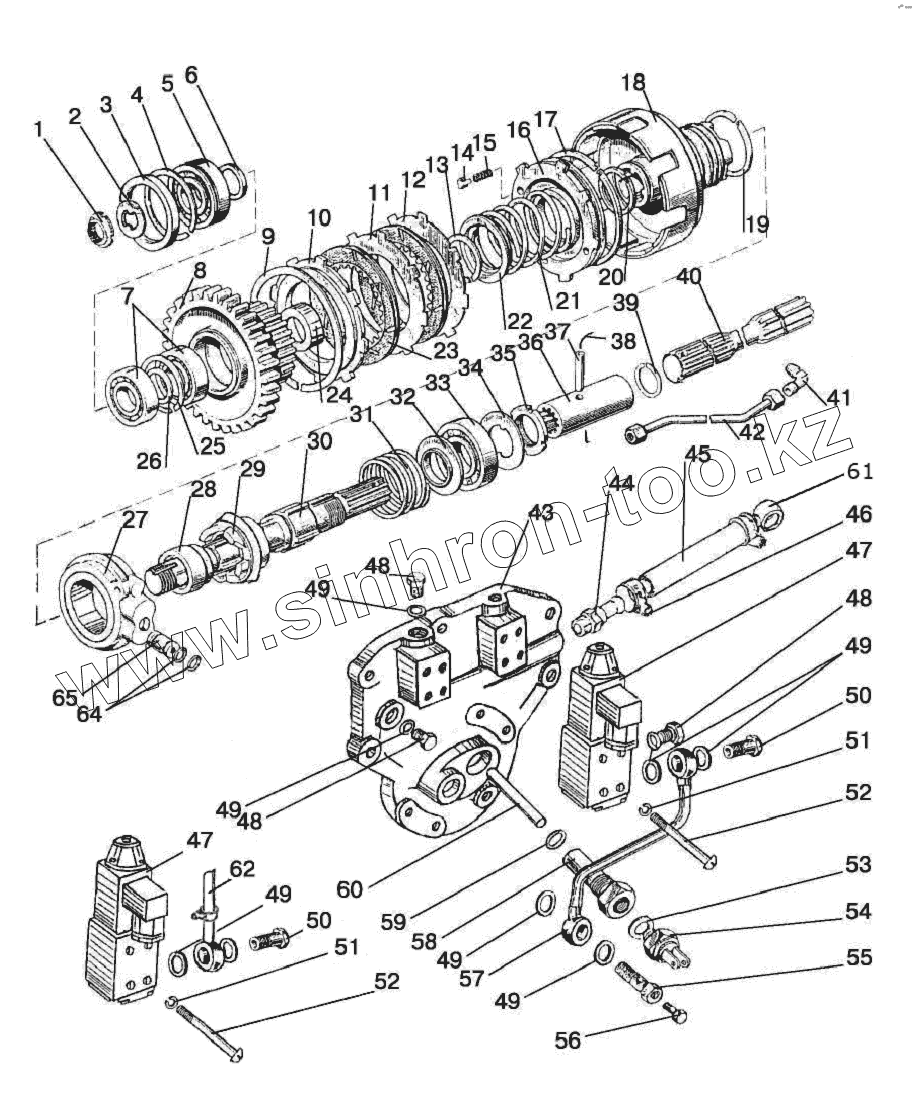
Каталог запасных частей к технике: МТЗ-1221.5. Привод переднего ведущего моста
1
2
3
4
5
6
7
8
9
10
11
12
13
14
15
16
17
18
19
20
21
22
23
24
25
26
27
28
29
30
31
32
33
34
35
36
37
38
39
40
41
42
43
44
45
46
47
47
48
48
48
49
49
49
49
49
49
50
50
51
51
52
52
53
54
55
56
57
58
59
60
61
62
64
65
| Позиция на иллюстрации | Заводской номер детали | Название детали | |
|---|---|---|---|
| 1221-1802030 | 1221-1802030 | Фрикцион | |
| 1221-1802060-Б | 1221-1802060-Б | Трубопровод | |
| 1 | 1221-1802023 | Гайка | |
| 2 | 1221-1802019 | Шайба | |
| 3 | 86-1802024-A | Втулка | |
| 4 | В72 | Кольцо | |
| 5 | 6-50306К | Подшипник | |
| 5 | 6-50306К | Подшипник | |
| 6 | 86-1802043 | Шайба | |
| 7 | 206А | Подшипник | |
| 8 | 1221-1802040 | Шестерня | |
| 8 | 1221-1802041 | Шестерня | |
| 9 | С135 | Кольцо | |
| 10 | 86-1802034 | Диск упорный | |
| 11 | 86-1802032 | Диск ведомый | |
| 12 | 1221-1802032 | Диск ведомый | |
| 13 | С48 | Кольцо | |
| 14 | 86-1802039 | Направляющая | |
| 15 | 86-1802048 | Пружина | |
| 16 | 1221-1802031 | Поршень | |
| 17 | 86-1802047 | Кольцо | |
| 18 | 1221-1802036 | Барабан | |
| 19 | 86-1802083-A | Кольцо | |
| 20 | 1221-1802333 | Кольцо | |
| 21 | 86-1802038 | Пружина | |
| 22 | 86-1802046 | Стакан | |
| 23 | 86-1802035-A | Диск ведущий | |
| 24 | 1221-1802044 | Втулка | |
| 25 | С62 | Кольцо | |
| 26 | 86-1802049 | Кольцо | |
| 27 | 1221-1802025 | Обойма | |
| 28 | 86-1802028 | Втулка | |
| 29 | 8020-1802026 | Полумуфта | |
| 30 | 1221-1802013-Б | Вал | |
| 31 | 86-1802027 | Пружина | |
| 32 | 86-1802051 | Шайба | |
| 33 | 207 | Шарикоподшипник | |
| 34 | 86-1802052 | Шайба | |
| 35 | 52-2308097 | Гайка | |
| 36 | 86-1802014-Б | Втулка | |
| 37 | ШтифтА.8х40.65Г | Штифт А.8х40.65Г | |
| 38 | Проволока1,6-О-С | Проволока 1,6-О-С | |
| 39 | 86-1802017-Б | Кольцо | |
| 40 | 1221-1802042 | Вал | |
| 41 | 86-1802088 | Угольник | |
| 42 | 86-1802055 | Трубопровод | |
| 43 | 1221-1802016 | Крышка | |
| 44 | 85-3407470 | Штуцер | |
| 45 | 1221-1802068 | Рукав | |
| 46 | 12-22,971 | Хомут | |
| 47 | 1РГЕ-6Т | Гидрораспределитель | |
| 47 | 3.574Е.Г12.О1 | Гидрораспределитель | |
| 48 | 1221-1802091 | Пробка резьбовая | |
| 49 | Д18-055-А | Шайба | |
| 50 | Д18-051 | Болт | |
| 51 | Шайба5Т | Шайба | |
| 52 | В.М5-6gх50.58.019 | Винт | |
| 53 | 50-1702048 | Прокладка | |
| 54 | BK12-51 | Выключатель | |
| 55 | 1520-1802088 | Болт | |
| 56 | КГ1,8dm.А12.019 | Пробка | |
| 57 | 1221-1802050 | Трубопровод | |
| 58 | 8020-1802018 | Направляющая | |
| 59 | 019-022-19-2-2 | Кольцо | |
| 59 | 019-022-19-2-2 | Кольцо | |
| 60 | 8020-1802029 | Толкатель | |
| 61 | Ф80-3407720 | Маслопровод | |
| 62 | 1221-2412035-01 | Трубопровод | |
| 64 | 011-016-30-2-4 | Кольцо | |
| 64 | 011-016-30-2-4 | Кольцо | |
| 65 | 1221-1802054 | Втулка |
Содержащиеся в справочниках-каталогах запасные части и детали не предлагаются к продаже, а носят исключительно информационный характер