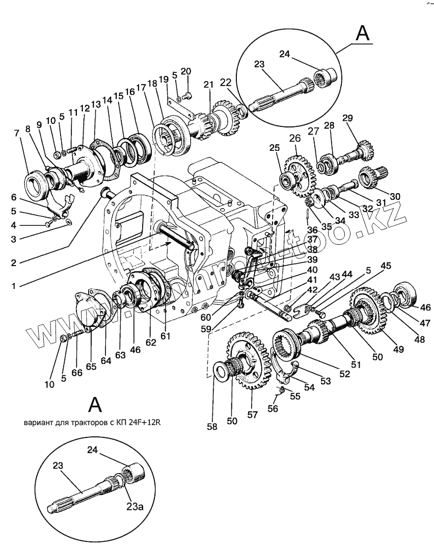
Каталог запасных частей к технике: МТЗ-1221.5. Корпус сцепления
1
2
3
4
5
5
5
5
5
6
7
8
9
10
10
11
12
13
14
15
16
17
18
19
20
21
22
23
23
23а
24
24
25
26
27
28
29
30
31
32
33
34
35
36
37
38
39
40
41
42
43
44
45
46
46
47
48
49
50
50
51
52
53
54
55
56
57
58
59
60
61
62
63
64
65
66
| Позиция на иллюстрации | Заводской номер детали | Название детали | |
|---|---|---|---|
| 80-1601030-01 | 80-1601030-01 | Кронштейн отводки | |
| 80-1601040 | 80-1601040 | Стакан с гайкой в сборе | |
| 80-1601050-01 | 80-1601050-01 | Вал | |
| 80-1601070 | 80-1601070 | Шестерня с кольцом и подшипником в сборе | |
| 80-1601160 | 80-1601160 | Вал с подшипниками в сборе | |
| 80-1601180 | 80-1601180 | Шестерня 80-1601182 с осью, подшипником и кольцом в сборе | |
| 50-1601180-А | 50-1601180-А | Отводка с масленкой и подшипником упорным в сборе | |
| 80-1601190 | 80-1601190 | Вилка со штифтом в сборе | |
| 1 | 85-1601215 | Вал | |
| 2 | 50-1601022 | Заглушка | |
| 3 | 50-1601218 | Шпонка | |
| 4 | БолтМ10-6gх30.88.35.019 | Болт | |
| 5 | Шайба10.ОТ | Шайба | |
| 6 | 85-1601203 | Вилка | |
| 7 | 986714К1С23 | Подшипник отводки | |
| 8 | 50-1601185-А | Отводка | |
| 9 | 1.1.Ц9.хр | Масленка | |
| 10 | ГайкаМ10-6Н.6.019 | Гайка | |
| 11 | ШпилькаМ103р,6gх25.66.019 | Шпилька | |
| 12 | 85-1601172 | Кронштейн | |
| 13 | 80-1601173 | Прокладка | |
| 14 | 240-1002055 | Манжета 2.1-50х70-4 | |
| 15 | 80-1601319 | Шайба | |
| 16 | 115К5 | Подшипник | |
| 17 | С105 | Кольцо | |
| 18 | 76-1000921 | Подшипник | |
| 19 | 80-1601318 | Планка | |
| 20 | БолтМ10-6gх25.88.35.019 | Болт | |
| 21 | 85-1601026 | Вал | |
| 22 | Манжета2.2-38х58-1 | Манжета | |
| 23 | 80-1601113-01 | Вал | |
| 23 | 1222-1601113 | Вал | |
| 23а | С45 | Кольцо | |
| 24 | 80С-1601061 | Втулка | |
| 24 | 2022-1601061 | Втулка | |
| 25 | 305А | Подшипник | |
| 26 | 80-1601357-Б | Шестерня | |
| 27 | С35 | Кольцо | |
| 28 | 207 | Шарикоподшипник | |
| 29 | 80-1601071-Б | Шестерня | |
| 30 | 80-1601182 | Шестерня | |
| 31 | 80-1601181 | Ось | |
| 32 | 204А | Подшипник | |
| 33 | С47 | Кольцо | |
| 34 | 80-1601356 | Шайба упорная | |
| 35 | 70-3003032 | Гайка | |
| 36 | 3,2х25.019 | Шплинт | |
| 37 | 80-1601219-Б | Рычаг | |
| 38 | 80-4608024 | Кольцо | |
| 39 | 36-1601016 | Корпус пылеотражателя | |
| 40 | СШ-611 | Шпонка | |
| 41 | 85-1601111 | Валик | |
| 42 | 020-025-30-1-4 | Кольцо | |
| 43 | 85-1601099 | Пластина | |
| 44 | С10.01.019 | Шайба | |
| 45 | БолтМ10-6gх20.88.35.019 | Болт | |
| 46 | 209А | Подшипник | |
| 47 | 2С50 | Кольцо | |
| 48 | 80-1601083 | Шайба | |
| 49 | 80-1601086-A | Шестерня | |
| 50 | КК52х60х39Е | Подшипник | |
| 51 | 80-1601021 | Вал | |
| 52 | 112-1701343 | Муфта | |
| 53 | 70-1601114 | Штифт | |
| 54 | 80-1601191 | Вилка | |
| 55 | 50-4604046 | Болт вилки | |
| 56 | Проволока1,0-О-С | Проволока 1,0-О-С | |
| 57 | 80-1601088-A | Шестерня | |
| 58 | 80-1601082 | Шайба | |
| 59 | БолтМ12-6gх35.88.35.019 | Болт | |
| 60 | Шайба12.ОТ | Шайба | |
| 61 | 80-1601091 | Прикладка | |
| 62 | 80-1601041 | Стакан | |
| 63 | 80-1701045 | Гайка | |
| 64 | 80-1601092 | Прокладка | |
| 65 | 80-1601089 | Крышка | |
| 66 | ШпилькаМ103р,6gх35.66.019 | Шпилька |
Содержащиеся в справочниках-каталогах запасные части и детали не предлагаются к продаже, а носят исключительно информационный характер