Каталог запасных частей к технике: МТЗ-1221.5. Коробка передач (16F+8R)
1
2
2
3
3
4
4
5
5
6
7
7
8
8
9
10
11
11
11
12
13
14
15
16
17
18
19
20
20
21
22
22
23
24
25
26
27
28
28
29
31
31
32
33
34
35
36
37
38
38
39
40
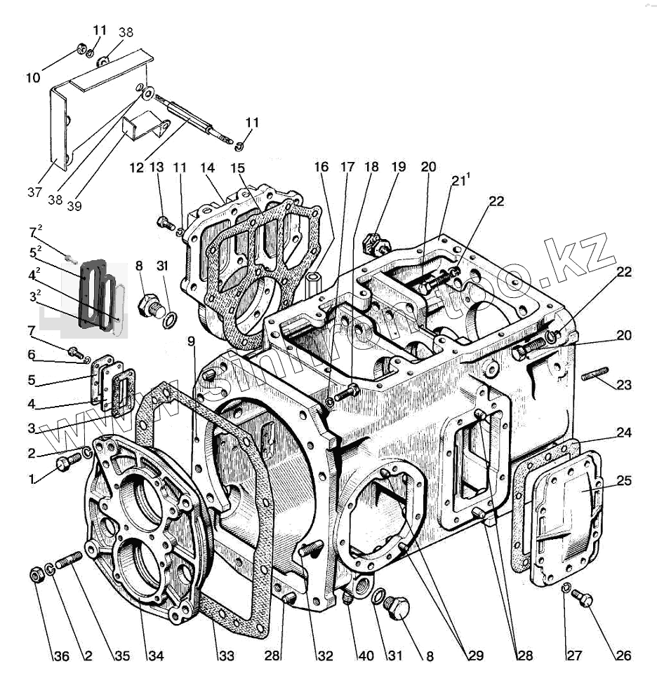
| Позиция на иллюстрации | Заводской номер детали | Название детали | |
|---|---|---|---|
| 112-1700010-А-11 | 112-1700010-А-11 | Коробка передач | |
| 112-1700010-А-10 | 112-1700010-А-10 | Коробка передач | |
| 112-1700010-А-04 | 112-1700010-А-04 | Коробка передач | |
| 112-1700010-А-02 | 112-1700010-А-02 | Коробка передач | |
| 1 | БолтМ16-6gх45.88.35.019 | Болт | |
| 2 | Шайба16.ОТ | Шайба | |
| 3 | 85-4608086-A | Прокладка | |
| 3 | 85-4608086-Б | Уплотнитель | |
| 4 | 85-4608087 | Указатель | |
| 4 | 85-4608087-Б | Указатель | |
| 5 | 85-4608088 | Пластина | |
| 5 | 85-4608088-Б | Корпус | |
| 6 | Шайба6Т | Шайба | |
| 7 | БолтМ6-6gх16.88.35.019 | Болт | |
| 7 | БолтМ6х20 | Болт | |
| 8 | 80-4608021 | Заглушка | |
| 9 | Шарик10,0-60 | Шарик 10,0-60 | |
| 10 | ГайкаМ10-6Н.6.019 | Гайка | |
| 11 | Шайба10.ОТ | Шайба | |
| 12 | 1221-1802094 | Шпилька | |
| 13 | БолтМ10-6gх35.88.35.019 | Болт | |
| 14 | 1221-1802016 | Крышка | |
| 15 | 80-1701399-Б | Прокладка | |
| 16 | 1221-1737099 | Штуцер | |
| 17 | Шайба20.ОТ | Шайба | |
| 18 | 70-4605036 | Болт | |
| 19 | 50-1002318-Б | Рым | |
| 20 | БолтМ18-6gх55.88.35.019 | Болт М18-6gх55.88.35.019 | |
| 21 | 80-1701025-А | Корпус | |
| 22 | Шайба18.ОТ | Шайба 18.ОТ | |
| 23 | 112-1701524 | Шпилька | |
| 24 | 50-1701456-А | Прокладка | |
| 25 | 70-1701454-А2-01 | Крышка | |
| 26 | БолтМ12-6gх30.88.35.019 | Болт | |
| 27 | Шайба12.ОТ | Шайба | |
| 28 | Д01-015 | Штифт установочный | |
| 29 | ШЦК10х25 | Штифт | |
| 31 | 027-032-30-1-4 | Кольцо | |
| 32 | 80-1701252 | Вал | |
| 33 | 80-1701026 | Прокладка | |
| 34 | 80-1701034-01 | Стакан | |
| 35 | 80-1701204 | Шпилька | |
| 36 | ГайкаМ16-6Н.6.019 | Гайка | |
| 37 | 1221-1802093 | Щиток | |
| 38 | ШайбаС10.01.019 | Шайба С10.01.019 | |
| 39 | 1221-1802089-А | Скоба | |
| 40 | ПККГ3,8dm | Пробка |
Содержащиеся в справочниках-каталогах запасные части и детали не предлагаются к продаже, а носят исключительно информационный характер