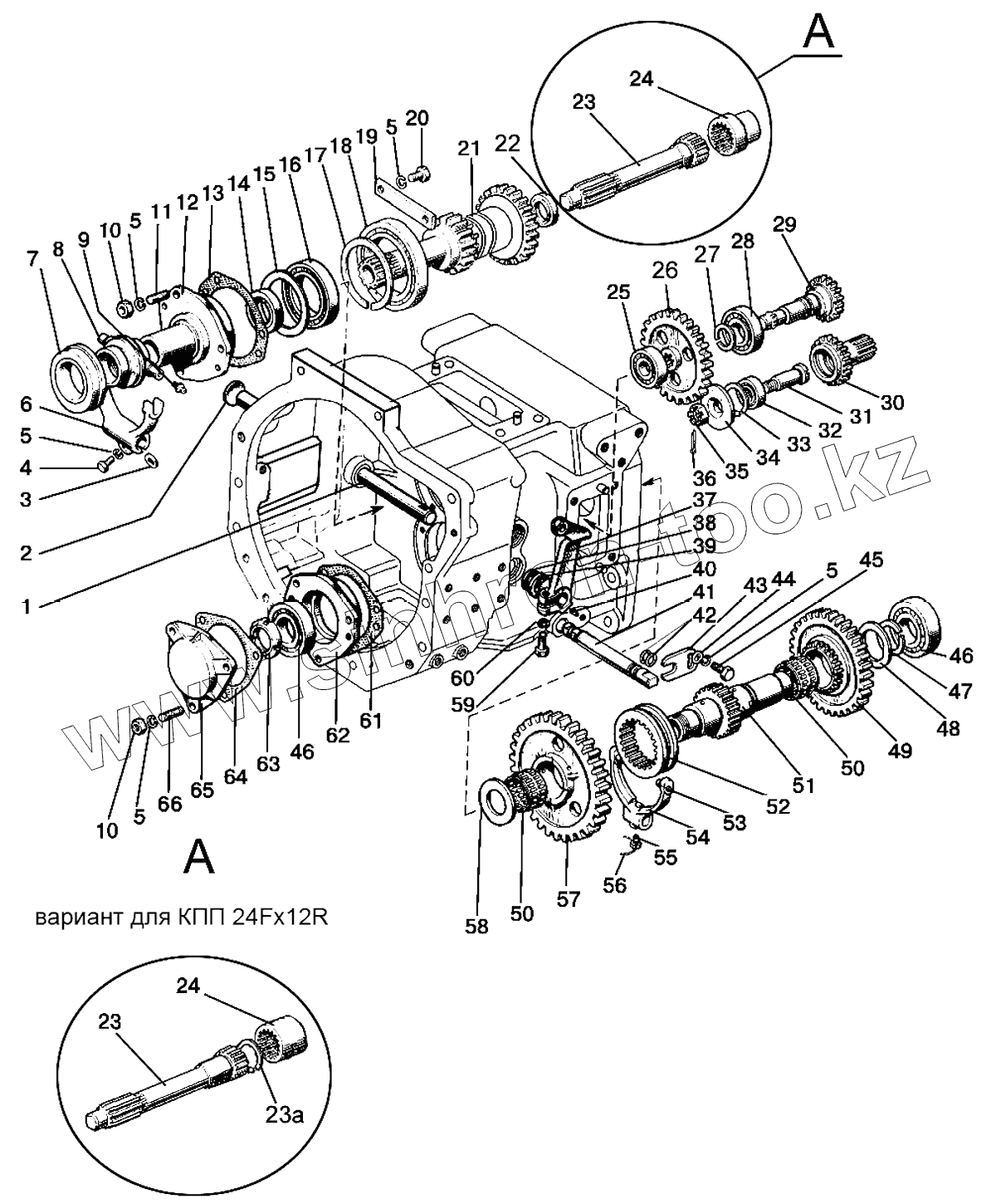
Каталог запасных частей к технике: МТЗ-1221.4. Корпус сцепления
1
2
3
4
5
5
5
5
5
6
7
8
9
10
10
11
12
13
14
15
16
17
18
19
20
21
22
23
23
23
23а
24
24
24
25
26
27
28
29
30
31
32
33
34
35
36
37
38
39
40
41
42
43
44
45
46
46
47
48
49
50
50
51
52
53
54
55
56
57
58
59
60
61
62
63
64
65
66
| Позиция на иллюстрации | Заводской номер детали | Название детали | |
|---|---|---|---|
| 80-1601030-01 | 80-1601030-01 | Кронштейн отводки | |
| 80-1601040 | 80-1601040 | Стакан с гайкой в сборе | |
| 80-1601050-01 | 80-1601050-01 | Вал | |
| 2022-1601060 | 2022-1601060 | Втулка | |
| 80-1601070 | 80-1601070 | Шестерня с кольцом и подшипником в сборе | |
| 85-1601150 | 85-1601150 | Вал в сборе | |
| 80-1601160 | 80-1601160 | Вал с подшипниками в сборе | |
| 80-1601180 | 80-1601180 | Шестерня 80-1601182 с осью, подшипником и кольцом в сборе | |
| 50-1601180-A | 50-1601180-A | Отводка | |
| 80-1601190 | 80-1601190 | Вилка со штифтом в сборе | |
| 1 | 85-1601215 | Вал | |
| 2 | 50-1601022 | Заглушка | |
| 3 | 50-1601218 | Шпонка | |
| 4 | М10х30 | Болт | |
| 5 | ШП10 | Шайба | |
| 6 | 85-1601203 | Вилка | |
| 7 | 986714KC17 | Подшипник упорный | |
| 8 | 50-1601185-A | Отводка | |
| 9 | 1.1.Ц9.хр | Масленка | |
| 10 | ГайкаM10 | Гайка M10 | |
| 11 | M10x3р/6gx25 | Шпилька | |
| 12 | 85-1601172 | Кронштейн | |
| 13 | 80-1601173 | Прокладка | |
| 14 | 240-1002055 | Манжета 2.1-50х70-4 | |
| 15 | 80-1601319 | Шайба | |
| 16 | 115K5 | Подшипник | |
| 17 | С105 | Кольцо | |
| 18 | 76-1000921 | Подшипник | |
| 19 | 80-1601318 | Планка | |
| 20 | M10х25 | Болт | |
| 21 | 85-1601026 | Вал | |
| 22 | 2.2-38x58-1 | Манжета | |
| 23 | 80-1601113-01 | Вал | |
| 23 | 1222-1601113 | Вал | |
| 23а | С45 | Кольцо | |
| 24 | 80C-1601061 | Втулка | |
| 24 | 2022-1601061 | Втулка | |
| 25 | 305А | Подшипник | |
| 26 | 80-1601357-Б | Шестерня | |
| 27 | С35 | Кольцо | |
| 28 | 207 | Шарикоподшипник | |
| 29 | 80-1601071-Б | Шестерня | |
| 30 | 80-1601182 | Шестерня | |
| 31 | 80-1601181 | Ось | |
| 32 | 204A | Подшипник | |
| 33 | С47 | Кольцо | |
| 34 | 80-1601356 | Шайба упорная | |
| 35 | 70-3003032 | Гайка | |
| 36 | 3,2x25 | Шплинт | |
| 37 | 80-1601219-Б | Рычаг | |
| 38 | 80-4608024 | Кольцо | |
| 39 | 36-1601016 | Корпус пылеотражателя | |
| 40 | СШ-611 | Шпонка | |
| 41 | 85-1601111 | Валик | |
| 42 | 020-025-30-1-6 | Кольцо | |
| 43 | 85-1601099 | Пластина | |
| 44 | ШЧ10 | Шайба | |
| 45 | M10х20 | Болт | |
| 46 | 209A | Подшипник | |
| 47 | 2С50 | Кольцо | |
| 48 | 80-1601083 | Шайба | |
| 49 | 80-1601086-A | Шестерня | |
| 50 | 664910E | Подшипник | |
| 51 | 80-1601021 | Вал | |
| 52 | 112-1701343 | Муфта | |
| 53 | 70-1601114 | Штифт | |
| 54 | 80-1601191 | Вилка | |
| 55 | 50-4604046 | Болт вилки | |
| 56 | 1,0-О-С | Проволока | |
| 57 | 80-1601088-A | Шестерня | |
| 58 | 80-1601082 | Шайба | |
| 59 | M12х35 | Болт | |
| 60 | ШП12 | Шайба | |
| 61 | 80-1601091 | Прикладка | |
| 62 | 80-1601041 | Стакан | |
| 63 | 80-1701045 | Гайка | |
| 64 | 80-1601092 | Прокладка | |
| 65 | 80-1601089 | Крышка | |
| 66 | M10x3р/6gx35 | Шпилька |
Содержащиеся в справочниках-каталогах запасные части и детали не предлагаются к продаже, а носят исключительно информационный характер