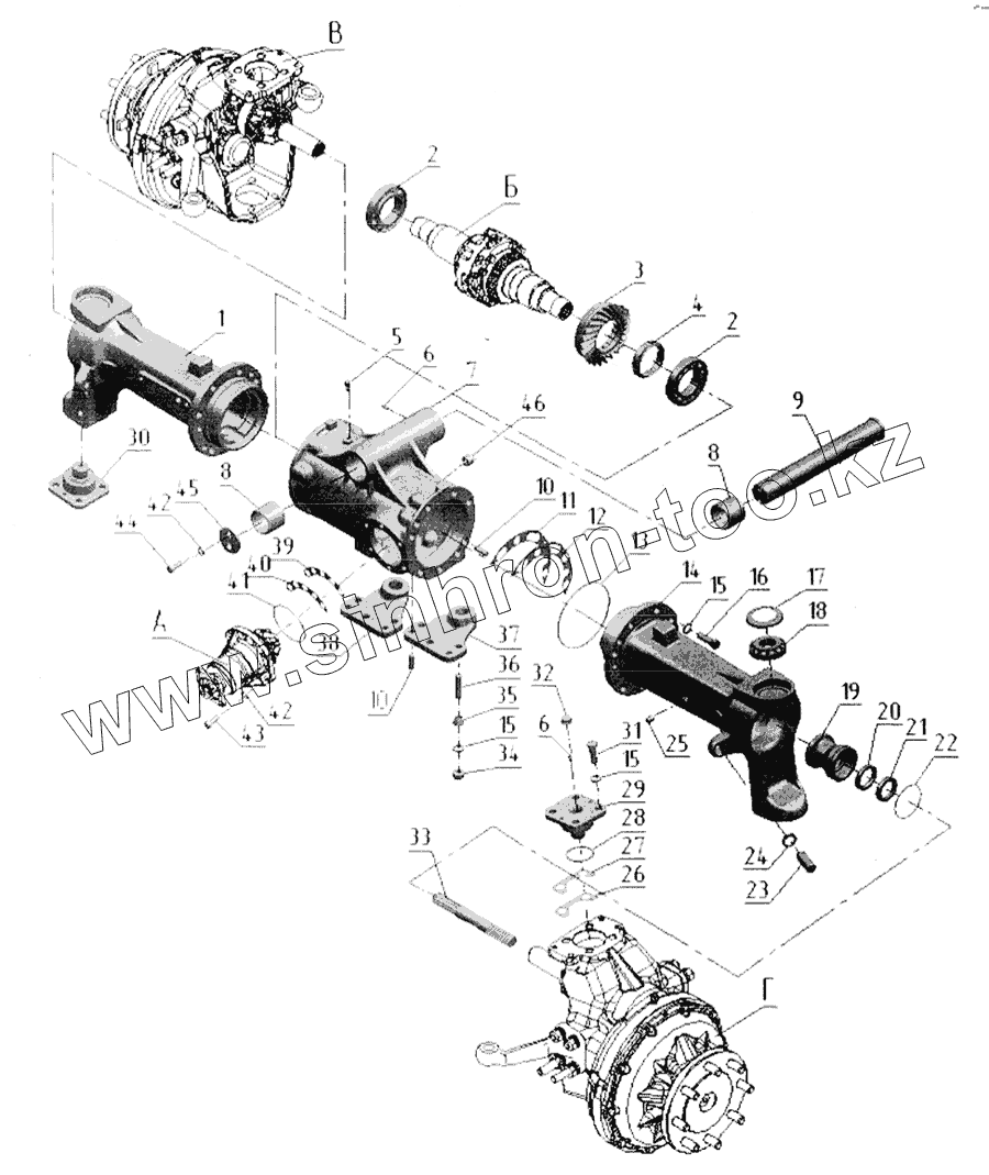
Каталог запасных частей к технике: МТЗ-1221.4. Передний ведущий мост
А
Б
В
В
Г
Г
1
2
2
3
4
5
6
6
7
8
8
9
10
10
11
12
13
14
15
15
15
16
17
18
19
20
21
22
23
24
25
26
27
28
29
30
31
32
33
34
35
36
37
37
38
39
40
41
42
42
43
44
45
46
| Позиция на иллюстрации | Заводской номер детали | Название детали | |
|---|---|---|---|
| 1222-2300020 | 1222-2300020 | Передний ведущий мост в сборе | |
| 1222-2300020-05 | 1222-2300020-05 | Передний ведущий мост в сборе | |
| А | 52-2302010 | Шестерня ведущая в сборе | |
| Б | 52-2303010-Б-01 | Дифференциал | |
| В | 822-2308005-02 | Редуктор левый конечной передачи переднего ведущего моста | |
| В | 822-2308005-06 | Редуктор левый | |
| Г | 822-2308005-03 | Редуктор правый конечной передачи переднего ведущего моста | |
| Г | 822-2308005-07 | Редуктор правый | |
| 1420-2301055 | 1420-2301055 | Корпус | |
| 1 | 822-2301051-01 | Рукав | |
| 2 | 263212А | Подшипник | |
| 3 | 52-2302019 | Шестерня ведомая | |
| 4 | 52-2302038-А1 | Гайка | |
| 5 | «MINTOR»TSS0G-1,8dm | Сапун | |
| 6 | 1.3.Ц9.хр | Масленка | |
| 7 | 1420-2301054 | Корпус | |
| 8 | 40-3001022 | Втулка | |
| 9 | 1222-3000012 | Ось качания | |
| 10 | Д01-015 | Штифт установочный | |
| 11 | 52-2303027 | Прокладка регулировочная В = 0,5 мм (подбираются при регулировке подшипников) | |
| 12 | 52-2303028 | Прокладка регулировочная В = 0,2 мм (подбираются при регулировке подшипников) | |
| 13 | 150-156-36-1-4 | Кольцо | |
| 14 | 822-2301053-01 | Рукав | |
| 15 | 16.ОТ | Шайба | |
| 16 | М16-6gх45.88.35.019 | Болт | |
| 17 | 1520-2308039 | Стакан | |
| 18 | 1027307А | Подшипник | |
| 19 | 822-2308100 | Обойма | |
| 20 | 1.2-38х58-1 | Манжета | |
| 21 | 2.2-38х58-1 | Манжета | |
| 22 | 075-080-30-1-4 | Кольцо | |
| 23 | 1520-2308009 | Винт | |
| 24 | 85-3407113 | Гайка | |
| 25 | ПККГ3,8dm | Пробка | |
| 26 | 52-2302021 | Прокладка регулировочная В = 0,5 мм | |
| 27 | 52-2302022 | Прокладка регулировочная В = 0,2 мм | |
| 28 | 055-063-46-1-4 | Кольцо | |
| 29 | 1520-2308037 | Ось | |
| 30 | 1520-2308037-01 | Ось | |
| 31 | М16-6gх40.88.35.019 | Болт | |
| 32 | 85-4607447 | Колпачок | |
| 33 | 822-2308065-01 | Вал | |
| 34 | М16-6Н.6.019 | Гайка | |
| 35 | 1520-2308077 | Втулка | |
| 36 | 1520-2308079 | Шпилька | |
| 37 | 1222-2301021-Б | Кронштейн | |
| 38 | 1222-2301022-Б | Кронштейн | |
| 39 | 1520-2308042 | Прокладка регулировочная | |
| 40 | 1520-2308042-01 | Прокладка регулировочная | |
| 41 | 089-095-36-1-4 | Кольцо | |
| 42 | 12.ОТ | Шайба | |
| 43 | М12-6gх35.88.019 | Болт | |
| 44 | 72-2308018 | Болт | |
| 45 | 72-2308031 | Шайба | |
| 46 | ПККГ3,4dm | Пробка |
Содержащиеся в справочниках-каталогах запасные части и детали не предлагаются к продаже, а носят исключительно информационный характер