Вернуться на главную
Поиск
Каталоги запчастей к технике
Сельхозтехника
МТЗ
МТЗ-1221.4
Коробка передач. Вал вторичный
Каталог запасных частей к технике: МТЗ-1221.4. Коробка передач. Вал вторичный
zoom-in
zoom-out
enlarge
shrink
circle-right
circle-left
file-text2
info
cart
Тип техники
Не выбрано
Легковые автомобили
Грузовые автомобили и прицепы
Автобусы
Сельхозтехника
Спецтехника
Двигатели
Мототехника
Марка
Не выбрано
AGCO
Amity
CASE IH
DongFeng
Fortschritt
Foton
Franz Kleine
Gaspardo
Great Plains
KRONE
KUHN
Lemken
Lovol
MacDon
Massey Ferguson
New Holland
TIGARBO
Vaderstad
Versatile
Wirax
Агро
Агротехмаш
Бобруйскагромаш (ОАО «УКХ «Бобруйскагромаш»)
БЭМЗ
ВгТЗ
Воронежсельмаш
ВТЗ
Гомсельмаш
ДКЗ
ЗАО "Техника-сервис"
ЗиД
КЗК
Кировец-Ландтехник
Клевер
Красная Звезда
Лидагропроммаш
Лидсельмаш
ЛТЗ
Машстройхолдинг
Минитракторы
Мордовагромаш
МТЗ
Навигатор-Новое машиностроение
Нефтекамский автозавод
ПТЗ
Ремком
РСМ
Сибсельмаш
ТеКЗ
ТКЗ
ХЗТСШ
ХТЗ
ЮМЗ
Модель
Не выбрано
1025.5 (2013)
1025/1025.2/1025.3 (2009)
1220 (2011)
1220.5 (2013)
1523.5 (2013)
1523.5 с ГМТ (2014)
2122.3/2122.4 (2015)
3022ДЦ.1 (2011)
320.4М (2019)
622 (2012)
800/900 (2003)
80Х (2012)
892 (2011)
922.3 / 922.4 (2013)
922.5 (2013)
923.4 (2014)
923.5 (2013)
92П (2010)
952.5 (2013)
БЕЛАРУС 1025.7 (2022)
БЕЛАРУС 1220.7 (2022)
БЕЛАРУС 1221.7 (2022)
БЕЛАРУС 2103 (2015)
БЕЛАРУС 320 (1998)
БЕЛАРУС 3522.5 (2013)
БЕЛАРУС 3525 (2019)
БЕЛАРУС 421 (2014)
БЕЛАРУС 451 (2023)
БЕЛАРУС 651 (2023)
БЕЛАРУС 923.7 (2022)
БЕЛАРУС 952.7 (2022)
Беларус-08Н (09Н) (2015)
Беларус-422.1 (2018)
КБ-00.000 (САЗ) (2015)
КМ-2 (САЗ) (2015)
МТЗ-082
МТЗ-100
МТЗ-1005 (2008)
МТЗ-1021.3 (2010)
МТЗ-1025.4 (2009)
МТЗ-112Н, 132Н (2010)
МТЗ-1221 (1997)
МТЗ-1221 (2009) (2009)
МТЗ-1221.4 (2009)
МТЗ-1221.4 (2009)
МТЗ-1221.5 (2013)
МТЗ-1222/1523 (2009)
МТЗ-1522 (2008)
МТЗ-1523
МТЗ-1523 (2013)
МТЗ-1523 (2008) (2008)
МТЗ-1523.4 (2010)
МТЗ-1523.6 (2018)
МТЗ-2022 (2010)
МТЗ-2103 (2010)
МТЗ-2522 (2010)
МТЗ-310, 320, 321 (2011)
МТЗ-3522 (2011)
МТЗ-510/512, 520/522 (2010)
МТЗ-570 (2010)
МТЗ-80 (1998)
МТЗ-80 (2002) (2002)
МТЗ-80 (2009) (2009)
МТЗ-80.1 (2015)
МТЗ-821/921 (2009)
МТЗ-822 (2008)
МТЗ-826 (2010)
МТЗ-90/92 (2008)
МТЗ-900
МТЗ-900/920/950/952 (2009)
МТЗ-920.4/952.4 (2009)
МТЗ-922 (2008)
МТЗ-923 (2008)
ФР-00.010 (САЗ) (2015)
ФР-00700-Б (САЗ) (2015)
Схема
>
Не выбрано
Установка двигателя
Бак топливный
Управление подачей топлива
Установка топливного фильтра
Установка воздухоочистителя
Установка глушителя
Блок охлаждения 1523Д-1301009
Установка охладителя 1523Д-1317010
Установка сцепления 1523Д-1005009
Корпус сцепления
Корпус сцепления
Управление сцеплением
Гидроусилитель
Цилиндр рабочий
Коробка передач
Коробка передач. Вал первичный
Коробка передач. Вал вторичный
Коробка передач. Вал промежуточный
Вал пониженных передач
Механизм управления коробкой передач
Коробка передач 1222-1700010-02/-05 (24F+12R)
Вал первичный
Вал промежуточный
Вал пониженных передач и заднего хода
Вал блока шестерен
Вал вторичный
Механизм управления коробкой передач
Привод насосов
Насос масляный шестеренный
Фильтр
Фильтр-распределитель
Привод переднего ведущего моста
Привод карданный
Ограждение
Передний ведущий мост
Шестерня
Дифференциал
Редуктор колесный
Задний мост. Дифференциал. Конечные передачи.
Конечная передача (смазка)
Механизм блокировки дифференциала
Механизм блокировки дифференциала «мокрого» типа
Полурама в сборе
Тяги рулевые
Колеса передние ведущие
Колеса задние ведущие. Ступицы задних колес
Колонка рулевая
Управление рулевое гидрообъемное
Бак
Гидроцилиндр 50х25-200
Тормоза. Управление тормозами
Тормоза (вариант исполнения)
Тормоза «мокрые»
Управление «мокрыми» тормозами
Тормоз стояночно-запасной, управление стояночно-запасным тормозом
Тормоз стояночно-запасной. Управление стояночно-запасным тормозом (для «мокрых тормозов»)
Трубопроводы и арматура пневмопривода тормозов прицепа
Баллон
Кран тормозной
Электрооборудование по двигателю
Электрооборудование трансмиссии
Электрооборудование кабины
Установка батарей аккумуляторных
Установка фар дорожных
Установка фонарей передних
Установка фар дорожных
Установка фонарей передних с дорожными фарами
Установка фонарей задних
Установка фонарей задних
Электрооборудование отопителя
Установка маяка сигнального
Щиток приборов
Щиток приборов
Щиток приборов
Стеклоочиститель переднего стекла
Стеклоочиститель заднего стекла
Установка стеклоомывателя
Кабина трактора
Пол кабины
Панели
Двери кабины
Сиденье оператора
Сиденье оператора
Подвеска сиденья
Дополнительное сиденье
Установка отопителя-охладителя
Зеркало внутреннее
Зеркало наружное
Козырек противосолнечный
Облицовка
Крылья передних колес
Подножка
Управление ПВМ, БД заднего моста, задним ВОМ и редуктором (1221- 8700250-Д)
Управление задним навесным устройством
Управление БД и ПВМ
Управление двигателем «DEUTZ»
Тягово-сцепное устройство
Тягово-сцепное устройство (варианты комплектации)
Вал отбора мощности задний
Редуктор
Вал отбора мощности передний
Вал отбора мощности передний. Редуктор
Шкив приводной
Управление задним валом отбора мощности (для сухих тормозов)
Управление задним валом отбора мощности (для мокрых тормозов)
Управление передним валом отбора мощности
Балласт
Привод насоса
Навесное устройство с гидроподъемником
Переднее навесное устройство
Кронштей
Тяга (верхняя)
Раскос
Гидроагрегаты и арматура
Гидроагрегаты и арматура
Гидросистема Р1221-4600010
Корпус гидросистемы Р1221-4600015
Управление гидрораспределителем (РП70)
Управление гидрораспределителем (RS 213 Mita)
Корпус гидросистемы и фильтр
Муфта быстросоединяемая
Гидрораспределитель РП70
Распределитель гидроподъемника
Управление гидроподъемником
Гидроподъемник
Инструмент оператора
Аптечка
Ящик инструментальный
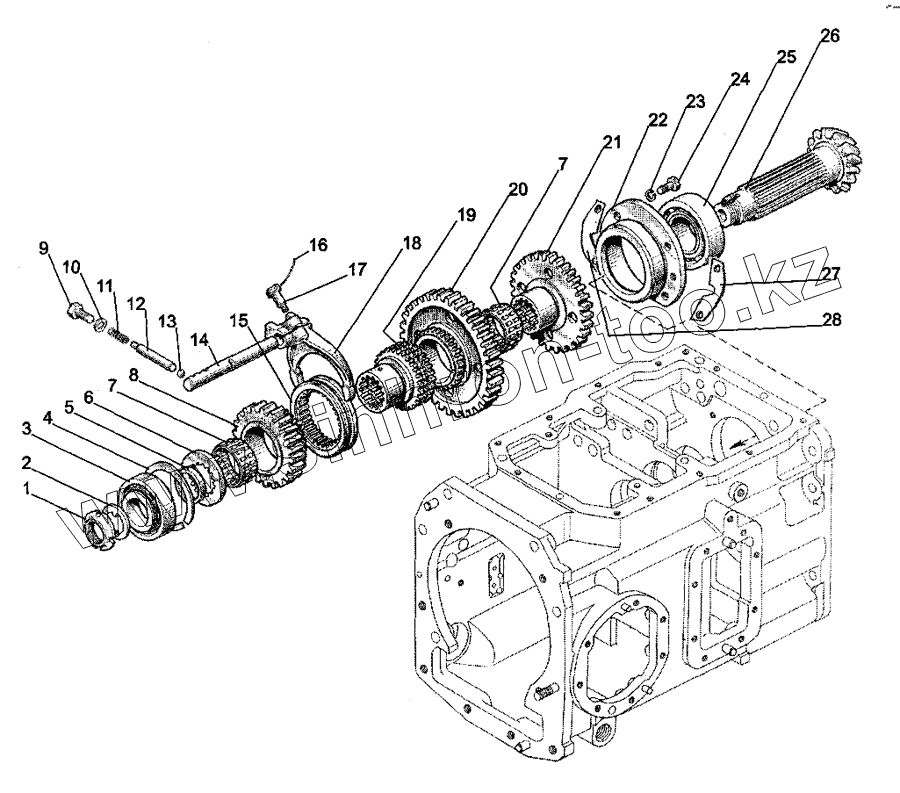
1
2
3
4
5
6
7
7
8
9
10
11
12
13
14
15
16
17
18
19
20
21
22
23
24
25
26
27
28
Позиция на иллюстрации
Заводской номер детали
Название детали
1
80-1701045
Гайка
2
80-1701056
Шайба
3
7310А
Подшипник
4
80-1701256
Кольцо
5
80-1701254
Шайба
6
80-1701354
Шайба
7
664714Е
Подшипник
8
112-1701314
Шестерня
9
БолтМ12-6gх25.88.35.019
Болт
10
85-1702051
Шайба
11
50-1702148-A
Пружина
12
85-1702048
Штифт
13
Шарик10,0-60
Шарик 10,0-60
14
85-1702037-Б
Поводок
15
112-1701316
Муфта
16
Проволока1,6-О-С
Проволока 1,6-О-С
17
80-1702108
Болт
18
85-1702029-Б
Вилка
19
80-1701348
Втулка
20
112-1701312
Шестерня
21
80-1701313-Б
Шестерня
22
80-1701141-Б
Гнездо
23
Шайба10.ОТ
Шайба
24
БолтМ10-6gх30.88.35.019
Болт
25
7712A
Подшипник
26
80-1701252-Б
Вал
27
50-1701258
Прокладка регулировочная 0,2 мм
28
50-1701259
Прокладка регулировочная 0,5 мм
Содержащиеся в справочниках-каталогах запасные части и детали не предлагаются к продаже, а носят исключительно информационный характер
Дополнительная информация
×
Название:
Номер:
Примечание: