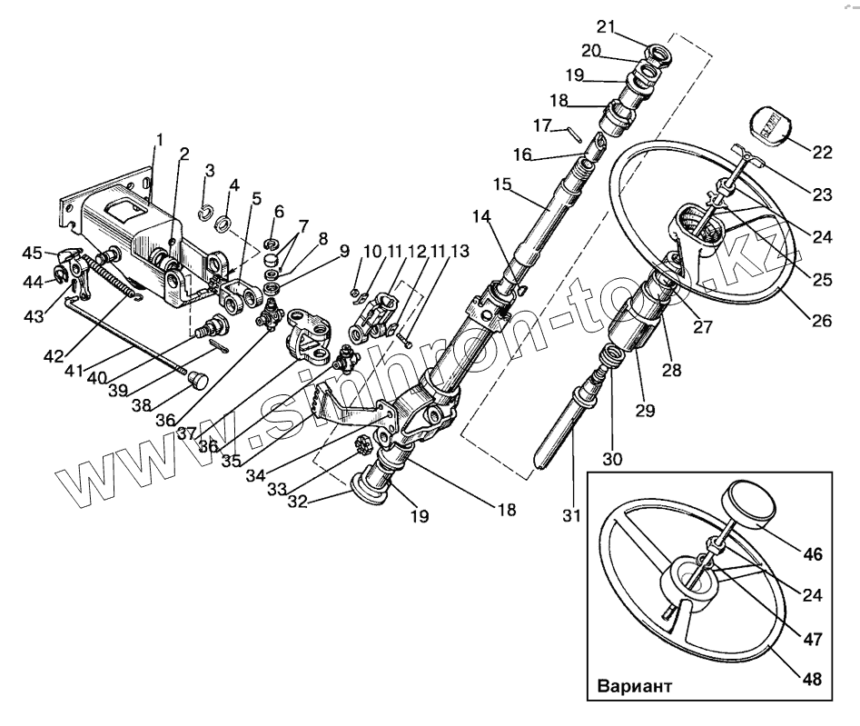
Каталог запасных частей к технике: МТЗ-1221.4. Колонка рулевая
1
2
3
4
5
6
7
8
9
10
11
11
12
13
14
15
16
17
18
18
19
19
20
21
22
23
24
24
25
26
27
28
29
30
31
32
33
34
35
36
36
37
38
39
40
41
42
43
44
45
46
46
47
48
48
| Позиция на иллюстрации | Заводской номер детали | Название детали | |
|---|---|---|---|
| 85-3401010 | 85-3401010 | Колонка рулевая для насоса-дозатора НД-80 и щитка приборов 80-3805010 в сборе | |
| 85-3401150 | 85-3401150 | Кардан для ОSРВ-100 в сборе | |
| 1 | 85-3401120 | Кронштейн | |
| 2 | 85-3401016 | Втулка | |
| 3 | С20 | Кольцо | |
| 4 | 80-3401019 | Шайба | |
| 5 | 85-3401156-Б | Вилка (ОSРВ-100) | |
| 6 | С19 | Кольцо | |
| 7 | 904700УС17 | Подшипник | |
| 8 | 50-3401064 | Сальник | |
| 9 | 50-3401063 | Обойма | |
| 10 | M10 | Гайка | |
| 11 | 80-3401013 | Шайба | |
| 12 | 50-3401061-A | Вилка | |
| 13 | M10х45 | Болт | |
| 14 | 5x10 | Шланг | |
| 15 | 70-3401055 | Вал промежуточный | |
| 15 | 70-3401050-Б | Вал со штифтом и хвостовиком в сборе | |
| 16 | 70-3401054-Б | Хвостовик вала | |
| 17 | ШЦК8х36 | Штифт | |
| 18 | 70-3401077-Б | Амортизатор | |
| 19 | 70-3401076 | Втулка | |
| 20 | 70-3401078 | Гайка | |
| 21 | 70-3401079 | Контргайка | |
| 22 | 80-3401082 | Крышка головки | |
| 23 | 80-3401140 | Зажим | |
| 24 | M16x1,5 | Гайка | |
| 25 | 50-3401091 | Шайба | |
| 26 | 80-3402015 | Колесо | |
| 27 | 80-3709025 | Втулка | |
| 28 | 80-3709026-Б | Втулка | |
| 29 | 80-3709024 | Чехол | |
| 30 | 50-4608057 | Пружина | |
| 31 | 85-3401175 | Вал | |
| 32 | 600-3401012 | Шайба | |
| 33 | 70-3003032 | Гайка | |
| 34 | 8x28 | Заклепка | |
| 35 | 600-3401160 | Сектор | |
| 36 | 50-3401062 | Крестовина | |
| 37 | 85-3401067 | Вилка | |
| 38 | 70-3709012-A | Рукоятка | |
| 39 | 4x25 | Шплинт | |
| 40 | 85-3401011 | Винт | |
| 41 | 85-3401001 | Тяга | |
| 42 | 50-1310158-Б | Пружина | |
| 43 | 1,6x12 | Шплинт | |
| 44 | С18 | Кольцо | |
| 45 | 85-3401014 | Фиксатор | |
| 46 | 38RPN-02.00.00,B | Зажим | |
| 46 | 822-3401140-А1 | Зажим | |
| 47 | ШП16 | Шайба | |
| 48 | 38RPN-01.00.00 | Рулевое колесо | |
| 48 | 70-3402015-А | Рулевое колесо |
Содержащиеся в справочниках-каталогах запасные части и детали не предлагаются к продаже, а носят исключительно информационный характер