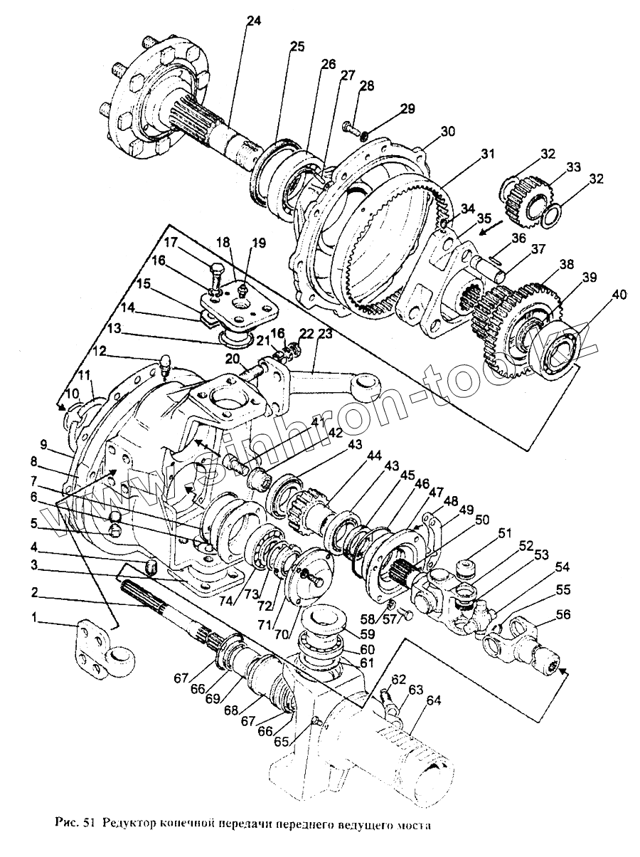
Каталог запасных частей к технике: МТЗ-1221. Редуктор конечной передачи переднего ведущего моста
1
2
3
4
5
6
7
8
9
10
11
12
13
14
15
16
16
17
18
19
20
21
22
23
24
25
26
27
28
29
30
31
32
32
33
34
35
36
37
38
39
40
41
42
43
43
44
45
46
47
48
49
50
51
52
53
54
55
56
57
58
59
60
61
62
63
64
65
66
66
67
67
68
69
70
71
72
73
74
| Позиция на иллюстрации | Заводской номер детали | Название детали | |
|---|---|---|---|
| 24-2201044 | 24-2201044 | Кольцо стопорное | |
| 1521-2308030 | 1521-2308030 | Водило в сборе | |
| 1520-2308079-01 | 1520-2308079-01 | Шпилька | |
| 1520-2308024 | 1520-2308024 | Шарнир сдвоенный в сборе | |
| 1520-2308140 | 1520-2308140 | Шарнир с полуосью | |
| 1521-2308050 | 1521-2308050 | Ступица в сборе | |
| 1520-2308080 | 1520-2308080 | Стакан с манжетой и кольцом в сборе | |
| 1520-2308074-01 | 1520-2308074-01 | Рычаг левый | |
| 1520-2308120-01 | 1520-2308120-01 | Рукав в сборе | |
| 1520-2308100 | 1520-2308100 | Обойма со втулкой в сборе | |
| 1520-2308010 | 1520-2308010 | Редуктор в сборе | |
| 24-2201045 | 24-2201045 | Кольцо стопорное | |
| 24-2201046 | 24-2201046 | Кольцо стопорное | |
| 1520-2308040 | 1520-2308040 | Корпус в сборе | |
| 1520-2308076-01 | 1520-2308076-01 | Кронштейн левый | |
| 1521-2308020 | 1521-2308020 | Крышка | |
| 1 | 1520-2308076 | Кронштейн правый | |
| 2 | 1520-2308065 | Вал | |
| 3 | 1520-2308037-01 | Ось | |
| 4 | 2-КG3/8" | Пробка | |
| 5 | 2-КG3/4" | Пробка | |
| 6 | 1520-2308002 | Стакан | |
| 7 | 095-100-30-1-4 | Кольцо | |
| 8 | 1520-2308015 | Корпус | |
| 9 | 1520-2308034 | Прокладка | |
| 10 | V45 | Кольцо | |
| 11 | V100 | Кольцо | |
| 12 | SU1/8"-А | Сапун | |
| 13 | 055-063-46-2-4 | Кольцо | |
| 14 | 1520-2308042 | Прокладка регулировочная | |
| 15 | 1520-2308042-01 | Прокладка регулировочная | |
| 16 | SНР16 | Шайба | |
| 17 | М16х40 | Болт | |
| 18 | 1520-2308037 | Ось | |
| 19 | 1.3.С6.hr | Масленка | |
| 20 | 1520-2308079 | Шпилька | |
| 21 | 1520-2308077 | Втулка | |
| 22 | М16 | Гайка | |
| 23 | 1520-2308074 | Рычаг правый | |
| 24 | 1521-2308070 | Фланец | |
| 25 | 2.2-100х125-1 | Манжета | |
| 26 | 7514А | Подшипник | |
| 27 | 8х25 | Штифт | |
| 28 | М10х35 | Болт | |
| 29 | SНР10 | Шайба | |
| 30 | 1521-2308016 | Крышка | |
| 31 | 1520-2308064 | Шестерня | |
| 32 | 1520-2308054 | Шайба | |
| 33 | 1520-2308059 | Сателлит | |
| 34 | 1520-2308011 | Винт | |
| 35 | 1521-2308056 | Водило | |
| 36 | 4х34,8-3 | Ролик | |
| 37 | 1520-2308053 | Ось | |
| 38 | 1520-2308062 | Блок шестерен | |
| 39 | 1520-2308038 | Кольцо | |
| 40 | 3609 | Подшипник | |
| 41 | 1520-2308012 | Болт | |
| 42 | 1520-2308026 | Стакан | |
| 43 | 2007109 | Подшипник | |
| 44 | 1520-2308061 | Шестерня | |
| 45 | 2.2-45х65-1 | Манжета | |
| 46 | 100-105-30-2-4 | Кольцо | |
| 47 | 1520-2308035 | Стакан | |
| 48 | 1520-2308021 | Прокладка регулировочная | |
| 49 | 1520-2308021-01 | Прокладка регулировочная | |
| 50 | 1520-2308063 | Вилка | |
| 51 | 704702КZS10 | Подшипник | |
| 52 | 15.22.01.013-10 | Вилка | |
| 53 | 24-2201043-01 | Кольцо стопорное | |
| 54 | 72-2203026-01 | Крестовина | |
| 55 | 86-1802017-В | Кольцо | |
| 56 | 1520-2308048 | Вилка | |
| 57 | М8х30 | Болт | |
| 58 | SНР8 | Шайба | |
| 59 | 1520-2308039 | Стакан | |
| 60 | 27307 | Подшипник | |
| 61 | 1520-2308067 | Заглушка | |
| 62 | 1520-2308009 | Винт | |
| 63 | 85-3407113 | Гайка | |
| 64 | 1520-2308060-01 | Кронштейн | |
| 65 | РКSНКG1/8" | Пробка | |
| 66 | 2.2-38х58-1 | Манжета | |
| 67 | 065-070-30-1-4 | Кольцо | |
| 68 | 1520-2308089 | Обойма | |
| 69 | 240-1004115 | Втулка | |
| 70 | 1520-2308004 | Крышка | |
| 71 | 1520-2308003 | Прокладка | |
| 72 | 80-1701045 | Гайка | |
| 73 | 80-1701056 | Шайба | |
| 74 | 7509 | Подшипник |
Содержащиеся в справочниках-каталогах запасные части и детали не предлагаются к продаже, а носят исключительно информационный характер