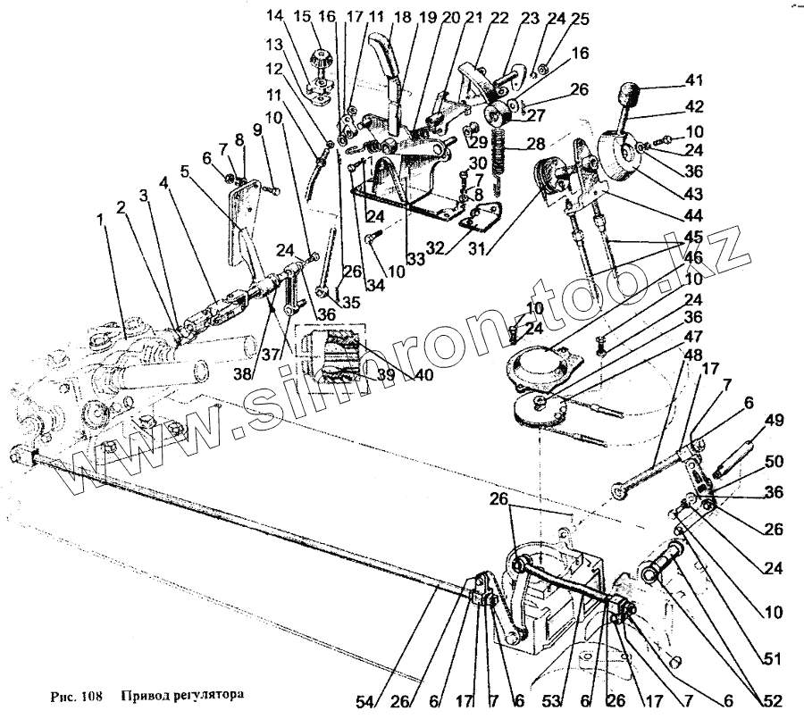
Каталог запасных частей к технике: МТЗ-1221. Привод регулятора
1
2
3
4
5
6
6
6
6
6
6
7
7
7
7
7
8
8
9
10
10
10
10
10
10
11
11
12
13
14
15
16
16
17
17
17
17
18
19
20
21
22
23
24
24
24
24
24
24
24
25
26
26
26
26
26
26
27
28
29
30
31
32
33
34
35
36
36
36
36
37
38
39
40
41
42
43
44
45
46
47
48
49
50
51
52
53
54
| Позиция на иллюстрации | Заводской номер детали | Название детали | |
|---|---|---|---|
| 85-4616025 | 85-4616025 | Тяга 85-4616034 в сборе | |
| 80-4616140 | 80-4616140 | Рукоятка со шпилькой и маховиком в сборе | |
| 85-4616040 | 85-4616040 | Тяга 85-4616055 в сборе | |
| 85-4616045 | 85-4616045 | Тяга 85-4616044 в сборе | |
| 85-4616100 | 85-4616100 | Тяга 85-4616052 в сборе | |
| 1 | 80-4614020 | Регулятор | |
| 2 | SНР10 | Шайба | |
| 3 | М10 | Гайка | |
| 4 | 85-4616050 | Вал в сборе | |
| 5 | 80V-4616050 | Кронштейн | |
| 6 | М8 | Гайка | |
| 7 | SНР8 | Шайба | |
| 8 | SНСН8 | Шайба | |
| 9 | М8х30 | Болт | |
| 10 | М6х12 | Винт | |
| 11 | М10 | Гайка | |
| 12 | SНР10 | Шайба | |
| 13 | М6 | Гайка | |
| 14 | 80-4616034 | Упор | |
| 15 | 80-4616070 | Винт | |
| 16 | SНСН10 | Шайба | |
| 17 | 80-4616051 | Ползун | |
| 18 | А13.17.000 | Рукоятка | |
| 19 | 80-4616020-В | Рычаг | |
| 20 | 50-1605152 | Пружина | |
| 21 | 80-4616035 | Рычаг | |
| 22 | 85-4616090-В | Сектор | |
| 23 | 80-4616155 | Палец | |
| 24 | SНР6 | Шайба | |
| 25 | М6 | Гайка | |
| 26 | 3,2х18 | Шплинт | |
| 27 | 80-4616017 | Ролик | |
| 28 | 80V-4616014 | Пружина | |
| 29 | 80-4616016 | Втулка | |
| 30 | М8х25 | Болт | |
| 31 | 80-4616095-В | Шкив | |
| 32 | 80V-4616024 | Пластина | |
| 33 | 80-4616150 | Кронштейн | |
| 34 | М6х14 | Болт | |
| 35 | 85-4616034 | Тяга | |
| 36 | SНСН6 | Шайба | |
| 37 | 85-4616105 | Рычаг | |
| 38 | 85-4616048 | Втулка | |
| 39 | 80-4616022 | Сфера | |
| 40 | 80V-4616023 | Втулка | |
| 41 | А13.11.000 | Рукоятка | |
| 42 | 80-4616048 | Шпилька | |
| 43 | 80-4616041 | Маховик | |
| 44 | 80-4616115-В | Кронштейн | |
| 45 | 85-4616060 | Трос | |
| 46 | 85-4616037 | Крышка | |
| 47 | 85-4616033 | Шкив | |
| 48 | 85-4616052 | Тяга | |
| 49 | 85-4616026 | Палец | |
| 50 | 85-4616035 | Рычаг | |
| 51 | 85-4616030 | Тяга | |
| 52 | 50-4607082-А | Втулка | |
| 53 | 85-4616044 | Тяга | |
| 54 | 85-4616055 | Тяга |
Содержащиеся в справочниках-каталогах запасные части и детали не предлагаются к продаже, а носят исключительно информационный характер