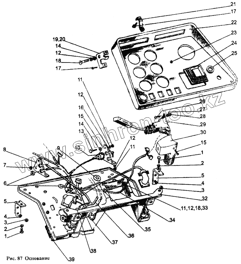
Каталог запасных частей к технике: МТЗ-1221. Основание
1
1
2
2
3
3
4
4
5
5
6
7
8
9
10
11
11
11
12
12
12
12
13
14
14
15
15
16
17
17
18
18
19
20
21
22
23
24
25
26
27
28
29
30
32
33
34
35
36
37
38
39
| Позиция на иллюстрации | Заводской номер детали | Название детали | |
|---|---|---|---|
| 1 | М8х16 | Болт | |
| 2 | SНР8 | Шайба | |
| 3 | М10 | Гайка | |
| 4 | SНР10 | Шайба | |
| 5 | 80-3805030 | Кронштейн | |
| 6 | 70-3723042-02 | Втулка | |
| 7 | 70-3723042-01 | Втулка | |
| 8 | 80-3805043 | Кронштейн | |
| 9 | 80-3723049 | Втулка | |
| 10 | RS492 | Реле-прерыватель | |
| 11 | М6 | Гайка | |
| 12 | SНР6 | Шайба | |
| 13 | М6х16 | Винт | |
| 14 | SНСН6 | Шайба | |
| 15 | 80-3805040 | Кронштейн | |
| 16 | VМ6х12 | Винт | |
| 17 | VМ4х16 | Винт | |
| 18 | VМ6х18 | Винт | |
| 19 | 80-3805035 | Кронштейн правый | |
| 20 | 80-3805035-01 | Кронштейн левый | |
| 21 | 80-3805015 | Кронштейн | |
| 22 | 80-3805021 | Щиток | |
| 23 | 80-3805064 | Заглушка | |
| 24 | 80-38055012 | Уплотнитель | |
| 25 | 80-3805016 | Заглушка | |
| 26 | VМ5х16 | Винт | |
| 27 | SНР5 | Шайба | |
| 28 | М5 | Гайка | |
| 29 | РКР-1 | Переключатель указателей поворота, ближнего и дальнего света | |
| 30 | 80-3709023-V | Кожух | |
| 31 | SНСН8 | Шайба | |
| 32 | 80-3805050 | Основание | |
| 33 | Р14.3723 | Панель | |
| 34 | 80-3724250-В | Жгут | |
| 35 | 50-4607064 | Втулка | |
| 36 | 80-3724535В1 | Жгут | |
| 37 | 80-3724390-V1 | Жгут | |
| 38 | 50-4607064 | Втулка | |
| 39 | 80-3805029 | Уплотнитель |
Содержащиеся в справочниках-каталогах запасные части и детали не предлагаются к продаже, а носят исключительно информационный характер