Вернуться на главную
Поиск
Каталоги запчастей к технике
Сельхозтехника
МТЗ
МТЗ-1221
Насос шестеренный
Каталог запасных частей к технике: МТЗ-1221. Насос шестеренный
zoom-in
zoom-out
enlarge
shrink
circle-right
circle-left
file-text2
info
cart
Тип техники
Не выбрано
Легковые автомобили
Грузовые автомобили и прицепы
Автобусы
Сельхозтехника
Спецтехника
Двигатели
Мототехника
Марка
Не выбрано
AGCO
Amity
CASE IH
DongFeng
Fortschritt
Foton
Franz Kleine
Gaspardo
Great Plains
KRONE
KUHN
Lemken
Lovol
MacDon
Massey Ferguson
New Holland
TIGARBO
Vaderstad
Versatile
Wirax
Агро
Агротехмаш
Бобруйскагромаш (ОАО «УКХ «Бобруйскагромаш»)
БЭМЗ
ВгТЗ
Воронежсельмаш
ВТЗ
Гомсельмаш
ДКЗ
ЗАО "Техника-сервис"
ЗиД
КЗК
Кировец-Ландтехник
Клевер
Красная Звезда
Лидагропроммаш
Лидсельмаш
ЛТЗ
Машстройхолдинг
Минитракторы
Мордовагромаш
МТЗ
Навигатор-Новое машиностроение
Нефтекамский автозавод
ПТЗ
Ремком
РСМ
Сибсельмаш
ТеКЗ
ТКЗ
ХЗТСШ
ХТЗ
ЮМЗ
Модель
Не выбрано
1025.5 (2013)
1025/1025.2/1025.3 (2009)
1220 (2011)
1220.5 (2013)
1523.5 (2013)
1523.5 с ГМТ (2014)
2122.3/2122.4 (2015)
3022ДЦ.1 (2011)
320.4М (2019)
622 (2012)
800/900 (2003)
80Х (2012)
892 (2011)
922.3 / 922.4 (2013)
922.5 (2013)
923.4 (2014)
923.5 (2013)
92П (2010)
952.5 (2013)
БЕЛАРУС 1025.7 (2022)
БЕЛАРУС 1220.7 (2022)
БЕЛАРУС 1221.7 (2022)
БЕЛАРУС 2103 (2015)
БЕЛАРУС 320 (1998)
БЕЛАРУС 3522.5 (2013)
БЕЛАРУС 3525 (2019)
БЕЛАРУС 421 (2014)
БЕЛАРУС 451 (2023)
БЕЛАРУС 651 (2023)
БЕЛАРУС 923.7 (2022)
БЕЛАРУС 952.7 (2022)
Беларус-08Н (09Н) (2015)
Беларус-422.1 (2018)
КБ-00.000 (САЗ) (2015)
КМ-2 (САЗ) (2015)
МТЗ-082
МТЗ-100
МТЗ-1005 (2008)
МТЗ-1021.3 (2010)
МТЗ-1025.4 (2009)
МТЗ-112Н, 132Н (2010)
МТЗ-1221 (1997)
МТЗ-1221 (2009) (2009)
МТЗ-1221.4 (2009)
МТЗ-1221.4 (2009)
МТЗ-1221.5 (2013)
МТЗ-1222/1523 (2009)
МТЗ-1522 (2008)
МТЗ-1523
МТЗ-1523 (2013)
МТЗ-1523 (2008) (2008)
МТЗ-1523.4 (2010)
МТЗ-1523.6 (2018)
МТЗ-2022 (2010)
МТЗ-2103 (2010)
МТЗ-2522 (2010)
МТЗ-310, 320, 321 (2011)
МТЗ-3522 (2011)
МТЗ-510/512, 520/522 (2010)
МТЗ-570 (2010)
МТЗ-80 (1998)
МТЗ-80 (2002) (2002)
МТЗ-80 (2009) (2009)
МТЗ-80.1 (2015)
МТЗ-821/921 (2009)
МТЗ-822 (2008)
МТЗ-826 (2010)
МТЗ-90/92 (2008)
МТЗ-900
МТЗ-900/920/950/952 (2009)
МТЗ-920.4/952.4 (2009)
МТЗ-922 (2008)
МТЗ-923 (2008)
ФР-00.010 (САЗ) (2015)
ФР-00700-Б (САЗ) (2015)
Схема
>
Не выбрано
Кабина
Кабина
Стеклоочиститель переднего стекла
Стеклоочиститель заднего стекла
Стеклоомыватель
Двери кабины
Сиденье оператора
Сиденье дополнительное
Установка отопителя
Зеркало внутреннее
Зеркало наружное
Козырек противосолнечный
Облицовка
Крылья передних колес
Подножка
Подвеска и блок цилиндров
Головка цилиндров. Клапаны и толкатели клапанов
Крышки головок цилиндров, коллектор и сапуны
Поршни и шатуны. Вал коленчатый и маховик
Механизм распределительный
Газопровод дизеля
Маслопроводы турбокомпрессора
Привод шестеренного насоса
Картер масляный
Насос масляный и приемник масляного насоса
Теплообменник
Установка масляного фильтра
Фильтр центробежный масляный
Фильтр - распределитель
Баки топливные
Тракт воздухопроводящий
Трубопроводы топливные и установка топливной аппаратуры
Насос топливный высокого давления
Регулятор частоты вращения
Корректор по наддуву
Насос подкачивающий
Форсунка
Фильтр топливный грубой очистки
Фильтр топливный тонкой очистки
Управление подачей топлива
Глушитель
Радиатор водяной
Труба водосборная и термостаты
Насос водяной и натяжитель
Установка муфты вентилятора
Сцепление
Корпус сцепления
Корпус сцепления
Управление сцеплением
Коробка передач
Узел коробки передач
Вал вторичный
Вал промежуточный
Вал пониженных передач
Механизм управления коробкой передач
Привод насосов
Насос шестеренный
Фильтр
Привод переднего ведущего моста
Кран переднего ведущего моста
Управление передним ведущим мостом
Привод карданный
Передний ведущий мост
Главная передача переднего ведущего моста
Редуктор конечной передачи переднего ведущего моста
Корпус заднего моста
Гидросистема блокировки
Механизм блокировки дифференциала
Полурама в сборе
Тяги рулевые
Колеса передние
Ступицы задних колес
Управление рулевое гидрообъемное
Привод рулевого механизма
Привод шестеренного насоса
Насос шестеренный
Тормоза. Управление тормозами
Тормоз стояночно-запасной. Управление стояночно-запасным тормозом
Трубопроводы и арматура пневмопривода тормозов прицепа
Регулятор давления
Баллон
Кран тормозной
Головка соединительная
Компрессор и установка компрессора
Электрооборудование
Переключатели, выключатели, электропровода
Переключатели, выключатели, электропровода
Переключатели, выключатели, электропровода
Генератор 468.3701
Батарея аккумуляторная
Устройство пусковое аэрозольное
Стартер
Фонари передние
Плафон освещения кабины
Фонари задние
Фонарь освещения номерного знака
Световозвращатели
Управление блокировкой дифференциала
Щиток приборов
Приборы
Основание
Стенка, крышка
Панели
Устройство прицепное маятниковое
Вал отбора мощности
Шкив приводной
Управление задним ВОМ
Балласт
Привод насоса
Механизм задней навески
Кронштейн блокировки
Гидроагрегаты и арматура
Гидроагрегаты и арматура
Управление гидрораспределителем
Бак масляный и фильтр
Цилиндр
Распределитель
Насос шестеренный
Регулятор
Привод регулятора
Муфта быстросоединяемая
Смеситель
Механизм фиксации
Инструмент оператора
Ящик инструментальный
Аптечка
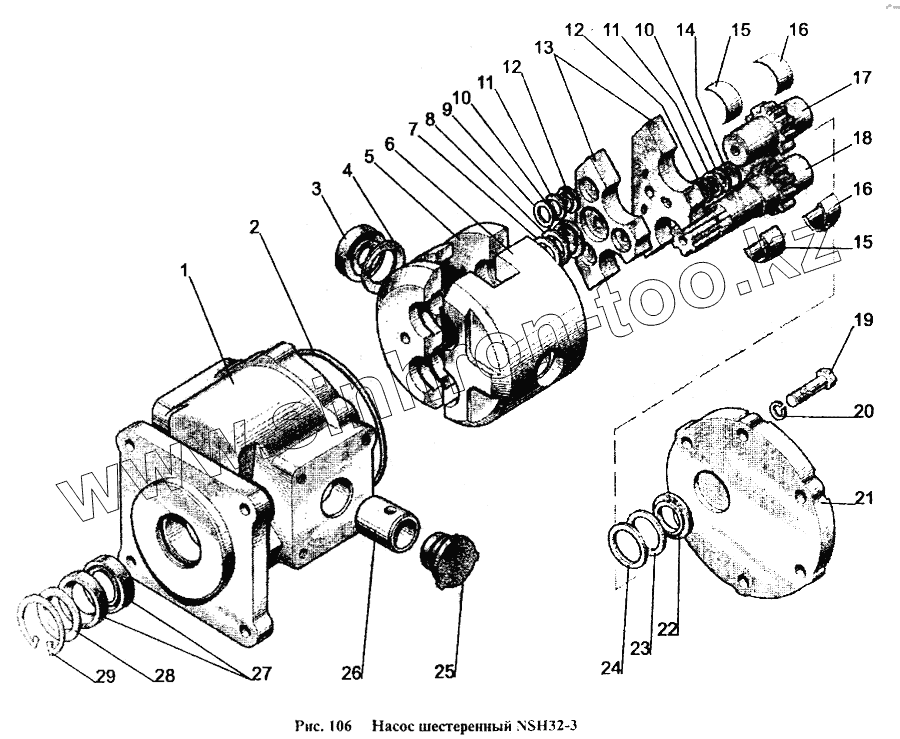
1
2
3
4
5
6
7
8
9
10
10
11
11
12
12
13
14
15
15
16
16
17
18
19
20
21
22
23
24
25
26
27
28
29
Позиция на иллюстрации
Заводской номер детали
Название детали
NSН32А-3
NSН32А-3
Насос шестеренный в сборе
1
NSН32-3-01
Корпус
2
112-118-36-2-2
Кольцо
3
NSН32-3-08
Манжета
4
NSН32-3-06
Пластина
5
NSН32-3-02
Обойма поджимная
6
NSН32-3-03
Обойма подшипниковая
7
NSН50-2-24
Кольцо
8
NSН50-4-10-03
Прокладка
9
NSН50-2-22
Манжета
10
NSН50-2-25
Кольцо
11
NSН50-4-10
Прокладка
12
NSН50-2-23
Манжета
13
NSН50-3-07
Платик
14
NSН50-2-16
Пластина
15
NSН50-4-04-А
Вкладыш левый
16
NSН50-4-06
Вкладыш правый
17
NSН32-3-05
Шестерня ведомая
18
NSН32-3-04
Шестерня ведущая
19
М10х30
Болт
20
SНР10
Шайба
21
NSН50А-3-06
Крышка
22
50К-13
Манжета
23
NSН50-4-10-04
Прокладка
24
NSН50-2-14
Кольцо
25
NSН32-2-08
Пробка
26
NSН32-3-09
Втулка центрирующая
27
1.2-25х42-1
Манжета
28
NSН32Е-08-А
Кольцо опорное
29
NSН32U-0303028-G
Кольцо пружинное
Содержащиеся в справочниках-каталогах запасные части и детали не предлагаются к продаже, а носят исключительно информационный характер
Дополнительная информация
×
Название:
Номер:
Примечание: